PC+RDF-NMRV Worm Gearbox with Pre-stage Helical Gear Units
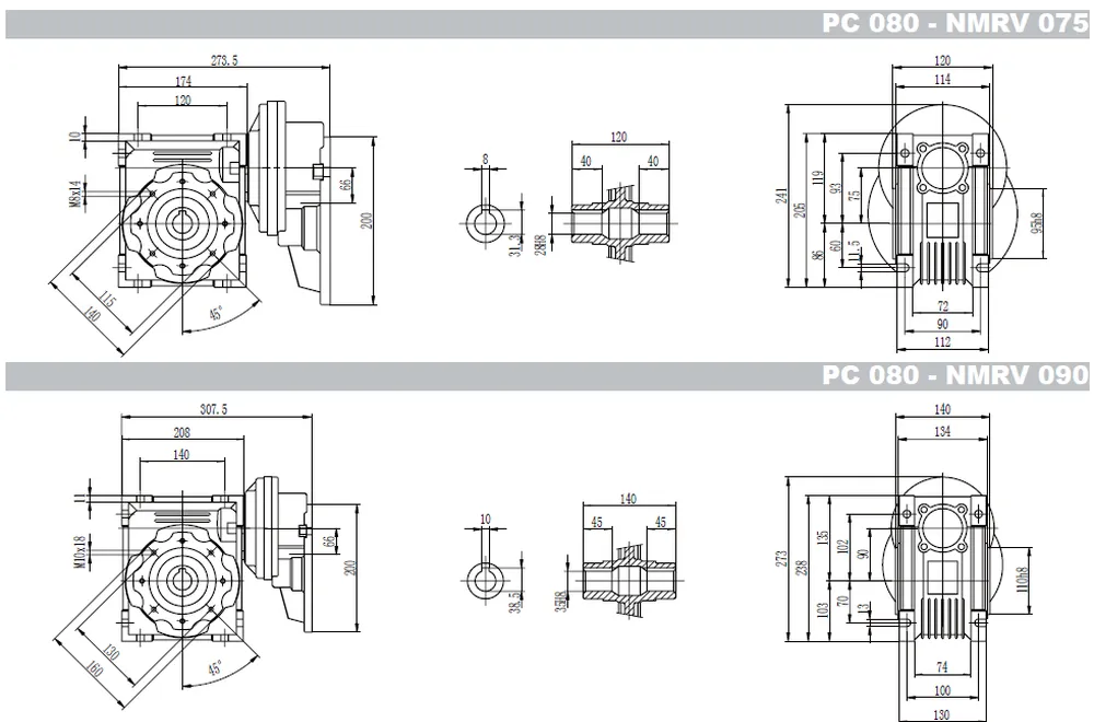
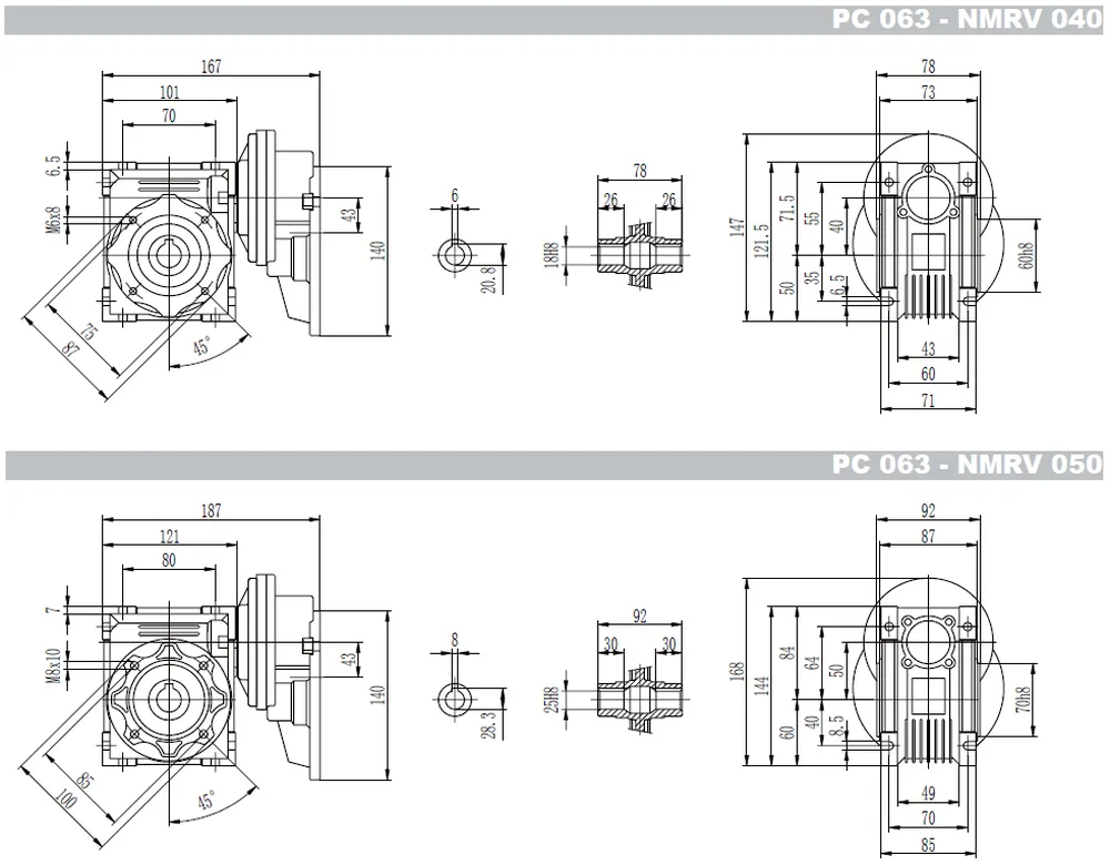
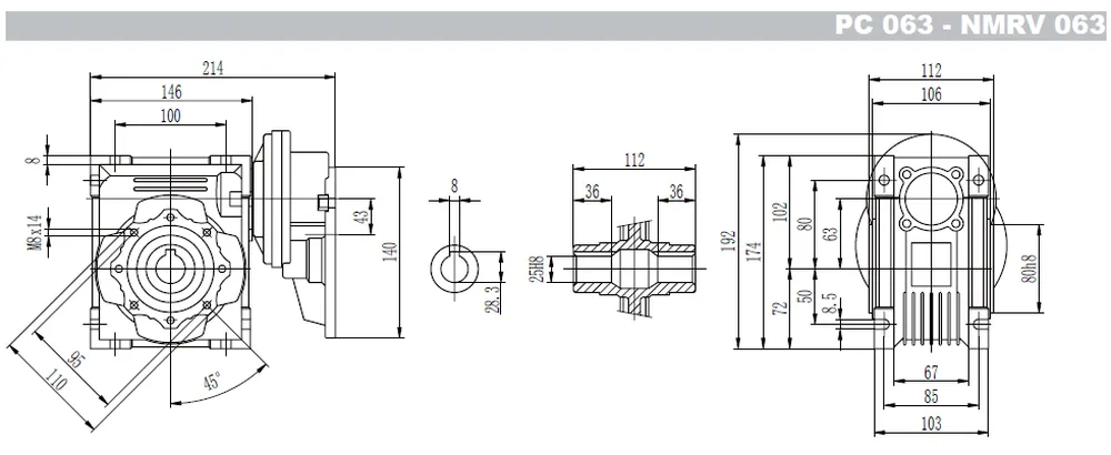
The PC+RDF-NMRV worm gearboxes of Raydafon have absorbed advanced technology at home and abroad and are manufactured according to the national IOS9001 standard. PC means the helical Pre-stage unit. The PC+RDF-NMRV worm gearbox adopts an advanced square box structure, and the shell is made of high-quality aluminum alloy die casting, and it has lightweight and has no rust. What’s more, it has good heat exchange performance and fast heat dissipation, which guarantee the high efficiency and long service life of the worm gear motor. Besides, it could mount with a square flange and round flange to match various types of motors.![]() | ![]() |









![]() | ![]() |
![]() | ![]() |

Address
Luotuo Industrial Area, Zhenhai District, Ningbo City, China
Tel
