



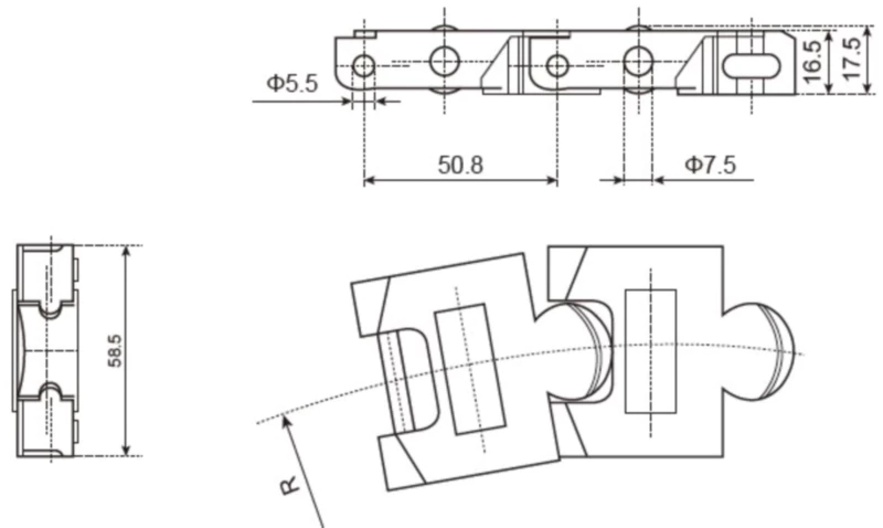
Plastic Multiflex Chain Replacement Of System Plast 9350 can work well with matching sprockets, ensuring smooth operation and extending the life of the chain. Raydafon company provides sprockets that are compatible with this chain, including 1700 Sprockets and 1775 Sprockets.
Raydafon welcomes customers to inquire or customize products.FAQs:1. What is Plastic Multiflex Chain Replacement Of System Plast 9350?Answer: It is a type of chain product made of high-grade plastic material designed for various applications, especially in conveying or pulling operations that require flexibility, corrosion resistance, wear resistance, and lightweight conditions.2. What are the benefits of Plastic Multiflex Chain?Answer: The benefits of Plastic Multiflex Chain include diversified application range, quiet operation, easy-to-clean and maintain, environmental protection and energy-saving.3. What should be considered when selecting the right Plastic Multiflex Chain?Answer: Application environment and requirements, functional requirements, connection and assembly, durability and maintenance, manufacturer and service support, cost and cost performance.4. Can Plastic Multiflex Chain work well with matching sprockets?Answer: Yes, Plastic Multiflex Chain can work well with matching sprockets, ensuring smooth operation and extending the life of the chain.5. What are Raydafon's main products?Answer: Raydafon produces various conveying equipment and accessories, including plastic conveyor flat top chains, keel chains, flexible chains, and matching sprockets; stainless steel conveyor flat top chains, roller chains, and matching sprockets; plastic module conveyor belts and matching sprockets; various conveyor accessories; stainless steel belt seat bearings, plastic belt seat bearings; various conveyor rollers; the design and production of various conveyor lines.Address
Luotuo Industrial Area, Zhenhai District, Ningbo City, China
Tel
