Wheel Drive Planetary Gearbox Reducer is a type of gearbox that is used to reduce the speed of an input shaft by multiplying its torque. It is commonly used in heavy machinery, such as cranes, excavators, and drilling rigs, to transfer power from engines to wheels or tracks. The gearbox is made up of several parts, including a sun gear, planet gears, and a ring gear, which work together to transmit power smoothly and efficiently. Its features include high torque capacity, compact size, and low noise and vibration levels.
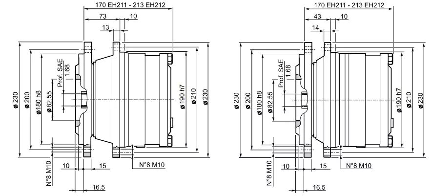
At our company, we specialize in producing replacement gearboxes that are similar to the Dinamic Oil EH210 model. We can customize the gearbox to match the size, installation method, and technical specifications of the original Dinamic Oil gearbox, ensuring a perfect fit and compatibility. It is important to note that we do not sell Dinamic Oil branded products, but we offer them as a reference for customers to choose the right gearbox for their needs.


| Parameter | Description |
|---|---|
| Size | The gearbox size should be selected based on the power and torque requirements of the application. |
| Installation method | The gearbox can be installed horizontally or vertically, depending on the application. |
| Technical specifications | The gearbox should meet the requirements for input speed, output speed, gear ratio, and efficiency. |
Address
Luotuo Industrial Area, Zhenhai District, Ningbo City, China
Tel
