Rotary Cutter Gearboxes - Replacement of Omni Code RC-30 Gearbox
Rotary cutter gearboxes are mechanical devices that are used to transfer power from a tractor or other power source to a rotary cutter. The rotary cutter is a type of agricultural equipment that is used to cut grass, weeds, and other vegetation. The rotary cutter gearboxes are mounted on the rotary cutter and are responsible for transmitting the power from the power source to the cutting blades of the rotary cutter. The rotary cutter gearboxes consist of a series of gears that are housed in a metal casing. The gears are designed to mesh together and transfer power from the input shaft to the output shaft. The input shaft is connected to the power source, while the output shaft is connected to the cutting blades of the rotary cutter.Rotary cutter gearboxes are available in a variety of sizes and configurations to meet the specific needs of different applications. They are commonly used in agriculture, landscaping, and other outdoor applications where vegetation needs to be cut or cleared. The gearboxes are designed to be durable and long-lasting, even in harsh environments and high-load applications.
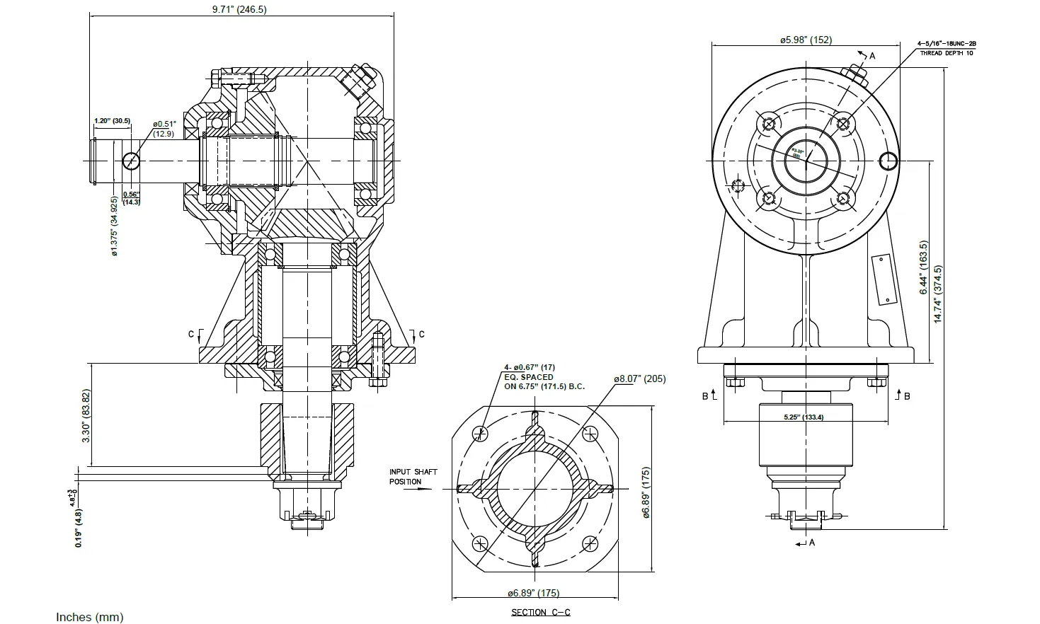
RC-30 Rotary Cutter Gearbox 1-3/8” - 6 Spline Input Shaft, 1:1.47 Ratio with 12 Tapered Spline Output Shaft

| Model | RDF-RC30 Series Rotary Cutter Gearboxes | Horsepower | 40HP |
| Torque | 2,800 - 4,667 lb.-in. | Input RPM | 540/1000 |
| (316 - 527 Nm.) | Output RPM | 793/1470 | |
| Ratios | 1:1.47, 1:1.71, 1:1.93 | Input Shaft Diameter | 1-3/8” – 6 spline |
| Gear Type | Bevel | Shear Bolt Hole | 1/2" |
| Seal Type | Triple Lip Spring Loaded | Output Shaft Diameter | 1.47" - 12 tapered spline |
| Bearing Type | Deep Groove Ball | Mount | 4-bolt mounting |
| Oil Capacity | 23 oz. | Bolt Pattern | 4-3/4" |
| (0.68 L) | Rotation | CCW input gives CW output | |
| Weight | 51 lbs. | Size | 10-1/4" x 7" x 7" |
| (23.1 kg.) | Pilot | 5-1/4" dia. |




China Rotary Cutter Gearbox Manufacturers![]() | ![]() |

Raydafon Transmission Machinery Co., Ltd. is devoted to R&D and manufacturing and personnel training on various gearboxes, reducers, and engineering machinery, including bevel gearboxes, agricultural gearboxes, planetary gearboxes, helical gearboxes, cycloidal gearboxes, worm gearboxes. Raydafon offers reliable agricultural gearbox solutions for almost any farming application. The agricultural gearbox is the main mechanical component of the kinematic chain of farming machines. We make high-quality gearboxes for all kinds of agriculture. Vast choices include the agricultural machine application of rotary cutters, fertilizer spreaders, feed mixers, post-hole diggers, flail mowers, rotary tillers, etc. Welcome to contact us by phone or email.
Address
Luotuo Industrial Area, Zhenhai District, Ningbo City, China
Tel
