Rotary Mower Gearbox – Replacement of Comer Code LF-139A
The rotary mower gearbox LF-139A is a component of a rotary mower that helps transfer power from the mower's engine to its blades. The gearbox typically contains gears and bearings that help to reduce the speed of the mower's engine while increasing the torque applied to the blades. This allows the mower to cut through grass and other vegetation effectively.The gearbox may also have additional features, such as a clutch, which can be engaged or disengaged to start or stop the blades, and a gear reduction system, which allows the mower to operate at different speeds to accommodate different types of terrain or grass thicknesses.It's important to maintain and periodically inspect the gearbox to ensure that it's operating smoothly and efficiently. Regular maintenance may involve lubrication of the gears and bearings, an inspection of the seals and bearings for damage or wear, and replacement of any damaged or worn parts.

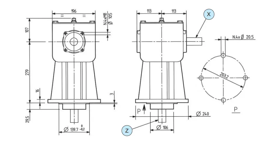
| i | N1[rpm] | P1[kW] | M2[Nm] | Shaft Type | Input | |
| X | Z | |||||
| 1.50 | 540 | 66 | 755 | 1'' 3/8 Z61'' 3/4 Z20 | Hub connection | X |
| 1.20 | 1000 | 66 | 509 | 1'' 3/4 Z20 | Hub connection | X |
Address
Luotuo Industrial Area, Zhenhai District, Ningbo City, China
Tel
