Raydafon Technology Group Co.,Limited
Raydafon Technology Group Co.,Limited
Products
Products
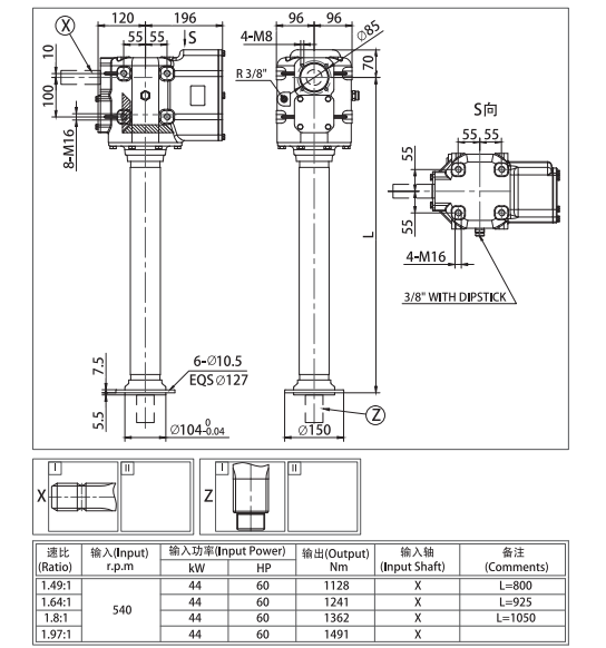
Rotary Tiller Gearbox EP80
  • Rotary Tiller Gearbox EP80Rotary Tiller Gearbox EP80

Rotary Tiller Gearbox EP80

Raydafon Group's Rotary Tiller Gearbox EP80 is a durable and efficient transmission solution for agricultural machinery, designed to optimize soil cultivation. Its robust steel construction, advanced heat treatment technology, and compact design reduce wear, enhance power transmission, and fit seamlessly into tillers. Ideal for farmers and agricultural businesses, it tackles tough soil conditions, ensuring smoother operations and increased productivity. Compared to standard gearboxes, EP80 offers superior durability and lower maintenance, delivering reliability and peace of mind in every use. Experience enhanced performance and efficiency—upgrade your equipment today!
Send Inquiry
Contact Info
Get customized quotes for transmission components, gearboxes, and machinery. Our engineers will respond within 24 hours.
Online
X
We use cookies to offer you a better browsing experience, analyze site traffic and personalize content. By using this site, you agree to our use of cookies. Privacy Policy
Reject Accept