Rotary Tiller Gearboxes – Replacement of Comer Code TB-19J
A rotary tiller gearbox is a device that transfers power from a tractor or other power source to the tines or blades of a rotary tiller. The gearbox typically consists of housing, gears, bearings, and seals. As the power source rotates the input shaft, the gears inside the gearbox engage and transfer the rotational force to the output shaft, which in turn drives the tines of the tiller. The gearbox allows for efficient and precise control of the tines' speed and direction, making it a critical component in the operation of a rotary tiller.

| i | 1.46 |
| N1[rpm] | 540 |
| P1[kW] | 16.9 |
| M2[Nm] | 423 |
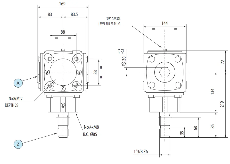
Shaft X![]() | 30 |
Shaft Z![]() | 1'' 3/8 Z6 |
| Input | Z |

Address
Luotuo Industrial Area, Zhenhai District, Ningbo City, China
Tel
