A slewing drive planetary gearbox is a mechanism used in various industries for rotational movements. It consists of a compact design that combines a slew bearing, a drive mechanism, and a planetary gearbox. This gearbox is commonly used in applications that require precise positioning and torque transmission, such as solar tracking systems, heavy-duty machinery, and construction equipment.

Our slewing drive planetary gearbox shares the same installation dimensions as Replacement of Brevini Riduttori, ensuring high comparability in performance parameters. This makes it an ideal replacement for Replacement of Brevini Riduttori products. It's important to note that we do not sell Replacement of Brevini Riduttori products, and the mention of Replacement of Brevini Riduttori models is purely for customer reference.

The RPR250DC slewing drive planetary gearbox finds applications in various industries, including:
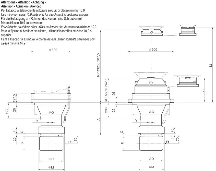
When replacing old slewing drive planetary gearboxes, it is essential to consider the following parameters to find a compatible replacement:


Signs indicating the need for replacing the slewing drive gearbox include:
At our company, we strive to provide high-quality slewing drive planetary gearboxes that meet the specific needs of our customers. With our durable and reliable products, we ensure optimal performance and longevity for various applications. Join us today and experience the difference of our advanced slewing drive technology.
Author: Miya
Address
Luotuo Industrial Area, Zhenhai District, Ningbo City, China
Tel
