A1 is a high-precision cycloidal gearbox designed to provide enhanced accuracy and efficiency in various robotic applications. Its main function is to reduce the speed and increase the torque of the motor, offering reliable and smooth operation even in demanding environments. Ideal for precision tasks, the A1 gearbox ensures optimal performance and longevity of the equipment it is integrated with.
The RV precision gearbox boasts an ultra-flat design and compact structure, making it easy to integrate into various systems where space is a premium. This design helps in reducing the overall footprint of the machinery, thus enhancing its efficiency and utility.
Known for its high precision, the RV gearbox ensures minimal errors in positioning and movement. This high accuracy is crucial for applications that demand exactitude, such as robotic arms and automated machinery.
The high rigidity of the RV gearbox allows it to withstand high loads without deformation. This feature is essential for maintaining the structural integrity of the equipment over long periods of use.
With its high efficiency, the RV gearbox minimizes energy losses, ensuring that more power is transmitted from the motor to the application. This leads to reduced operational costs and enhanced performance.
The RV gearbox offers low backlash, which means minimal play between the gears. This characteristic is vital for precision applications where even slight movements can lead to significant errors.
One of the standout features of the RV gearbox is the ease of motor installation. This reduces the time and effort required for setup, allowing for quicker deployment and maintenance of the system.
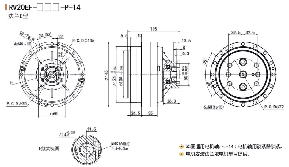
[ninja_tables id="888698"] [ninja_tables id="888709"] The RV precision gearbox is meticulously constructed using a combination of high-quality components:
In industrial robots, the high precision and low backlash of the cycloidal gearbox ensure accurate and repeatable movements, essential for tasks like welding, painting, and assembly.
CNC machines benefit from the high accuracy and rigidity of the cycloidal gearbox, providing precise control for cutting, milling, and drilling operations.
The compact structure and high efficiency of the cycloidal gearbox make it ideal for AGVs, improving their maneuverability and load-carrying capacity.
Medical equipment, such as surgical robots and diagnostic machines, rely on the low backlash and high precision of the cycloidal gearbox for delicate and accurate movements.
In aerospace applications, the high rigidity and reliability of the cycloidal gearbox are critical for ensuring the safety and functionality of various aerospace mechanisms.
We are a leading manufacturer of high-precision gearboxes, specializing in solutions that enhance the performance and reliability of your equipment. Our products are known for their innovative design, exceptional quality, and competitive pricing. With a commitment to customer satisfaction, we offer comprehensive support and tailored solutions to meet your specific needs. Partner with us to experience the advantage of superior technology and dedicated service.
Address
Luotuo Industrial Area, Zhenhai District, Ningbo City, China
Tel
