SD-U1 Series Harmonic Drive (Strain Wave Gear Reducer)
The SD-U1 series harmonic drive reducer is a type of precision gear mechanism designed for high-performance applications that require precise motion control. This series of harmonic drive reducers is widely used in various industries, including robotics, aerospace, semiconductor manufacturing, medical devices, and more.The SD-U1 series harmonic drive reducer is built upon the principles of harmonic drive technology, which consists of three main components: a wave generator, a flex spline, and a circular spline. The wave generator creates a wave-like motion that is transferred to the flex spline, causing it to flex and engage with the circular spline. This flexing action generates high torque output with extremely low backlash, allowing for precise and repeatable motion control. One of the key advantages of the SD-U1 series is its compact size. The harmonic drive design allows for a high gear reduction ratio within a small envelope, making it ideal for applications where space is limited.These harmonic drive reducers are also known for their exceptional positional accuracy. They have minimal backlash, which refers to the small amount of play or lost motion in the gears when changing direction. This characteristic makes them suitable for applications that require precise positioning, such as robotic arms or automated assembly lines. The SD-U1 series comes in various sizes and configurations to meet different application requirements. They can be customized with different gear ratios, output configurations (such as shaft or flange output), and motor interfaces to seamlessly integrate with different systems.
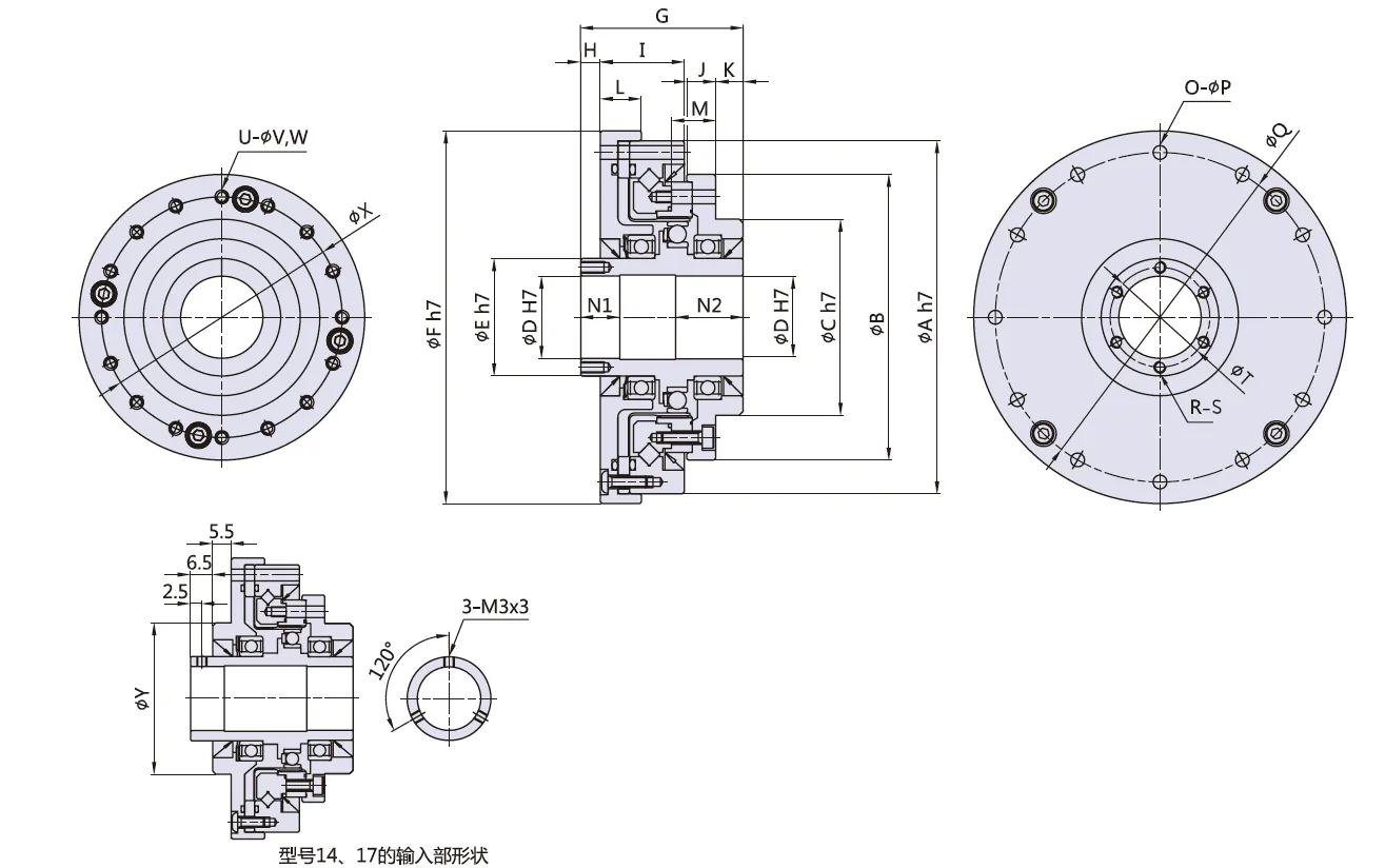
1. Ultra-flat - hollow bore structure2. High torque capacity3. High rigidity4. No backlash5. Excellent positioning and rotational accuracy6. Input and output coaxial



| reduction ratio/models | 14 | 17 | 20 | 25 | 32 |
| 050 | 11 | 39 | 53 | 79 | 114 |
| 080 | 9 | 34 | 44 | 66 | 108 |
| 100 | 8.7 | 37 | 49 | 73 | 101 |
| 120 | - | 34 | 49 | 73 | 99 |
| 160 | - | - | 48 | 72 | 97 |
| Models | Roller pitch circle diameter | offset | Basic load rating | Allowable Moment Load Mc | Torque rigidity Km | |
| dp | R | Basic dynamic rated load cr | Basic static load rating | Nm | Nm/rad | |
| m | m | N | N | |||
| 14 | 0.0503 | 0.0111 | 29 | 43 | 37 | 7.08 |
| 17 | 0.061 | 0.0115 | 52 | 81 | 62 | 12.7 |
| 20 | 0.070 | 0.011 | 73 | 110 | 93 | 21 |
| 25 | 0.086 | 0.0121 | 109 | 179 | 129 | 31 |
| 32 | 0.112 | 0.0173 | 191 | 327 | 290 | 82.1 |




![]() | ![]() |
![]() | ![]() |
Address
Luotuo Industrial Area, Zhenhai District, Ningbo City, China
Tel
