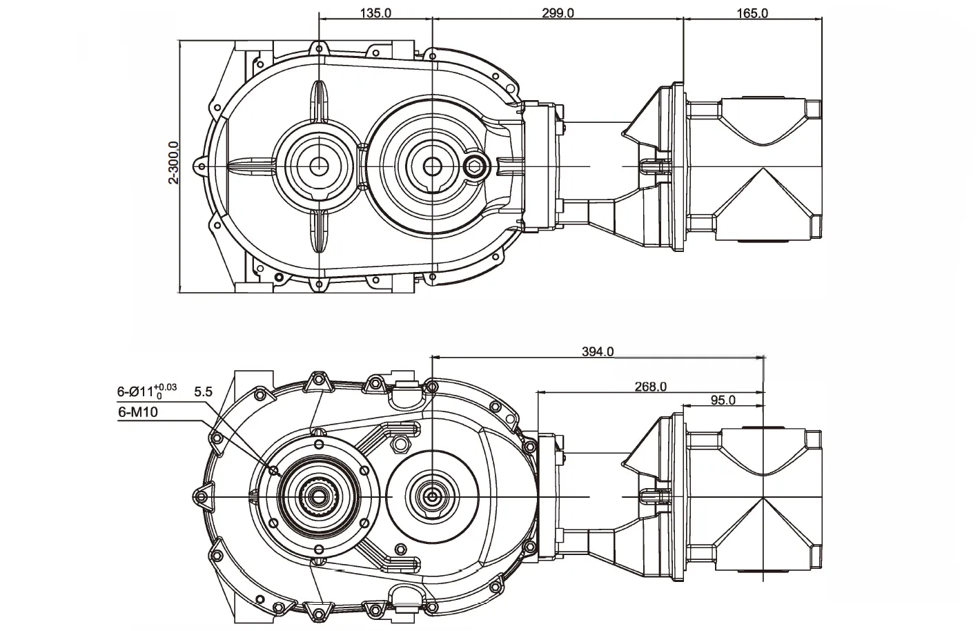
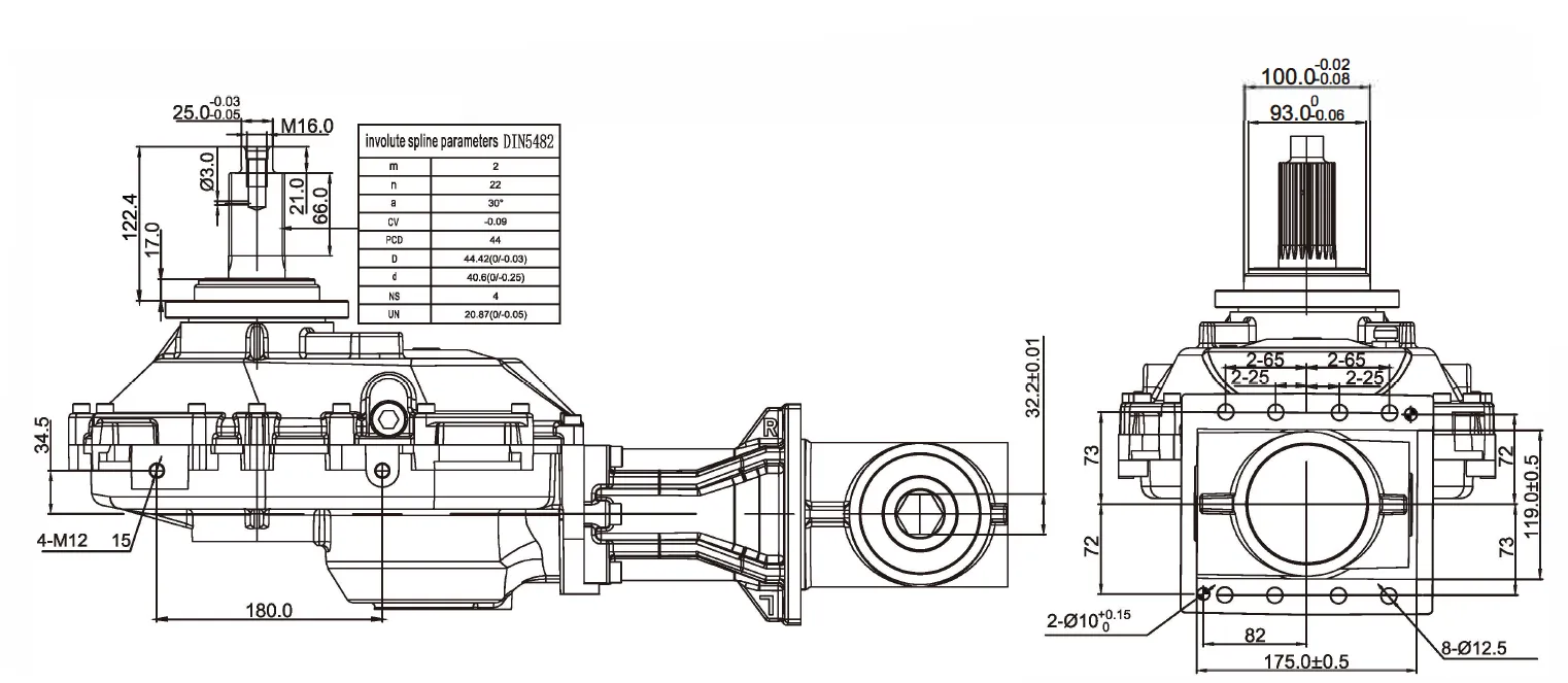
Silage Machine Gearbox RDF-QZ-QGXR/L for German Champion Four Disc (Type 3500)
The Silage Machine Gearbox RDF-QZ-QGXR/L is a specific gearbox model designed for the German Champion Four Disc Silage Machine, Type 3500. This gearbox is specifically engineered to meet the power and operational requirements of the silage machine, ensuring efficient and reliable performance during the silage-making process.The silage machine gearbox is responsible for transmitting power from the tractor or power source to the various components of the silage machine. It efficiently transfers rotational power to drive the cutting, chopping, and conveying mechanisms. The gearbox contains a set of gears that convert the input power into the appropriate speed and torque required for the specific operations of the German Champion Four Disc Silage Machine. These gears are carefully designed and selected to ensure optimal performance and durability.The gearbox provides power to the cutting and chopping mechanism of the silage machine. This mechanism consists of multiple rotating discs equipped with cutting blades that efficiently chop the forage into smaller pieces, facilitating the ensiling process. The gearbox drives the conveying system, which includes augers or conveyors that transport the chopped forage from the cutting area to the storage or collection area. The gearbox ensures smooth and consistent movement of the conveying components.The gearbox is designed to withstand the demanding conditions of silage-making operations. It is constructed using durable materials and undergoes stringent quality control measures to ensure reliability and a long service life. The Silage Machine Gearbox RDF-QZ-QGXR/L is specifically tailored for the German Champion Four Disc Silage Machine, Type 3500. It is engineered to seamlessly integrate with the machine's overall design and deliver the necessary power and performance to facilitate efficient and effective silage production.

| Name | Suitable | Turn | header series | Toothing | |
| cutting box | silage machines | left turn | dextrorotation | 3 series | Gleason Helical Teeth |
| Remark: If you have any special require feel free let me know, we also accept custom. | |||||

![]() | ![]() |

![]() | ![]() |
![]() | ![]() |
Address
Luotuo Industrial Area, Zhenhai District, Ningbo City, China
Tel
