Raydafon Technology Group Co.,Limited
Raydafon Technology Group Co.,Limited
Products
Products
TB Type Four Rod Hydraulic Cylinder
  • TB Type Four Rod Hydraulic CylinderTB Type Four Rod Hydraulic Cylinder

TB Type Four Rod Hydraulic Cylinder

Unleash superior power with Raydafon Group's TB Type Four Rod Hydraulic Cylinder, engineered for industrial applications requiring exceptional durability and precision. Its advanced design and high-strength materials ensure reliable performance, reducing downtime and enhancing productivity. Ideal for manufacturers and engineers, this cylinder delivers smooth operation and long-lasting service, solving efficiency challenges with robust, innovative technology. Experience unmatched quality and confidence in every motion—upgrade your machinery today.

TB Type Four Rod Hydraulic Cylinder

The TB Type Four Rod Hydraulic Cylinder is a versatile and robust hydraulic cylinder that finds extensive use in industrial applications. This hydraulic cylinder is an indispensable component in various hydraulic systems and is designed to provide exceptional strength, precise control, and reliable performance. This article will explore the key characteristics, usage methods, and maintenance tips for the TB Type Four Rod Hydraulic Cylinder.Essential Characteristics Of Four Rod Hydraulic Cylinder:The TB type four rod hydraulic cylinder offers several notable features that make it a preferred choice in demanding hydraulic applications:
  1. Enhanced Stability and Load-Bearing Capacity:
  • The four-rod design ensures superior stability and evenly distributed load-bearing capacity throughout the cylinder, minimizing deflection and enhancing overall performance.
  • This characteristic makes the TB Type Cylinder suitable for heavy-duty applications that involve high forces, substantial loads, or challenging operating conditions.
  1. Precise Control and Positioning:
  • The four-rod configuration provides enhanced control and precise positioning of the piston rod, allowing for accurate movement and alignment of the load.
  • This precise control makes the cylinder well-suited for applications requiring accurate and synchronized motion, such as robotics, material handling, and industrial automation.
  1. Durability and Longevity:
  • The TB Type Cylinder is constructed using high-quality materials that ensure durability, longevity, and resistance to wear and corrosion.
  • This robust construction allows the cylinder to withstand heavy usage and harsh operating environments, ensuring reliable performance over an extended period.
TB Type Four Rod Hydraulic Cylinder

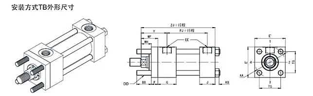
TB Type Four Rod Hydraulic Cylinder Parameter:

TB Type Four Rod Hydraulic CylinderTB Type Four Rod Hydraulic Cylinder

Usage Method Of TB Type Four Rod Hydraulic Cylinder:

  1. Mounting:
  • Ensure proper alignment and secure cylinder mounting to the equipment or machinery using suitable bolts or fasteners.
  • Follow the manufacturer's instructions and guidelines for the specific mounting configuration of the TB Type Cylinder.
  1. Hydraulic Connections:
  • Connect the hydraulic lines to the cylinder's inlet and outlet ports, ensuring a secure and leak-free connection.
  • Use appropriate fittings, seals, and thread types as the manufacturer recommends.
  1. Operation:
  • Apply hydraulic pressure to the cylinder to extend or retract the piston rod per the application requirements.
  • Control the cylinder's movement using a hydraulic control valve or other appropriate control mechanisms.

Maintenance Of TB Type Four Rod Hydraulic Cylinder:

  1. Regular Inspection:
  • Periodically inspect the cylinder for any leakage, damage, or excessive wear.
  • Check the condition of the seals, rods, and mounting components, and replace any worn or damaged parts.
  1. Lubrication:
  • Follow the manufacturer's recommendations for lubrication intervals and use high-quality hydraulic oil or grease suitable for the cylinder's specifications.
  • Apply lubrication to the rod, seals, and other moving parts to minimize friction and ensure smooth operation.
  1. Cleaning:
  • Keep the cylinder and its surrounding area clean and free from debris, dust, or contaminants that could affect its performance.
  • Use a mild cleaning agent and a soft cloth to wipe down the external surfaces of the cylinder.

How To Bleed A Hydraulic Cylinder?

Bleeding a hydraulic cylinder is a necessary maintenance procedure that involves removing air bubbles or trapped air from the hydraulic system. Air in the system can cause reduced performance, spongy operation, or even complete failure of the cylinder. Here's a step-by-step guide on how to bleed a hydraulic cylinder:
  1. Prepare the Necessary Tools:
  • Safety glasses and gloves
  • Wrench or socket set
  • Clean cloth or rag
  • Proper hydraulic fluid (if required)
  1. Identify the Bleed Valve:
  • Locate the bleed valve on the hydraulic cylinder. The bleed valve is usually a small screw or fitting located on or near the cylinder body. Consult the manufacturer's documentation or hydraulic system schematics to locate the specific valve.
  1. Position the Cylinder:
  • Ensure that the hydraulic cylinder is in a safe and stable position. It should be stationary and, if necessary, adequately supported or secured to prevent movement during bleeding.
  1. Open the Bleed Valve:
  • Carefully loosen the bleed valve on the cylinder using a wrench or socket set. Loosen it just enough to allow air to escape without completely removing the valve.
  1. Prepare for Fluid Discharge:
  • Place a clean cloth or rag underneath the bleed valve to catch any hydraulic fluid that may be discharged during the bleeding process. This helps to keep the work area clean and prevents spillage.
  1. Activate the Hydraulic System:
  • Activate the hydraulic system that powers the cylinder. This can be done by operating the associated hydraulic pump, control valve, or any other mechanism that controls the flow of hydraulic fluid to the cylinder.
  1. Monitor the Bleed Valve:
  • As the hydraulic system is activated, you should see air bubbles escaping from the bleed valve. Allow the hydraulic fluid to flow through the cylinder and bleed valve for sufficient time to ensure that all air is expelled from the system.
  • Keep an eye on the fluid level in the hydraulic reservoir and replenish it if necessary to maintain the proper fluid level throughout the bleeding process.
  1. Close the Bleed Valve:
  • Once you notice a steady flow of hydraulic fluid without any air bubbles, carefully tighten the bleed valve using a wrench or socket set. Ensure the valve is securely closed, but avoid overtightening to prevent damage.
  1. Check for Proper Operation:
  • With the bleed valve closed, operate the hydraulic system and the cylinder to confirm it is functioning correctly. Pay attention to any unusual noises, vibrations, or other signs of malfunction. If any issues persist, consult a hydraulic system specialist for further assistance.

China Hydraulic Cylinder Manufacturers:

Raydafon is a company in the R&D and manufacture of four rod hydraulic cylinders. It maintains a leading position in the market segment of hydraulic cylinders for forklifts in China. In 2020, the domestic market share was around 29%. We produce Industrial vehicle heavy rod hydraulic cylinders, Aerial work vehicle heavy rod hydraulic cylinders, Agricultural Machinery hydraulic cylinders, and Sanitation machinery hydraulic cylinders.We have a first-class independent R&D platform for assembly. The four rod hydraulic cylinder production workshop has four semi-automatic lifting cylinder assembly lines and one fully automatic tilting cylinder assembly line, with a designed annual production capacity of 1 million pieces; the special cylinder workshop is equipped with semi-automatic cleaning and assembly systems of various specifications, with a designed annual production capacity of 200,000 essays. It has famous CNC machining equipment, machining centers, special equipment for high-precision cylinder processing, robot welding machines, automatic cleaning machines, automatic cylinder assembly machines, and automatic paint production lines. We have more than 300 sets of critical equipment running. The optimized allocation and efficient utilization of equipment resources ensure the precision requirements of the products and meet the high standard quality requirements of the products.
TB Type Four Rod Hydraulic CylinderTB Type Four Rod Hydraulic Cylinder
Hot Tags: Four Rod Hydraulic Cylinder, Custom Hydraulic Cylinder China, TB Cylinder Manufacturer
Send Inquiry
Contact Info
Get customized quotes for transmission components, gearboxes, and machinery. Our engineers will respond within 24 hours.
Online
X
We use cookies to offer you a better browsing experience, analyze site traffic and personalize content. By using this site, you agree to our use of cookies. Privacy Policy
Reject Accept