TH200 Series Precision Hollow Rotating Platform
The TH200 Series Precision Hollow Rotating Platform is an innovative solution designed to provide exceptional accuracy, versatility, and reliability in rotational motion applications. With its advanced features and robust construction, this rotating platform sets a new standard for precision engineering. Whether you require precise positioning, smooth rotation, or multi-axis motion control, the TH060 Series delivers outstanding performance and versatility for a wide range of industrial and research applications.






Installation direction free designTH rotating platform, in addition to horizontal installation, can be installed vertically or upside down; the device design range is wide.Please note when using:The hollow rotary transmission occasionally has a small amount of oil leaking out.If the oil leakage causes pollution to the surrounding environment, please check regularly.Check to confirm or install the oil tray and other devices.
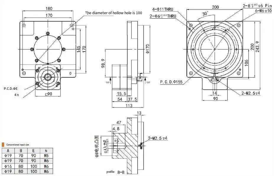
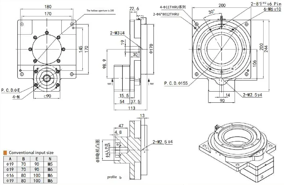
The motor can refer to the example diagram to provide the relevant size.


Address
Luotuo Industrial Area, Zhenhai District, Ningbo City, China
Tel
