THM280 Series Precision Hollow Rotating Platform
THM280 series precision hollow rotating platform. This cutting-edge platform is designed to revolutionize rotational motion applications, offering exceptional performance and reliability. Whether you require accurate positioning, smooth rotation, or multi-axis motion control, the THM280 Series is equipped to meet your needs.The THM280 series precision hollow rotating platform offers unmatched precision and versatility in rotational motion applications. With its unparalleled precision, hollow structure with a large aperture, high load capacity, and compact design, it caters to diverse industrial needs. By following the recommended usage methods and maintenance practices, you can ensure optimal performance and longevity of this remarkable product. Unlock the full potential of rotational motion applications with the THM280 series precision hollow rotating platform and experience unmatched precision, versatility, and reliability.





Installation direction free designTH rotating platform, in addition to horizontal installation, can be installed vertically or upside down; the device design range is wide.Please note when using:The hollow rotary transmission occasionally has a small amount of oil leaking out.If the oil leakage causes pollution to the surrounding environment, please check regularly.Check to confirm or install the oil tray and other devices.
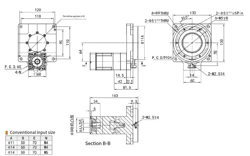
The motor can refer to the example diagram to provide the relevant size.


Address
Luotuo Industrial Area, Zhenhai District, Ningbo City, China
Tel
