W-A QD Weld-On Hubs
The W-A QD weld-on hubs are a type of hub specifically designed for use with W QD (Quick Detachable) bushings. These hubs are commonly used in power transmission applications to provide a secure and efficient connection between a shaft and a mounted component such as a pulley, sprocket, or gear.The W-A QD weld-on hubs are made from high-quality materials that offer excellent strength and durability. They are typically constructed from steel or other suitable alloys to withstand the demands of heavy-duty applications. The weld-on design allows for a permanent attachment, ensuring a reliable and rigid connection between the hub and the shaft.These W-A QD weld-on hubs feature a Quick Detachable (QD) system, which enables easy installation and removal of the mounted component without requiring extensive disassembly. The W QD bushings used in conjunction with the W-A QD weld-on hubs provide a secure grip on the shaft, minimizing slippage and maximizing power transmission efficiency.To install the W-A QD weld-on hub, the bushing is first mounted onto the shaft and tightened using the appropriate mounting screws. The hub is then aligned with the bushing and securely welded in place. This welding process ensures a strong and permanent bond between the hub and the shaft, capable of withstanding high torque and radial loads.The W-A QD weld-on hubs are available in various sizes and configurations to accommodate different shaft diameters and mounting requirements. It is important to select the correct hub size and bushing to ensure compatibility and optimal performance.
![]() | ![]() |
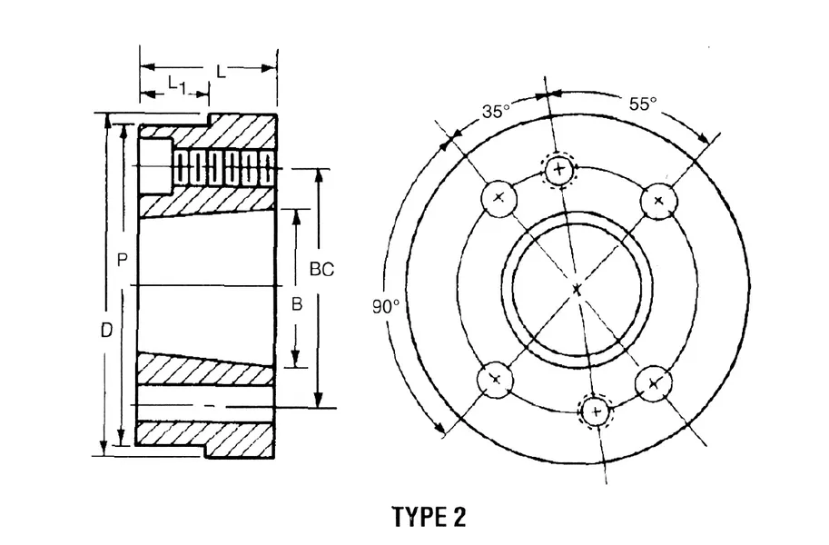
| QD Hub Types | W-A Weld-On Hubs | |
| For Bushing | W QD Bushings | |
| Dimensions (Inches) | D | 15.500" |
| L | 9" | |
| B | 10.437" | |
| P | - | |
| L1 | - | |
| BC | 12 3/4" | |
| Type Drilling | 2" | |
| Weight (lbs) | 300 lbs | |
![]() | ![]() |
![]() | ![]() |
Address
Luotuo Industrial Area, Zhenhai District, Ningbo City, China
Tel
