


WDX | WDO | |
WDX Shaft Direction ![]() | WDO Shaft Direction ![]() | |
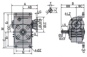
| SIZE | KW | RATIO | A | AB | B | BB | BC | C | CC | E1 | E2 | F | G | M | N | Z | FLANGE | INPUT HOLE | OUTPUT SHAFT | KG | |||||||||
| LA | LB | LC | LE | LG | LZ | Q | U | T×V | LS | S | W×Y | KG | |||||||||||||||||
| 50 | 0.18 | 1/10 1/20 1/30 1/40 1/50 1/60 | 165 | 95 | 145 | 95 | 50 | 110 | 50 | 90 | 110 | 90 | 14 | 225 | 115 | 11 | 115 | 95 | 140 | 5 | 10 | M8 | 25 | 11 | 4×12.5 | 40 | 17 | 5×3 | 7 |
| 60 | 0.37 | 185 | 105 | 165 | 110 | 55 | 120 | 60 | 102 | 129 | 100 | 15 | 257 | 126 | 11 | 130 | 110 | 160 | 5 | 12 | M8 | 35 | 14 | 5×16.3 | 50 | 22 | 7×4 | 10 | |
| 70 | 0.37 | 209 | 115 | 195 | 130 | 65 | 135 | 70 | 120 | 155 | 120 | 20 | 305 | 155 | 15 | 130 | 110 | 160 | 5 | 12 | M8 | 35 | 14 | 5×16.3 | 60 | 28 | 7×4 | 15 | |
| 0.75 | 165 | 130 | 200 | 15 | M10 | 45 | 19 | 6×21.8 | |||||||||||||||||||||
| 80 | 0.75 | 242 | 135 | 210 | 140 | 70 | 155 | 80 | 140 | 180 | 140 | 20 | 350 | 174 | 15 | 165 | 130 | 200 | 5 | 15 | M10 | 45 | 19 | 6×21.8 | 65 | 32 | 10×4.5 | 23 | |
| 1.5 | 55 | 24 | 8×27.3 | ||||||||||||||||||||||||||
| 100 | 1.5 | 310 | 175 | 253 | 163 | 90 | 180 | 100 | 165 | 215 | 190 | 20 | 410 | 224 | 15 | 165 | 130 | 200 | 5 | 15 | M10 | 55 | 24 | 8×27.3 | 75 | 38 | 10×4.5 | 36 | |
| 120 | 2.2 | 361 | 205 | 290 | 190 | 100 | 218 | 120 | 195 | 255 | 220 | 25 | 495 | 264 | 18 | 215 | 180 | 250 | 5 | 18 | M12 | 65 | 28 | 8×31.3 | 85 | 45 | 12×4.5 | 55 | |
| 3.0 | |||||||||||||||||||||||||||||
| 135 | 3.0 | 412 | 235 | 320 | 210 | 110 | 253 | 135 | 230 | 285 | 260 | 30 | 560 | 304 | 18 | 215 | 180 | 250 | 5 | 18 | M12 | 65 | 28 | 8×31.3 | 95 | 55 | 15×5 | 80 | |
| 155 | 5.5 | 442 | 250 | 392 | 252 | 140 | 275 | 155 | 250 | 305 | 280 | 35 | 605 | 330 | 20 | 265 | 230 | 300 | 5 | 22 | M12 | 85 | 38 | 10×41.3 | 110 | 60 | 15×5 | 120 | |
Address
Luotuo Industrial Area, Zhenhai District, Ningbo City, China
Tel
