The Worm Gear Reducer is an innovative product that offers a wide range of features and applications. It is equipped with a self-locking taper shaft connection that allows for on-site replacement without the need to drain oil, disconnect the active gear, or remove the load. This connection method ensures precise alignment and eliminates wear, resulting in faster motor disassembly. The reducer utilizes forged bronze worm wheels for added strength and durability. The output shaft is equipped with roller bearings, enabling it to withstand high overhung loads. Two double-lip oil seals are provided at both the input and output shafts. The power range of the reducer is from 1/3 to 5 horsepower, with a worm and worm/helical gear ratio ranging from 7:1 to 354:1. The entire reducer has a compact and robust physical size. Additionally, users have the option to choose between three-phase and single-phase motors.
We offer a brand replacement for the Worm Gear Reducer, which ensures high quality and competitive pricing. It's important to note that our products are replacement parts and not original manufacturer parts. If you require original manufacturer parts, please contact the respective supplier for purchasing.


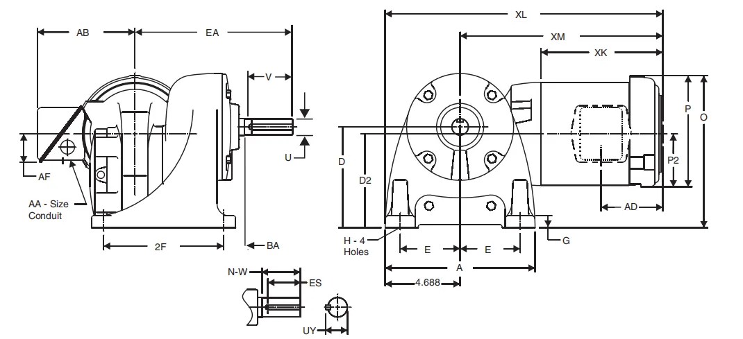
Choosing the right Worm Gear Reducer involves several steps and considerations. The following table outlines the information to be noted:
| Step | Information to Note |
|---|---|
| 1 | Input power (horsepower) |
| 2 | Output torque requirement |
| 3 | Input and output speeds |
| 4 | Operating environment (temperature, humidity, etc.) |
| 5 | Mounting position |

The Worm Gear Reducer is compatible with various motor options, including:

Our company offers several advantages in replacing Browning Worm Reducer:

Expansion based on the content provided (200 words): Our Worm Gear Reducer offers not only innovative features but also exceptional performance. The self-locking taper shaft connection allows for easy on-site replacement without any hassle. This feature eliminates the need to drain oil or disconnect the gear, reducing maintenance time and costs. The forged bronze worm wheels provide superior strength and durability, ensuring a long lifespan. The output shaft, equipped with roller bearings, can handle high overhung loads with ease. With two double-lip oil seals, the reducer maintains excellent sealing properties, protecting it from contaminants and extending its service life. The compact and robust design of the reducer makes it suitable for various applications where space is limited. Whether it's for industrial machinery, conveyor systems, or other power transmission equipment, the Worm Gear Reducer delivers reliable and efficient performance. It is the perfect choice for those seeking a high-quality replacement for Browning Worm Reducer.

A: Yes, the Worm Gear Reducer is designed to withstand various operating conditions, including harsh environments. Its robust construction and sealed design ensure optimal performance and protection against contaminants.
A: Yes, the Worm Gear Reducer is compatible with a wide range of motors. It offers flexibility and can be easily integrated into different systems, regardless of the motor brand.
A: You can explore our product catalog on our website and contact us directly for purchasing information. Our team will be happy to assist you with your order and provide any additional information you may need.
At Raydafon, we specialize in manufacturing high-quality transmission equipment, including Worm Gear Reducers. With over 20 years of experience, we have established ourselves as a reputable company serving customers globally. Our commitment to innovation, advanced production equipment, and industry professionals allows us to deliver top-notch products. We cater to various industries, including equipment, food, car washing, packaging, and more. Our goal is to provide the best service, highest product quality, and competitive prices to our valued customers. We encourage you to explore our Worm Gear Reducer and contact us for any inquiries or to make a purchase.

Address
Luotuo Industrial Area, Zhenhai District, Ningbo City, China
Tel
