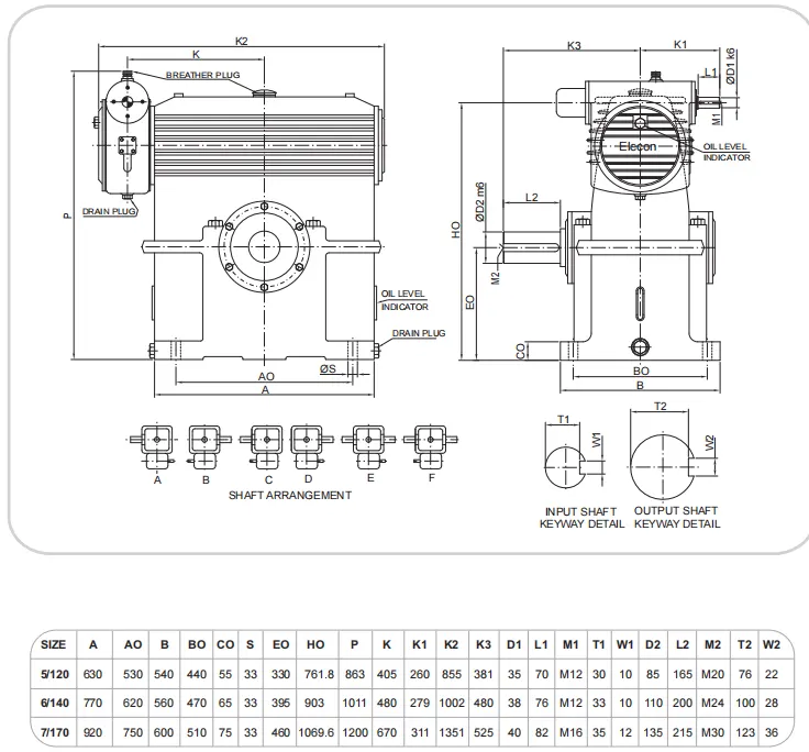
The SFOD 6/140 Worm Gear Unit is a double reduction worm gear unit that can meet the requirements of slow-speed machinery. The transmission ratio ranges from 75:1 to 4900:1, making it suitable for underdrive, overdrive, and vertical assembly conditions. Our company offers Elecon brand replacement worm reducers that are of high quality and competitively priced. It should be noted that our products are replacement parts, not original factory parts. If you need to purchase original factory parts, please contact the original supplier for purchase.

The SFOD 6/140 Worm Gear Unit is a double reduction worm gear unit composed of two single reduction worm gear units. The main worm unit is specially designed to be installed as a whole on the standard single worm unit that constitutes the second stage. The entire gear device is compact and sturdy, suitable for slow-moving machinery. The transmission ratio range is wide, from 75:1 to 4900:1. These gear devices are especially suitable for high torque slow speed drive. Worm gear transmission complies with BS-721 standard. The following are the details:


The SFOD 6/140 worm gear unit is suitable for various working conditions. The following are the specific applications:

When installing, using, and maintaining the equipment, the following points should be noted:

| Issue | Cause | Solution |
|---|---|---|
| Abnormal noise during operation | Insufficient lubricating oil, gear damage | Check and add lubricating oil, replace damaged gears |
| Gear unit overheating | Insufficient lubricating oil, excessive load | Check and add lubricating oil, reduce load |
| Gear unit vibration | Improper installation, gear damage | Reinstall properly, replace damaged gears |
| Gear unit leakage | Damaged seals, loose bolts | Replace damaged seals, tighten bolts |
| Output shaft rotation does not match input shaft rotation | Incorrect wiring of the motor, motor damage | Check the motor wiring, replace the damaged motor |
| Output shaft speed is slow | Excessive load, insufficient power | Reduce load, increase power |
| Output shaft speed is fast | Insufficient load, excessive power | Increase load, reduce power |
| Output shaft does not rotate | Motor damage, coupling damage | Replace the damaged motor, coupling |
Address
Luotuo Industrial Area, Zhenhai District, Ningbo City, China
Tel
