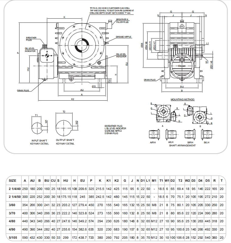
The SNU-SMD 4/90 Worm Gear Unit is a series of double reduction worm gearboxes. It has a minimum gear ratio of 75:1 and a maximum gear ratio of 4900:1, making it suitable for slow-speed machinery. It can be used for underdriven, overdriven, and vertical assembly conditions. Our company provides replacement worm reducers for Elecon brand. Our products are of good quality and offer competitive prices. Please note that we only provide replacement parts and not original parts. If you require original parts, please contact the original supplier to purchase.

The SNU-SMD 4/90 Worm Gear Unit is made up of two single reduction worm gearboxes, with the main worm unit designed to be installed on a standard single worm unit that makes up the second level. The entire gear device is compact and sturdy, suitable for slow-speed machinery. The gear ratio ranges from 75:1 to 4900:1, making these gearboxes particularly suitable for high torque, slow-speed driving. The worm and worm gear transmission is in accordance with the BS-721 standard.


The SNU-SMD 4/90 Worm Gear Unit is particularly useful in industries that require high torque, slow-speed driving. It is suitable for use in conveyors, mixers and agitators, fans and blowers, and cranes and hoists.

When installing, using, and maintaining the equipment, please note the following:

| Problem | Cause | Solution |
|---|---|---|
| Overheating | Excessive load or insufficient lubrication | Reduce the load or increase the amount of lubrication |
| Noisy operation | Worn gears or insufficient lubrication | Replace worn gears or increase the amount of lubrication |
| Abnormal vibration | Loose mounting bolts or damaged gears | Tighten mounting bolts or replace damaged gears |
| Leakage of lubricant | Worn seals or damaged gaskets | Replace worn seals or damaged gaskets |
| Reduced efficiency | Worn gears or insufficient lubrication | Replace worn gears or increase the amount of lubrication |
| Difficulty in shifting gears | Worn gears or insufficient lubrication | Replace worn gears or increase the amount of lubrication |
| Excessive backlash | Worn gears or insufficient lubrication | Replace worn gears or increase the amount of lubrication |
| Chattering | Worn gears or insufficient lubrication | Replace worn gears or increase the amount of lubrication |

Our Elecon Worm Gear Unit Replacement is an excellent alternative to Elecon brand. Our products are of good quality and offer competitive prices. Please note that we only provide replacement parts and not original parts. If you require original parts, please contact the original supplier to purchase. We also offer customization upon request. Our fast and reliable service ensures that you will receive your product promptly and efficiently.

Worm reducers and electric motors are closely related. The worm reducer uses the electric motor as its power source. The worm reducer is designed to reduce the speed of the electric motor and increase its torque. Our company offers various types of electric motors for sale, ensuring that our customers have access to all the necessary components for their machinery.

We are a comprehensive transmission equipment manufacturer, integrating research and development, manufacturing, and sales of speed reducers. We have over 20 years of experience in the design, production, manufacture, and sales of gearboxes, serving customers in Europe, America, Africa, Asia, etc. Our consistent mission and vision over the years, advanced production equipment, and testing equipment at home and abroad, industry professionals, innovative research and development and manufacturing, the use of standardized production management methods to strictly control every aspect of the production of reducers, and the provision of customers with high-quality, energy-efficient, and stable production. Our gearboxes are widely used in the equipment industry, food industry, car washing industry, packaging industry, transmission industry, automation industry, solar energy industry, and so on. Our company is based on providing customers with the best service, highest product quality, and most competitive prices. We have gained an excellent reputation among our customers in Europe and America.
We encourage you to explore our products and contact us for purchases. Thank you for choosing Raydafon!

A: No, the SNU-SMD 4/90 Worm Gear Unit is only suitable for slow-speed machinery.
A: You should contact the original supplier to purchase original parts. Our company only provides replacement parts for Elecon brand.
A: The maximum gear ratio of SNU-SMD 4/90 Worm Gear Unit is 4900:1.
Address
Luotuo Industrial Area, Zhenhai District, Ningbo City, China
Tel
