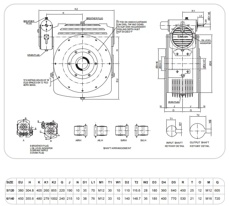
The Worm Reducer-Replacement of Elecon Double Reduction Worm Gear Unit SSMD 5/120 is a high-quality replacement product offered by our company. It is designed to meet the requirements of slow-speed machinery, with a minimum transmission ratio of 75:1 and a maximum ratio of 4900:1. It can be used in under-driven, over-driven, and vertically assembled conditions. Please note that our products are replacement parts for Elecon brand and not original equipment. If you require original equipment, please contact the original supplier for purchasing.
The Worm Reducer-Replacement of Elecon Double Reduction Worm Gear Unit SSMD 5/120 consists of two single reduction worm gear units. The main worm unit is specially designed to be installed on the standard single worm unit, creating a compact and robust gear device suitable for slow-speed mechanical motion. With a wide range of transmission ratios from 75:1 to 4900:1, these gear devices are particularly suitable for high-torque, slow-speed applications. The worm and worm gear drive conforms to BS-721 standard.
This range of products is widely used in various industries for their reliable performance and durability. Please refer to the following image for an application example:
| Issue | Cause | Solution |
|---|---|---|
| 1. Gearbox overheating | Insufficient lubrication or excessive load | Check and replenish lubrication; reduce load |
| 2. Abnormal noise | Worn gears or bearings | Inspect and replace worn parts |
| 3. Leakage of lubricant | Seal damage or improper installation | Replace or reseal the damaged seal |
| 4. Gear teeth wear | Improper maintenance or excessive load | Implement proper maintenance practices; reduce load |
| 5. Excessive vibration | Misalignment or unbalanced load | Align and balance the equipment |
| 6. Gearbox not engaging | Clutch or engagement mechanism failure | Inspect and repair the clutch or mechanism |
| 7. Loss of power transmission | Worn gears or belt/slippage | Replace worn components; adjust belts |
| 8. Excessive backlash | Worn gears or improper adjustment | Replace worn gears; adjust backlash |
We offer Elecon brand replacement worm gear units of superior quality at competitive prices. Please note that our products are replacement parts and not original equipment. If you require original equipment, please contact the original supplier for purchasing. Feel free to explore our products and contact us for purchases. We also welcome customization requests from our customers. Here is an image showcasing one of our Elecon worm gear units:
Electric motors play a crucial role in the operation of worm reducers. As a comprehensive transmission equipment manufacturer, we also offer a wide range of electric motors for sale. The combination of our worm reducers and electric motors ensures efficient and reliable power transmission in various applications. Please refer to the following image for our electric motors:
We are a comprehensive transmission equipment manufacturer, Raydafon, specializing in the research, development, manufacturing, and sales of speed reducers. With over 20 years of experience, we have served customers in Europe, America, Africa, Asia, and other regions, earning a reputation for providing top-quality products and services. Our company is equipped with advanced production and testing equipment, employing industry professionals and technicians to ensure innovative research and development, as well as manufacturing. We strictly adhere to standardized production management methods to ensure the highest quality production. Our gearboxes find wide applications in various industries such as equipment industry, food industry, car washing industry, packaging industry, transmission industry, automation industry, and solar energy industry. We encourage customers to explore our products and contact us for purchases. Your satisfaction is our utmost priority. Please refer to the following image to see our worm gearbox factory:
A: No, this product is specifically designed for slow-speed machinery and may not be suitable for high-speed applications. It is recommended to use the gearbox within its specified limits.
A: No, we only provide replacement parts for Elecon brand worm gear units. If you require original equipment, please contact the original supplier for purchasing.
<Address
Luotuo Industrial Area, Zhenhai District, Ningbo City, China
Tel
