The Worm Reducer-Replacement of Elecon SNU Modular Universal Mounting 2 SNU Worm Gear Unit is a high-quality gear unit that offers exceptional performance and reliability. It features a wide rib design, which increases the heat dissipation area, and a streamlined oil sump that can hold more oil. With a larger capacity fan, the gearbox can withstand higher thermal ratings without a significant rise in temperature. The best part is that the gearbox can be easily replaced without opening it, simply by swapping the fan and fan cover from one end of the worm shaft to the other.
Our company provides Elecon brand replacement worm gearboxes that are of excellent quality and offered at competitive prices. It is important to note that our products are replacement parts and not original equipment manufacturer (OEM) parts. If you require OEM parts, please contact the original supplier for purchasing.

The Worm Reducer-Replacement of Elecon SNU Modular Universal Mounting 2 SNU Worm Gear Unit has a robust structure with a streamlined gearcase made of high-quality cast iron. It is completely oil and dust-proof, eliminating the need for separate covers during outdoor installations. The gearcase undergoes precise drilling and machining using state-of-the-art equipment to ensure perfect alignment and interchangeability.
The worm is made of carburized alloy steel, polished, and seamlessly integrated with the shaft. The bearing journals are precisely ground. The worm wheel is made of centrifugally cast phosphor bronze rim and is machined on a dedicated worm milling machine. It undergoes gas carburizing, grinding, and tooth rolling using a high-precision gear hobbing machine. Each worm wheel is inspected and matched with the main worm to ensure complete interchangeability.
The worm and worm wheel are supported by ball or roller antifriction bearings, which provide sufficient safety margin to withstand axial and thrust loads on the shaft. The gearbox and bearings are designed to handle cantilever loads generated by sprocket or small gear drives. However, complete and detailed information should be provided for confirmation. In cases where the cantilever load is heavy, additional roller bearings can be provided.
The wheel shaft is made of high-strength carbon steel with a larger diameter to withstand torsional and bending loads caused by cantilever drives.

The Worm Reducer-Replacement of Elecon SNU Modular Universal Mounting 2 SNU Worm Gear Unit boasts several notable features:


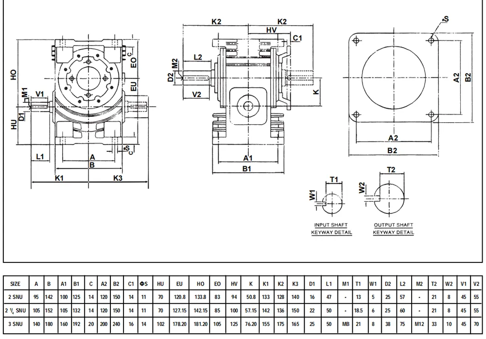
The single-piece universal housing has top and bottom flanges and also provides a support flange, enabling the gearbox to be installed in various positions such as low speed, high speed, and vertical. This allows the internal components to be interchanged for all mounting positions. Simply invert the unit and change the positions of the drain plug, breather plug, and oil level indicator to quickly switch the installation position from low speed to high speed and vice versa. The robust and compact streamlined design ensures ample thermal capacity.

| Issue | Cause | Solution |
|---|---|---|
| Excessive noise | Improper meshing of gears | Adjust gear meshing, ensure proper lubrication |
| Overheating | Inadequate lubrication, excessive load | Ensure proper lubrication, reduce load if necessary |
| Leakage of oil | Worn out seals or gaskets | Replace seals or gaskets |
| Abnormal vibration | Imbalance in rotating parts | Balance rotating parts, check for any loose connections |
| Gear wear | Poor lubrication, misalignment | Ensure proper lubrication, align gears correctly |
When it comes to replacing Elecon brand worm gear units, our products offer several advantages:
Our gear units are designed to meet the highest standards and provide efficient and durable performance. We only offer replacement parts for OEM gearboxes. If you require original equipment, please contact the original supplier. We also welcome customers to provide designs or samples for customized solutions.

Worm reducers and electric motors are closely related and highly important components in transmission systems. Our company not only provides worm reducers but also offers a wide range of electric motors for sale. The efficient combination of worm reducers and electric motors ensures optimal performance and reliable operation in various applications.

Our company, Raydafon, specializes in the production of worm gear units and is a comprehensive transmission equipment manufacturer. With over 20 years of experience, we have gained a strong reputation in the market by providing top-quality products, excellent service, and competitive prices. Our gearboxes are widely used in various industries such as equipment, food, car washing, packaging, automation, solar energy, and more. We serve customers globally, particularly in Europe and America. Our commitment to innovation, quality, and customer satisfaction makes us a trusted choice. We encourage customers to explore our products further and contact us for purchasing.

A: The larger fan and increased heat dissipation area in the gearbox allow it to withstand higher thermal ratings without a significant rise in temperature.
A: Yes, the gearbox is designed with a universal housing that allows for vertical installations
Address
Luotuo Industrial Area, Zhenhai District, Ningbo City, China
Tel
