The Worm Reducer-Replacement of Elecon SNU Modular Universal Mounting 7 SNU-V Worm Gear Unit is a high-quality gearbox designed to meet various application requirements. It comes with a wide rib, increasing the heat dissipation area, and a streamlined oil sump that can carry more oil. The greater capacity fan increases the gearbox's thermal rating. This means that the continuous load-carrying capacity can be increased without significantly increasing the temperature. The gearbox can be replaced without manual replacement by simply replacing the fan and fan cover from one end of the worm shaft to the other end.
We provide Elecon brand replacement worm gearboxes that are high-quality and cost-effective. All our products are replacement parts and not original factory parts. If you need to buy original factory parts, please contact the original supplier for purchase.

The gearbox's casing is made of high-quality cast iron, which is sturdy and durable. It has a streamlined design that is completely oil and dust-proof, making it suitable for outdoor installation without a separate cover plate. The latest precision drilling and processing technology is used for the surface and aperture to ensure perfect alignment and interchangeability.
The worm is made of carburized alloy steel that is ground and polished, combined with the shaft as one. The bearing journal is precisely ground. The worm wheel is made of centrifugally cast phosphor bronze, and the worm is machined on a special worm milling machine, gas carburized and ground on an automatic workpiece grinder. The worm wheel is processed by high-precision hobbing on a precision gear hobbing machine. Each worm wheel is inspected and matched with the main worm shaft to ensure complete interchangeability.
The worm and worm wheel are supported by rolling ball or cylindrical anti-friction bearings, which have sufficient safety margins to withstand sufficient shaft neck and thrust loads. The cantilever load generated by the sprocket or small gear transmission is generally allowed, as the gearbox and bearings are designed for this purpose. However, full and detailed information should be provided to confirm this. An additional roller bearing can be provided in the case of a heavy cantilever load.
The wheel shaft is made of high-strength carbon steel. The large diameter of the wheel shaft can withstand twisting and bending loads that may be caused by cantilever drive.

The Worm Reducer-Replacement of Elecon SNU Modular Universal Mounting 7 SNU-V Worm Gear Unit is a highly efficient gearbox that meets various application requirements. It is designed to be durable and easy to replace, making it an excellent choice for various industries.


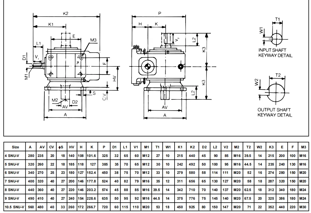
The single-piece universal housing has top and bottom flanges and also offers mounting flanges that make the gearbox suitable for a wide range of installation positions, including low speed, high speed, and vertical. Therefore, internal components can be interchangeable for all mounting positions. Simply invert the device and change the position of the drain plug, vent plug, and oil level indicator to quickly change the mounting position from low speed to high speed, and vice versa. It has a sturdy and compact streamlined design with sufficient heat capacity.

| Problem | Cause | Solution |
|---|---|---|
| Noise | Worm wheel or worm damage | Replace the worm wheel or worm |
| Overheating | Insufficient lubricant, improper lubricant, or oil leakage | Check and add lubricant, use the appropriate lubricant, or repair the oil leakage |
| Vibration | Worm wheel or worm damage, or shaft misalignment | Replace the worm wheel or worm, or adjust the shaft alignment |
| Shaft fracture | Excessive load, improper installation, or material defects | Reduce the load, correct the installation, or replace the material |
| Oil leakage | Seal damage or improper installation | Replace the seal or correct the installation |
We provide Elecon Worm Gear Unit Replacement that is high-quality and cost-effective. Our products are made to meet or exceed Elecon's specifications, and they are available at competitive prices. Our company only provides replacement parts for original factory parts, and we welcome customers to provide drawings or samples for custom production.

Worm reducers and electric motors are critical components of power transmission systems. They work together to ensure optimal performance and efficiency. Our company also provides various types of electric motors for sale to meet the needs of different industries. Choosing the right motor for your worm reducer is crucial to ensure maximum efficiency and performance.

Our Worm Reducer-Replacement of Elecon SNU Modular Universal Mounting 7 SNU-V Worm Gear Unit is a high-quality gearbox designed to meet various application requirements. At Raydafon, we are committed to providing our customers with the best possible products and services. We have over 20 years of experience in the design, production, and sales of gearboxes, serving customers in Europe, America, Africa, Asia, and other regions. Our consistent mission and vision over the years have helped us introduce advanced production equipment and testing equipment at home and abroad. We employ industry professionals and technicians to carry out innovative research and development and manufacturing. We use standardized production management methods to strictly control every aspect of the production of reducers. Our gearboxes are widely used in various industries, including the equipment industry, food industry, car washing industry, packaging industry, transmission industry, automation industry, and solar energy industry. We welcome and trust our customers to explore our products and contact us for purchase.

Q: What is the maximum temperature that the Worm Reducer-Replacement of Elecon SNU Modular Universal Mounting 7 SNU-V Worm Gear Unit can withstand?
A: The greater capacity fan increases the gearbox's thermal rating, which means that the continuous load-carrying capacity can be increased without significantly increasing the temperature.
Q: Can I use the gearbox for outdoor installation?
A: Yes, the gearbox's casing is made of high-quality cast iron, which is completely oil and dust-proof, making it suitable for outdoor installation without a separate cover plate.
Q: What is the difference between Elecon's Worm Gear Unit and your Elecon Worm Gear Unit Replacement?
A: Our Elecon Worm Gear Unit Replacement is made to meet or exceed Elecon's specifications, and they are available at competitive prices. All our products are replacement parts and not original factory parts.
Address
Luotuo Industrial Area, Zhenhai District, Ningbo City, China
Tel
