The Worm Reducer-Replacement of Elecon SNU Modular Universal Mounting 8 SNU-SM Worm Gear Unit is designed with a wide rib, which increases the heat dissipation area. The streamlined oil sump can carry more oil, and the larger fan can increase the thermal rating of the gearbox. All these features mean that the continuous load capacity is increased, while the temperature does not increase significantly.
Our company provides the Elecon brand replacement worm gearbox, which is of good quality and has a competitive price. It is important to note that our products are replacement parts, not original parts. If you need to purchase original parts, please contact the original supplier.

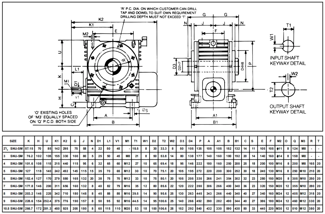
The Worm Reducer-Replacement of Elecon SNU Modular Universal Mounting 8 SNU-SM Worm Gear Unit consists of the following components:
The gearbox housing is designed with a streamlined structure and made of high-density cast iron. It is completely oil and dust-proof, and can be installed outdoors without the need for a separate cover. The surface and aperture are precisely drilled and processed by the latest precision machines to ensure perfect alignment and interchangeability.
The worm is made of carburized alloy steel that has been ground and polished, and is integrated with the shaft. The bearing journal is precisely ground. The worm wheel is made of centrifugally cast phosphor bronze and is processed on a dedicated worm milling machine, followed by gas carburizing and grinding on an automatic workpiece grinding machine. The worm wheel is processed by a precision hobbing machine with high-precision hob cutters. Each worm wheel is inspected and matched with the main worm to ensure complete interchangeability.
The worm and worm wheel are supported by rolling ball or roller bearings, which have sufficient safety margins to withstand sufficient shaft neck and thrust loads. Cantilever loads generated by chain or small gear drives are generally allowed because the gearbox and bearings are designed for this purpose. However, complete and detailed information should be provided to us for confirmation. In cases of heavy cantilever loads, additional roller bearings can be provided.
The shaft is made of high-strength carbon steel. The large diameter of the shaft can withstand twisting and bending loads caused by cantilever drive.



The single-piece universal housing has top and bottom flanges, as well as supporting flanges, which allows the gearbox to have a universal installation position, such as low speed, high speed, and vertical. Therefore, internal components can be interchanged for all installation positions. To switch the installation position from low speed to high speed or vice versa, simply invert the device and change the position of the drain plug, vent plug, and oil level indicator. The sturdy and compact streamlined design has sufficient heat capacity.

| Problem | Cause | Solution |
|---|---|---|
| Excessive noise during operation | Worn bearings, misaligned gears, insufficient lubrication | Replace the bearings, adjust the gears, add lubricant |
| Overheating of gearbox | Insufficient ventilation, excessive load, insufficient lubrication, damaged bearings | Improve ventilation, reduce load, add lubricant, replace damaged bearings |
| Oil leakage from gearbox | Worn seals, damaged housing, excessive pressure, incompatible oil | Replace the seals, repair or replace the housing, reduce pressure, use compatible oil |
| Unusual vibration during operation | Loose bolts, worn bearings, misaligned gears, damaged housing | Tighten bolts, replace bearings, adjust gears, repair or replace housing |
| Shaft breakage or damage | Excessive load, poor material quality, improper installation | Reduce load, use high-quality materials, ensure proper installation |

The electric motor and the Worm Reducer-Replacement of Elecon SNU Modular Universal Mounting 8 SNU-SM Worm Gear Unit are complementary products. The electric motor provides the power source for the worm reducer, while the worm reducer reduces the speed and increases the torque of the electric motor output shaft. Therefore, the motor and worm reducer are important components of the power transmission system, and their performance directly affects the performance of the entire system. Our company also provides various types of electric motors for sale.

Our Worm Reducer-Replacement of Elecon SNU Modular Universal Mounting 8 SNU-SM Worm Gear Unit is of high quality, competitively priced, and widely used in various industries such as equipment, food, car washing, packaging, transmission, automation, and solar energy. We encourage customers to explore this product and contact us for purchase. Our company, Raydafon, is a comprehensive transmission equipment manufacturer with more than 20 years of experience in design, production, manufacture, and sales of gearboxes. We have won the praise of customers in Europe, America, Africa, Asia, and other regions, providing customers with high-quality, energy-efficient, and stable production.

A: The Worm Reducer-Replacement of Elecon SNU Modular Universal Mounting 8 SNU-SM Worm Gear Unit is a replacement part, not an original part. Our product has the same specifications and can be installed and used directly instead of the Elecon brand. However, our product is of good quality and competitively priced.
A: Yes, our company can customize products based on customer requirements.
A: The Worm Reducer-Replacement of Elecon SNU Modular Universal Mounting 8 SNU-SM Worm Gear Unit is widely used in equipment, food, car washing, packaging, transmission, automation, and solar energy industries.
Address
Luotuo Industrial Area, Zhenhai District, Ningbo City, China
Tel
