
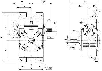
WOY![]() | Shaft Direction![]() |
| SIZE | RATIO | A | A1 | AB | B | BB | BC | CC | E1 | E2 | F | M | N | G | Z | Input Shaft | Output Shaft | ||||
| U | HS | T×V | S | LS | W×Y | ||||||||||||||||
| 40 | 5:1 10:1 15:1 20:1 30:1 40:1 50:1 60:1 | 2.58 | 3.78 | 5.16 | 3.31 | 1.85 | 1.575 | 2.95 | 3.78 | 3.15 | 7.68 | 4.09 | 0.39 | 0.39 | 0.500 | 1.10 | 1/8×1/16 | 0.625 | 1.38 | 3/16×3/32 | |
| 50 | 2.85 | 4.13 | 5.79 | 3.82 | 1.97 | 1.969 | 3.54 | 4.33 | 3.54 | 8.86 | 4.53 | 0.55 | 0.43 | 0.625 | 1.18 | 3/16×3/32 | 0.750 | 1.57 | 3/16×3/32 | ||
| 60 | 3.15 | 4.72 | 6.50 | 4.33 | 2.17 | 2.362 | 4.02 | 5.08 | 3.94 | 10.12 | 4.92 | 0.59 | 0.43 | 0.750 | 1.57 | 3/16×3/32 | 1.000 | 1.97 | 1/4×1/8 | ||
| 63 | 3.37 | 5.08 | 6.93 | 4.45 | 2.48 | 2.480 | 4.13 | 5.55 | 4.33 | 10.87 | 5.90 | 0.59 | 0.43 | 0.750 | 1.57 | 3/16×3/32 | 1.000 | 1.97 | 1/4×1/8 | ||
| 70 | 3.76 | 5.51 | 7.68 | 5.12 | 2.56 | 2.756 | 4.72 | 6.10 | 4.72 | 12.01 | 6.18 | 0.71 | 0.59 | 0.875 | 1.57 | 3/16×3/32 | 1.125 | 2.36 | 1/4×1/8 | ||
| 80 | 4.11 | 6.30 | 8.27 | 5.51 | 2.76 | 3.150 | 5.51 | 7.09 | 5.51 | 13.78 | 6.85 | 0.71 | 0.59 | 1.125 | 1.97 | 1/4×1/8 | 1.375 | 2.56 | 5/16×5/32 | ||
| 100 | 4.78 | 7.00 | 9.96 | 6.42 | 3.54 | 3.937 | 6.50 | 8.46 | 7.48 | 16.14 | 8.82 | 0.79 | 0.59 | 1.375 | 1.97 | 5/16×5/32 | 1.500 | 2.95 | 3/8×3/16 | ||
| 120 | 6.10 | 8.26 | 9.06 | 11.22 | 7.28 | 3.94 | 4.724 | 7.68 | 10.04 | 8.66 | 19.49 | 10.39 | 0.98 | 0.71 | 1.500 | 2.56 | 3/8×3/16 | 1.750 | 3.35 | 3/8×3/16 | |
| 135 | 6.89 | 9.06 | 10.24 | 12.60 | 8.27 | 4.33 | 5.135 | 9.06 | 11.22 | 10.24 | 22.05 | 11.97 | 1.18 | 0.71 | 1.625 | 2.95 | 3/8×3/16 | 2.250 | 3.74 | 1/2×1/4 | |
| 155 | 7.64 | 10.24 | 11.89 | 15.43 | 9.92 | 5.51 | 6.102 | 9.84 | 12.00 | 11.02 | 23.82 | 12.99 | 1.38 | 0.79 | 1.625 | 3.35 | 3/8×3/16 | 2.500 | 4.33 | 5/8×5/16 | |
| 175 | 8.78 | 11.42 | 12.80 | 16.22 | 10.31 | 5.91 | 6.890 | 10.75 | 13.70 | 12.60 | 26.57 | 14.57 | 1.57 | 0.79 | 1.875 | 3.35 | 1/2×1/4 | 2.750 | 4.33 | 5/8×5/16 | |
Address
Luotuo Industrial Area, Zhenhai District, Ningbo City, China
Tel
