WP Series Single Standard Worm Gear Reducer WPKS Worm Gearbox
WP series worm gearbox is developed on the basis of the WD series worm gearbox. The housing is made of rigid cast iron with high strength, which can be suitable for harsh environments. It has various housing designs, the input forms include solid shaft input, hollow hole input, and flange input, and the output forms include solid shaft output and hollow hole output, so the WP series worm gearbox owns a variety of installation forms for option.It can be directly connected to the motor conveniently and be used with various mechanical equipment. It has a self-locking function under certain conditions; thus, the braking device can be saved for mechanical equipment with braking requirements. WP worm gearbox is suitable for the reduction and transmission of various mechanical equipment in plastics, metallurgy, beverages, mining, lifting and transportation, chemical, and construction industries.WP(WPKS)![]() | ![]() | ![]() |
| Type: | WP series Single-stage Speed Reducer-Iron Worm Gearbox |
| Model: | WPKS 40,50,60,70,80,100,120,135,155,175,200,250 |
| Brand name: | EPT |
| Color: | Blue/Green or on request |
| Ratio: | 10-60 |
| Input power: | 0.12-33kw(Under the case of input speed 1500rpm) |
| Output torque: | 6-6025n.m |
| Bearing: | C&U, NSK, SKF, or specified |
| Seal: | CTY, CFW, SKF, or specified |
| Origin: | Zhejiang, China |
| Warranty: | 1 year |
| Product features: | It adopts American technology with durability, stable transmission,large carrying capacity, low noise, compact structure,large transmission ratio and wide power. |
| Application areas: | Textile printing and dyeing, rubber and plastic machinery, building materials machinery, environmental protection machinery, lifting machinery, food packaging, metallurgical machinery, petrochemical industry, stage machinery, and new energy field. |
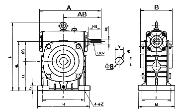
| SIZE | RATIO | A | AB | B | CC | E | F | H | HL | LL | Ms | N | G | Z | INPUT SHAFT | OUTPUT SHAFT | KG | |||
| HS | U | T×V | S | W×Y | ||||||||||||||||
| 50 | 1/101/201/301/401/501/60 | 175 | 105 | 107 | 50 | 95 | 110 | 180 | 130 | 80 | 120 | 140 | 15 | 11 | 30 | 12 | 4×2.5 | 20 | 6×22.8 | 7 |
| 60 | 195 | 120 | 117 | 60 | 105 | 120 | 205 | 150 | 90 | 130 | 150 | 20 | 11 | 40 | 15 | 5×3 | 25 | 8×28.3 | 10.5 | |
| 70 | 234 | 140 | 131 | 70 | 115 | 150 | 235 | 175 | 105 | 150 | 190 | 25 | 15 | 40 | 18 | 5×3 | 30 | 8×33.3 | 14.5 | |
| 80 | 264 | 160 | 144 | 80 | 135 | 180 | 265 | 200 | 120 | 170 | 220 | 25 | 15 | 50 | 22 | 7×4 | 35 | 10×38.3 | 22 | |
| 100 | 322 | 190 | 175 | 100 | 155 | 220 | 327 | 250 | 150 | 190 | 260 | 25 | 15 | 50 | 25 | 7×4 | 40 | 12×43.3 | 36 | |
| 120 | 385 | 230 | 200 | 120 | 180 | 260 | 388 | 300 | 180 | 230 | 320 | 30 | 18 | 65 | 30 | 7×4 | 45 | 14×48.8 | 63 | |
| 135 | 435 | 260 | 212 | 135 | 200 | 290 | 445 | 350 | 215 | 250 | 350 | 30 | 18 | 75 | 35 | 10×4.5 | 60 | 18×64.4 | 80 | |
| 155 | 507 | 302 | 312 | 155 | 220 | 320 | 483 | 390 | 235 | 280 | 390 | 38 | 20 | 85 | 40 | 10×4.5 | 70 | 20×74.9 | 114 | |
| 175 | 550 | 325 | 334 | 175 | 250 | 350 | 540 | 435 | 260 | 310 | 430 | 40 | 20 | 85 | 45 | 12×4.5 | 80 | 22×85.4 | 150 | |
| 200 | 670 | 350 | 346 | 200 | 290 | 390 | 610 | 490 | 290 | 360 | 480 | 42 | 22 | 95 | 50 | 12×4.5 | 85 | 22×89.4 | 218 | |





![]() | ![]() | ![]() |
Address
Luotuo Industrial Area, Zhenhai District, Ningbo City, China
Tel
