WPDZ Series Worm Gearboxes
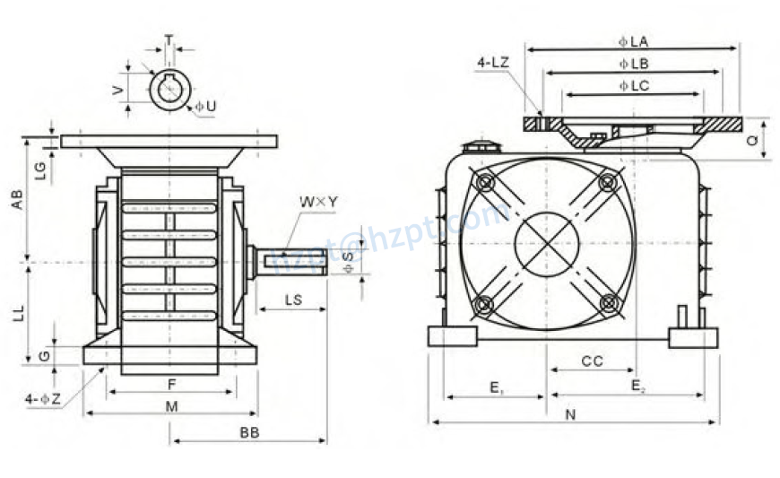
WPDZ series worm gearbox, also known as WP worm gear reducer. It is composed of one or more pairs of meshing gears, worm gears, worms, etc., and is installed in a rigid, sealed housing as an independent component of the machine. It is usually used as a transmission device for deceleration between the prime mover and the working engine. WPDZ series worm gearbox has smooth transmission, low vibration, impact, and noise, large reduction ratio, broad versatility, and can be used with various mechanical equipment. Single-stage messages can obtain a large transmission ratio and compact structure. Most models have better self-locking performance. For motorized equipment with braking requirements, the braking device can be omitted.![]() | ![]() |

![]() | ![]() |

Address
Luotuo Industrial Area, Zhenhai District, Ningbo City, China
Tel
