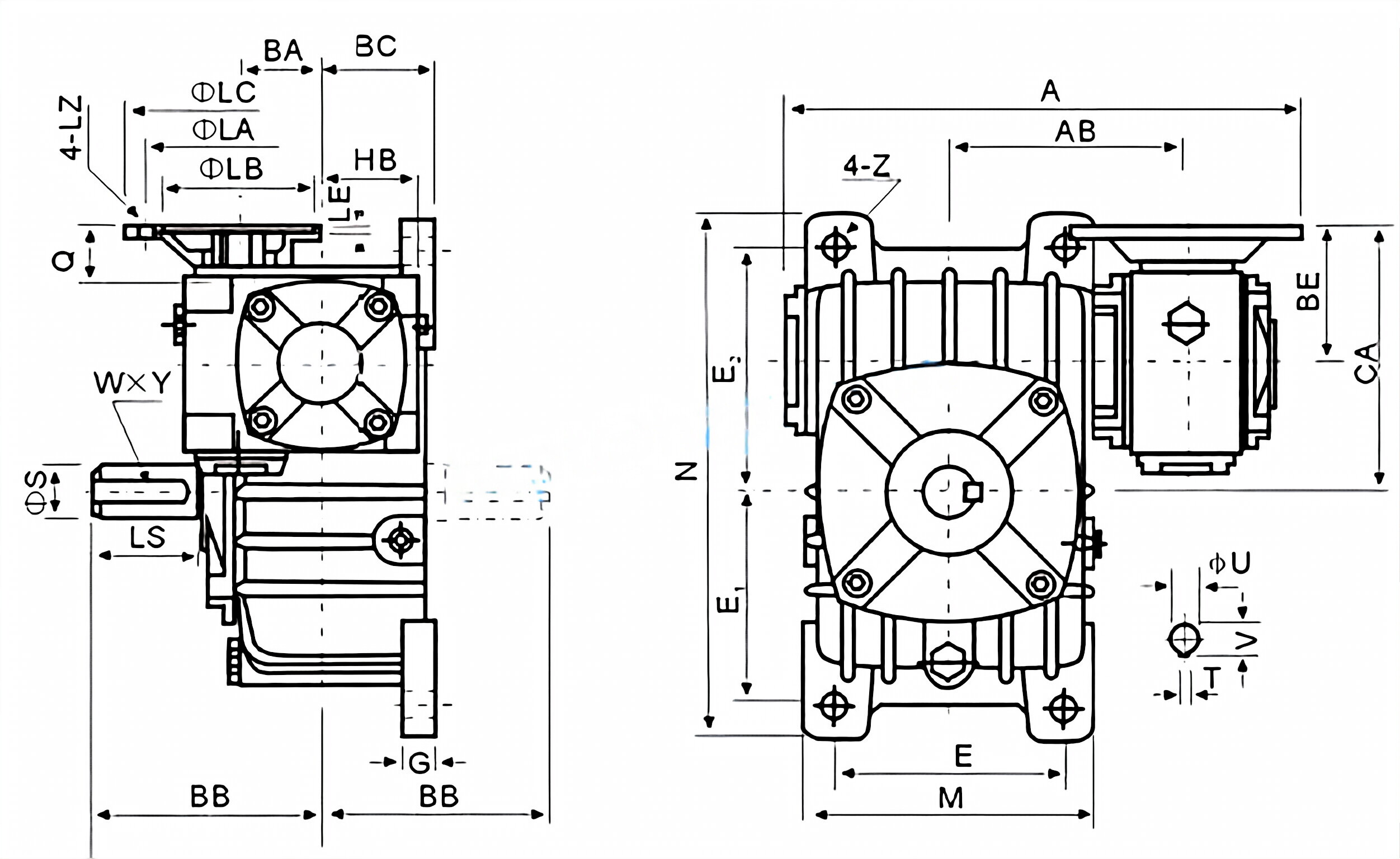
WPEDX Series Double Stage Worm Gearboxes
The double-stage worm gearboxes are one of the models in the WP series of worm gear reducers. It consists of a worm and a worm gear. It has a compact structure, a large transmission ratio, and a transmission mechanism with a self-locking function under certain conditions. It is one of the most commonly used reducers. The working environment temperature is -40℃-+40℃. When the working environment temperature is lower than 0℃, the lubricating oil must be heated to above 0℃ before starting. Cooling measures must be taken when the working environment temperature exceeds 40℃.![]() | ![]() |
| Model NO. | WP series |
| Manufacturing Method | Cast Gear |
| Toothed Portion Shape | Spur Gear |
| Type | Worm and Worm wheel |
| Gearing Arrangement | Worm |
| Output Torque | 19-2745n.M |
| Rated Power | 0.06-15kw |
| Input Speed | 1400 |
| Output Speed | 0.3-186rpm |
| Model Number | WPEDX |
| Brand Name | EPT |
| Color | Green, Blue, or According to Custom request |
| Extra Service | OEM Welcome |
| Specification | ISO9001 |
| Origin | Zhejiang, China |

![]() | ![]() |



![]() | ![]() | ![]() |
Address
Luotuo Industrial Area, Zhenhai District, Ningbo City, China
Tel
