WPKS Series Worm Gearboxes
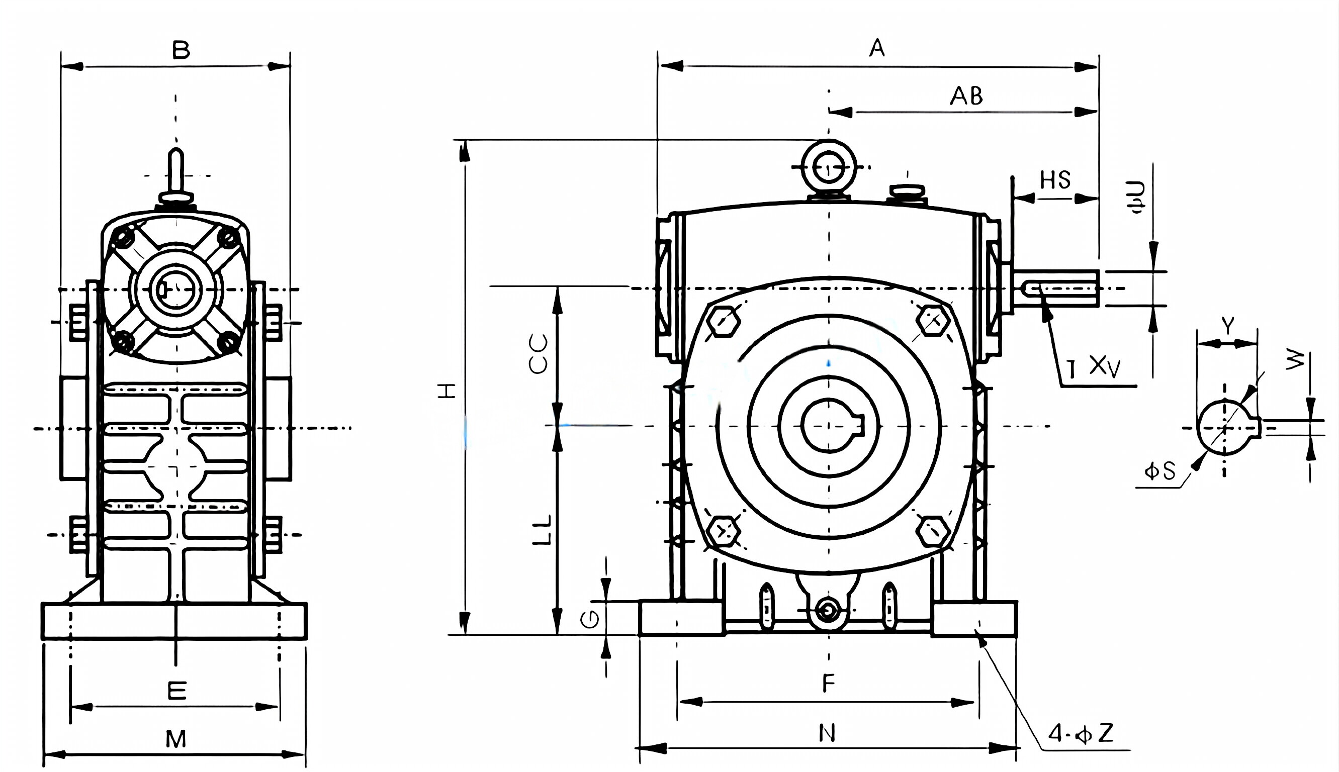
The basic structure of a worm gearbox is mainly composed of transmission parts, worm gear, shaft, bearing, box, and accessories. It can be divided into three essential structural parts: box, worm gear, and worm, approach, and shaft combination. The box is the base of all accessories in the worm gear reducer. It is an essential accessory to support and fix the shafting components, ensure the correct relative position of the transmission accessories and keep the load acting on the reducer. The worm gear is mainly used to transmit the motion and power between the two staggered shafts, and the bearing and shaft are mainly used to send energy, operate, and improve efficiency.![]() | ![]() |

![]() | ![]() |


Address
Luotuo Industrial Area, Zhenhai District, Ningbo City, China
Tel
