Raydafon Technology Group Co.,Limited
Raydafon Technology Group Co.,Limited
Products
Products
WPO Series Worm Gearboxes
  • WPO Series Worm GearboxesWPO Series Worm Gearboxes

WPO Series Worm Gearboxes

Discover Raydafon Group's WPO Series Worm Gearboxes, engineered for precise motion control in industrial automation and machinery. Featuring durable materials, compact design, and high torque efficiency, they deliver reliable performance in demanding applications like packaging and conveyor systems. Unique to Raydafon, these gearboxes minimize vibration and noise, ensuring smooth operation and long-term durability. Ideal for engineers and manufacturers seeking robust, low-maintenance solutions, they inspire confidence by solving alignment and wear issues. Stand out with superior quality—elevate your equipment with Raydafon today.
WPO series worm gearbox is developed based on the WD reducer, the worm 45 # high-quality steel heat treatment processing. It has good wear resistance, especially in bearing capacity. It is mainly suitable for decelerating the transmission of various mechanical equipment such as plastics, metallurgy, beverage, mine, lifting and transportation, chemical construction, etc.- Output ShaftMedium carbon steel S45C, precision process, and grinding with CNC lathe.- Worm WheelAluminum brass ALBC3 and FC20, shaping cutter and computer auxiliary design low friction coefficient, durability in use,- Output Shaft CoverCast iron FC20 or cast aluminum AL- Outer ShellCast iron FC20, one-line body, high intensity, elegant appearance, remarkable radiating effect.- Worm ShaftMedium carbon steel S45C or SCM21, cut by precision tooth-rolling machine, after being heated, grind the tooth so that the tooth is correct and smooth, high efficiency in operation, and without noise.- Worm Gearbox Input Shaft CoverCase iron FC20 or cast aluminum AL
WPO Series Worm GearboxesWPO Series Worm Gearboxes

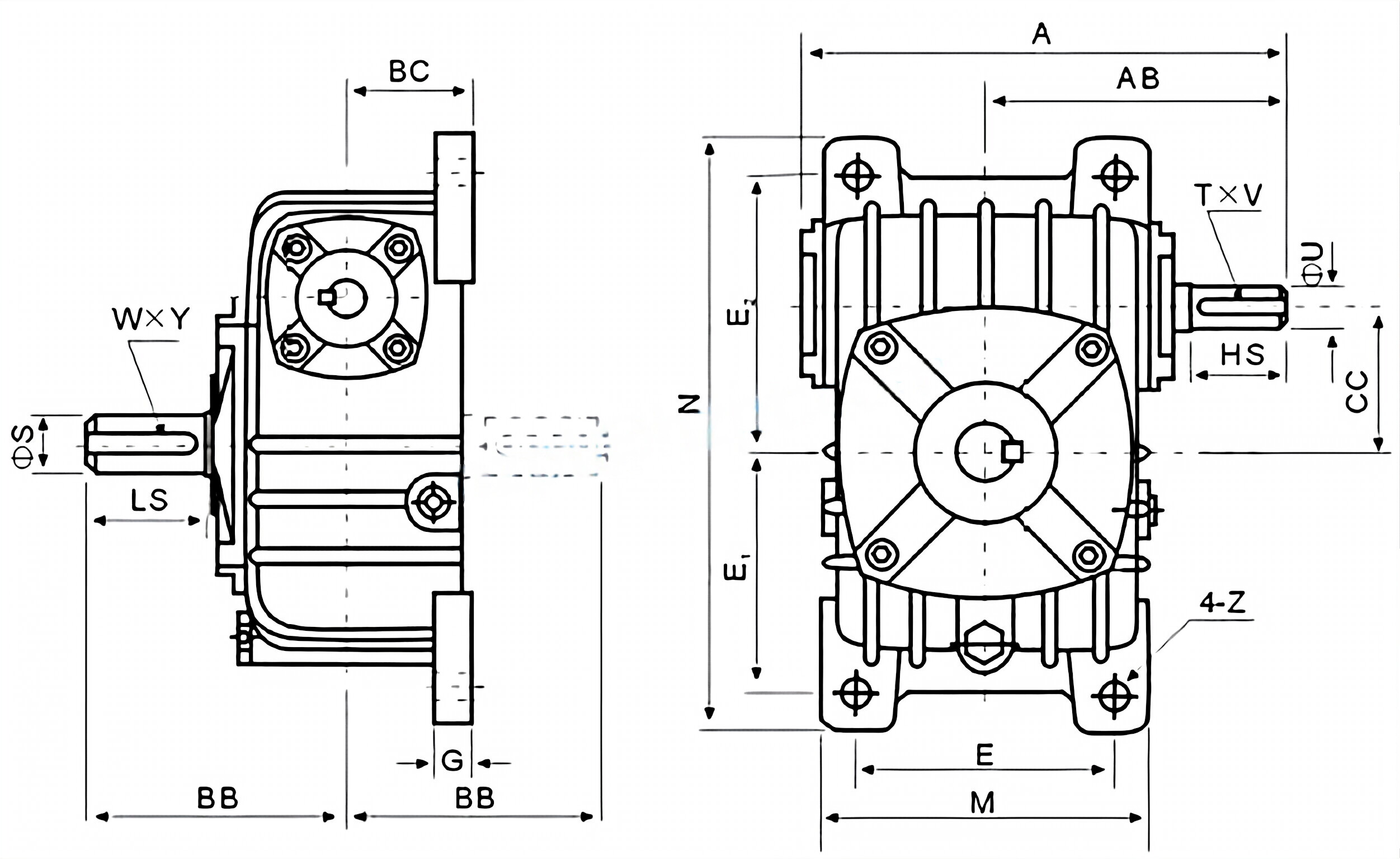
Specifications Parameter

WPO Series Worm Gearboxes

Features of WPO Series Worm Gearbox

1. Stable transmission, low vibration, impact, and noise, large reduction ratio, wide versatility, and suitable for use with various mechanical equipment.2. Large transmission ratio can be obtained by single-stage transmission with a compact structure. Most reducers have suitable self-locking properties and can save the brake device for mechanical equipment requiring brakes.3. The meshing friction loss between worm screw teeth and worm gear surface is relatively large, so the transmission efficiency is lower than that of the gear, it is easy to be heated, and the temperature is higher.4. Higher requirements for lubrication and cooling.5. Good interfitting. National standards manufacture the worm and worm.

We also Provide Other Series of Single Speed Gearbox

WPO Series Worm Gearboxes

Precautions for Use

(1) Before use, attention should be paid to whether the reducer type structure, center distance specifications, transmission ratio, input shaft connection mode, output shaft structure, input shaft output shaft pointing, and rotation direction meets the requirements.(2) Fill in the suitable type and grade of a lubricating oil according to the requirements specified in "Selection of Lubricating Oil Use" on the sample. After refueling, tighten the aerator of the item part and pull out the small cone plug on the aerator before the reducer can start to operate. Must choose the appropriate brand of embellishment(3) Oil must control the appropriate amount of refueling according to the requirements of a timely oil change, especially paying attention to the first use of 100 hours after replacing new oil.(4) If any abnormal situation occurs during the use, it should be stopped for inspection in time and can be handled by referring to the table of "Fault Causes and Solutions." (The maximum oil temperature of the reducer is allowed to reach 95℃. Under this temperature limit, as long as the oil temperature does not rise, it can be used safely).

Solutions and Reasons for the General Faults

WPO Series Worm Gearboxes WPO Series Worm Gearboxes

Packing and Transportation

●Packaging: To ensure the integrity of product appearance, we will choose cartons, wooden pallets, and wooden pallets according to customer needs.●Delivery time: Each reducer is manufactured and tested by strict and fixed procedures to ensure that the quality is correct before leaving the factory and delivery on time.●Transportation mode: We will choose the most suitable mode of transportation for our customers according to the weight and size of the goods. We can also choose the mode of transportation according to the needs of our customers.●Receiving and after-sales service: After receiving the goods, please check whether they are in good condition. We will provide customers with perfect after-sales service.WPO Series Worm Gearboxes

Company Profile

We handle power transmission products; our lines mainly cover series products in speed reducers, gearboxes, associated electrical motors, and other power transmission accessories. Based on their versatile functions, our products can be utilized in many fields: wastewater treatment machines, dredgers, the chemical industry, cranes, metalworking mills, conveyors, the paper industry, the cement industry, cableways, and so on. With excellent quality and reasonable prices, our products enjoy a good reputation from customers and peers worldwide.Furthermore, the R&D investment is increasing annually to meet our customers' new demands better and adapt to the recent tendency of the industry. Depending on the principles of honestly operating and mutual benefit, We sincerely look forward to cooperating with you.
Hot Tags: WPO Series Worm Gearboxes, Custom Worm Gearbox Supplier, Industrial Gearbox Manufacturer China
Send Inquiry
Contact Info
Get customized quotes for transmission components, gearboxes, and machinery. Our engineers will respond within 24 hours.
Online
X
We use cookies to offer you a better browsing experience, analyze site traffic and personalize content. By using this site, you agree to our use of cookies. Privacy Policy
Reject Accept