
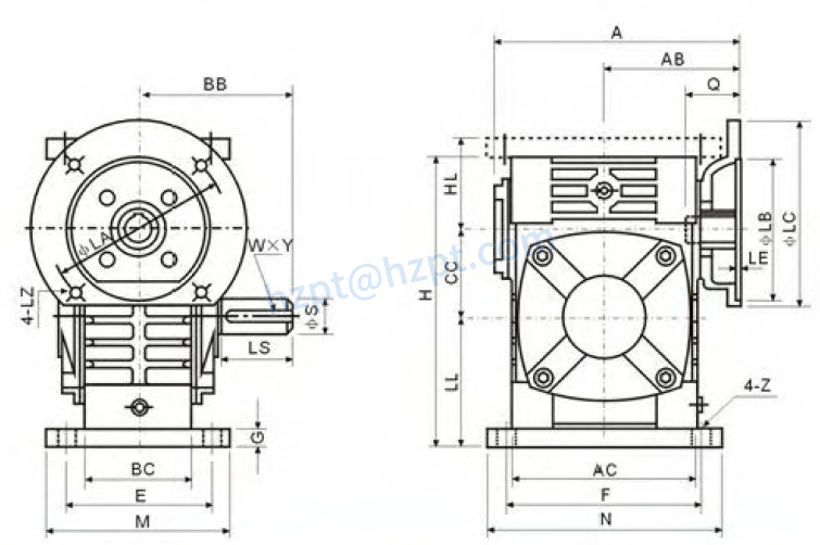
WPWDA Series Universal Speed Worm Gearboxes
Worm gearboxes are called worm gearboxes or worm gearboxes, and worm gearboxes. It is mainly composed of worm gears or gears, shafts, bearings, and chassis. The worm gears or gears, shafts, and bearings are all supported by the chassis. Therefore, the housing of the reducer must have sufficient hardness to avoid deformation after loading and resulting in a decrease in transmission quality. Worm gearboxes are widely used due to their durability, large transmission ratio, small size, strong self-locking ability, simple structure, and easy manufacturing, but their relatively low transmission efficiency.![]() | ![]() |
| Type | Speed reducer Worm gearbox |
| Model | WPWDA Speed Reducer |
| Ratio | 1:10,15,20,25,30,40,50,60 |
| Color | Blue.Green Or On Customer Request |
| Material | Housing: Die-Cast Iron cast |
| Worm Gear-Copper-9-4# | |
| Worm-20CrMn Ti with carburizing and quenching, the surface hardness is 56-62HRC. | |
| Shaft-chromium steel-45# | |
| Packing | Carton and Wooden Case |
| Warranty | 1 Year |
| Usages | Industrial Machine: Food Stuff, Ceramics, Chemicals, Packing, Dyeing, Woodworking, Glass. |
| IEC Flange | 56B14, 63B14, 63B5, 63B5, 71B14,80B14 AND SO ON |
| Lubricant | Synthetic&Mineral |






Address
Luotuo Industrial Area, Zhenhai District, Ningbo City, China
Tel
