
WPWDS Series Universal Speed Worm Gearboxes
Worm gear reducer design To improve its application power, the worm gear adopts non-ferrous metals as the primary data. The worm is generally made of hard steel, so it is easy to generate a large amount of heat during use, plus the influence of the ambient temperature. The temperature of the reducer is challenging to control—the range of working temperature. The working temperature of the worm gear reducer should be maintained at -40℃~40℃. When the ambient temperature is lower than 0 ℃, it should be heated before entirely dissolving the lubricating oil or using low freezing point lubricating oil.![]() | ![]() |
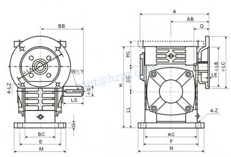
| Type | Speed reducer Worm gearbox |
| Model | WPWDS gearbox speed reducer |
| Ratio | 1:10, 15, 20, 25, 30, 40, 50, 60 |
| Color | Blue. Green Or On Customer Request |
| Material | Housing: Die-Cast Iron cast |
| Worm Gear-Copper-10-3# | |
| Worm-20CrMn Ti with carburizing and quenching, the surface hardness is 56-62HRC | |
| Shaft-chromium steel-45# | |
| Packing | Carton and Wooden Case |
| Warranty | 1 Year |
| Input Power | 0.12-15 KW |
| Usages | Industrial Machine: Food Stuff, Ceramics, Chemicals, Packing, Dyeing, Woodworking, Glass. |
| IEC Flange | 56B14, 63B14, 63B5, 63B5, 71B14, 80B14 AND SO ON |
| Lubricant | Synthetic&Mineral |

![]() | ![]() |
3. The transmission of small helical gear is worn. It generally occurs on vertically installed reducers, mainly related to the amount of lubricating oil added and the type of oil. When installed vertically, it is easy to cause insufficient lubricating oil. When the reducer is started, the gears are mechanically worn or damaged due to inadequate lubrication. When the reducer stops running, the transmission gear oil between the motor and the reducer is lost, and the gears cannot be properly lubricated and protected.4. The worm bearing is damaged. When a failure occurs, even if the gearbox is well sealed, it is often found that the gear oil in the gearbox is emulsified, and the bearings are rusted, corroded, and damaged. This is because the condensed water generated after the gear oil temperature rises and cools after the reducer runs for some time is mixed with water. Of course, it is also closely related to the bearing quality and assembly process.

Address
Luotuo Industrial Area, Zhenhai District, Ningbo City, China
Tel
