
WPWEDK Series Double Stage Worm Gearboxes
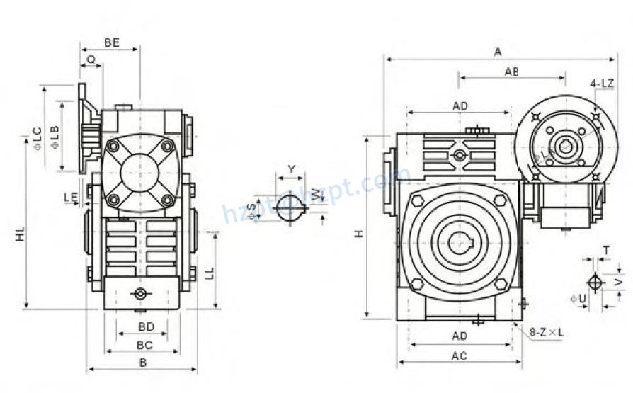
WPWEDK series worm gearbox is developed based on a wheeled gear reducer. The worm is made of 45# high-quality steel after heat treatment, and the worm gear is made of tin bronze. The box is made of high-quality alloy die casting, with solid strength, lightweight, beautiful appearance, high heat dissipation performance, environmental protection, long service life, and so on. It is the best choice for modern transmission devices to realize single-machine transmission and electromechanical integration of production lines. They are widely used in food machinery, printing machinery, metallurgical machinery, wire and cable machinery, transmission machinery, chemical machinery, textile machinery, printing and dyeing machinery, medicine, and so on: machinery and other fields.![]() | ![]() |



![]() | ![]() |


Address
Luotuo Industrial Area, Zhenhai District, Ningbo City, China
Tel
