WPWEDKO Series Double Stage Worm Gearboxes
Worm gearboxes generally use 220# gear oil. For heavy-duty, frequent starting, and poor operating environments, some smooth oil additives can be used to ensure that the gear oil is still attached to the surface of the gear when the reducer is suspended. Membrane to avoid direct contact between metals under heavy load, low speed, high torque, and start. The booster contains a seal ring regulator and a leak-proof agent to make the seal ring soft and elastic, reducing smooth oil leakage. Selection of gear unit orientation. When the orientation permits, try not to use a vertical device. When the vertical machine is installed, the increase of smooth oil is much more than that of the horizontal machine, and it is easy to cause heat generation and oil leakage of the reducer.![]() | ![]() |
| Type | worm gearbox |
| Model | WPWEDKO |
| Ratio | 1:200,300,400,500,600,800,900 |
| Color | Blue/Green Or On Customer Request |
| Material | |
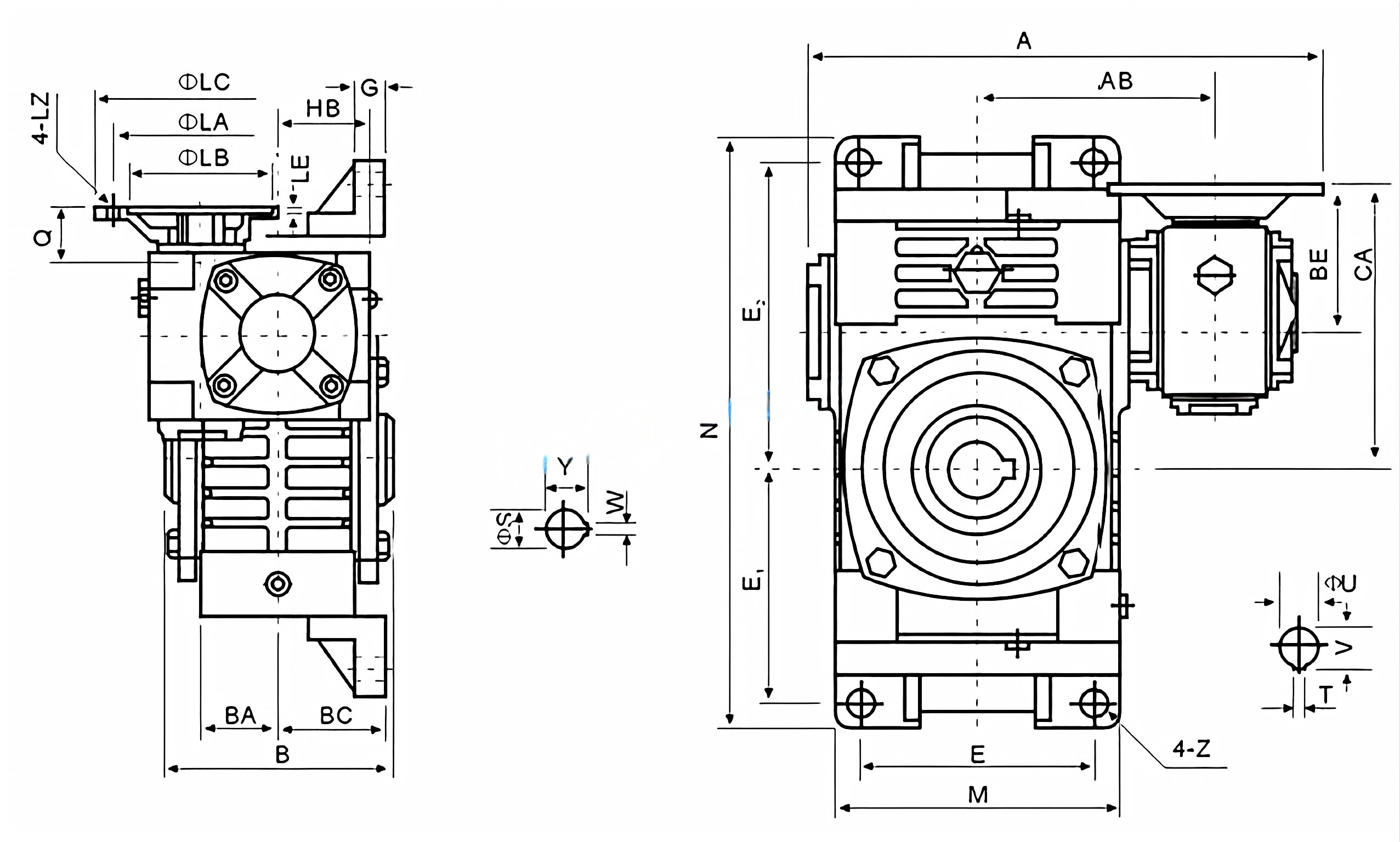
| Housing | Die-Cast Iron castWorm Gear-Copper-10-3#Worm-20CrMn Ti with carburizing and quenching, surface harness is 56-62HRCShaft-chromium steel-45# |
| Packing | Carton and Wooden Case |
| Warranty | 1 Year |
| Usages | |
| Industrial Machine | Food Stuff, Ceramics, CHEMICAL, Packing, Dyeing, Woodworking, Glass. |
| IEC Flange | 56B14, 63B14, 63B5, 63B5, 71B14,80B14 AND SO ON |
| Lubricant | Synthetic&Mineral |





Address
Luotuo Industrial Area, Zhenhai District, Ningbo City, China
Tel
