Raydafon Technology Group Co.,Limited
Raydafon Technology Group Co.,Limited
Products
Products
WPX Series Worm Gearboxes
  • WPX Series Worm GearboxesWPX Series Worm Gearboxes

WPX Series Worm Gearboxes

Discover the WPX Series Worm Gearboxes by Raydafon Group, engineered for high torque and reliable power transmission in industrial applications. Featuring durable construction and smooth operation, these gearboxes are ideal for conveyor systems, packaging machinery, and more, offering unmatched precision and efficiency. Experience reduced downtime and enhanced performance with Raydafon Group's innovative design. Choose excellence today!
WPX series worm gearboxes feature a vertical output shaft. Since its worm and sheel are constantly immersed in lubricating oil, it is ideal for low-speed, high-torque applications in various mixing equipment.

Features:

1. The reducer is widely used in the light industry, has good resistance to wear, high precision in dimensions, lower noise,advanced centric running castings2. The housing is of strong hardness, compact structure3. Stable transmission, low vibration, large ratio, can be matched with various machines
WPX Series Worm GearboxesWPX Series Worm Gearboxes

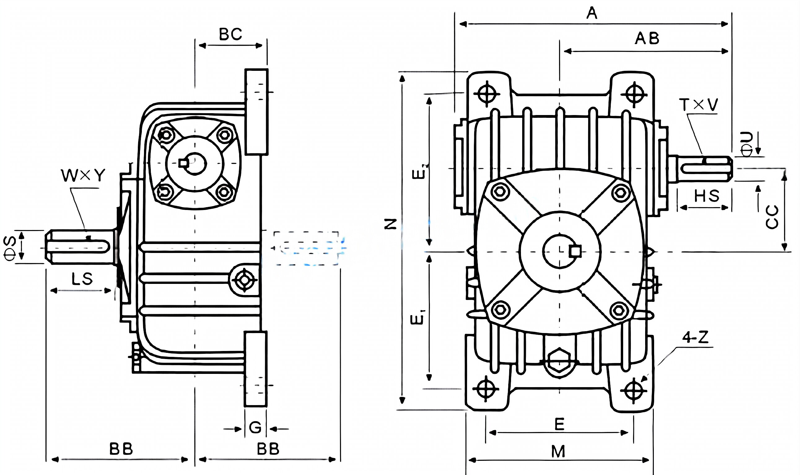
Specifications Parameter

WPX Series Worm Gearboxes

Other Models & Variants:

WPA Series - Lower Input ShaftWPS Series - Upper Input ShaftWPDA Series - Lower Input FlangeWPDS Series - Upper Input FlangeWPO Series - Vertical Upward Output ShaftWPX Series - Vertical Downward Output ShaftWPDO Series - Vertical Upward Output Shaft, Input FlangeWPDX Series - Vertical Downward Output Shaft, Input FlangeWPX Series Worm Gearboxes

Installation Precautions

(1) The gearboxes must be installed on a flat and solid base, and the bottom bolts must be tightened and shock-proof.(2) The extension of the connecting shaft of the prime mover, gearbox, and working machine must be accurately aligned with each other after installation.(3) The outer diameter tolerance of shaft extension at the gearbox's input and output end shall be made according to h6. The inner holes of the transmission parts, such as coupling, belt pulley, and sprocket, shall be prepared according to the appropriate tolerance size to avoid the bearing being damaged by the too-tight assembly and the normal power transmission being affected by the too-loose assembly.(4) Sprocket, gear, and other transmission parts installed shaft extension should be as close to the bearing as possible to reduce shaft extension bending stress.(5) When assembling the motor of WPD gearboxes, butter should be applied in the inner hole wall of the worm head and the fundamental way to avoid too tight assembly and prevent the axle hole from rusting.(6) When ordering all kinds of WPD gearboxes, support devices should be set up if the motor weight is too large.

Application of WPX Series Worm Gearboxes

It is mainly suitable for the deceleration transmission of various mechanical equipment such as plastics, metallurgy, beverage, mine, lifting and transportation, chemical construction, etc.WPX Series Worm Gearboxes WPX Series Worm Gearboxes

Packing and Transportation

●Packaging: To ensure the integrity of product appearance, we will choose cartons, wooden pallets, and wooden pallets according to customer needs.●Delivery time: Each reducer is manufactured and tested by strict and fixed procedures to ensure that the quality is correct before leaving the factory and delivery on time.●Transportation mode: We will choose the most suitable mode of transportation for our customers according to the weight and size of the goods. We can also choose the mode of transportation according to the needs of our customers.●Receiving and after-sales service: After receiving the goods, please check whether they are in good condition. We will provide customers with perfect after-sales service.WPX Series Worm Gearboxes

Company Profile

Raydafon Machinery Co., Ltd. is one of the largest manufacturing companies of Archimedes and gradual worm gearboxes in China. It has first-class processing equipment and testing equipment at home and abroad. It has introduced advanced technology from America, Japan, Germany, Italy, and other countries and has developed 11 series of worm gearboxes with more than 10,000 kinds of specifications. Products cover metallurgy, stone, woodworking, tobacco, food, leather, textile, glass, medical, chemical, light industry, rubber and plastic, and other industries; the products are shipped to Europe, America, and Southeast Asia.Company in line with a professional, efficient, robust, innovative concept, cultivate unity, dedication, professionalism, and skilled staff, adheres to humanized management, building a harmonious enterprise. The first one in the industry through the ISO9001-2000 international quality system certification, the company will strive hard, take the road of scientific and technological innovation, regard customer satisfaction as our highest pursuit, and continue to hold high in the forefront of the industry.
Hot Tags: WPX Worm Gearboxes Manufacturer, Custom Worm Gearboxes Supplier, High Torque Gearboxes Wholesale
Send Inquiry
Contact Info
Get customized quotes for transmission components, gearboxes, and machinery. Our engineers will respond within 24 hours.
Online
X
We use cookies to offer you a better browsing experience, analyze site traffic and personalize content. By using this site, you agree to our use of cookies. Privacy Policy
Reject Accept