Raydafon Technology Group Co.,Limited
Raydafon Technology Group Co.,Limited
Products
Products
YGD Light Rod Hydraulic Cylinder
  • YGD Light Rod Hydraulic CylinderYGD Light Rod Hydraulic Cylinder

YGD Light Rod Hydraulic Cylinder

Discover Raydafon Group's YGD Light Rod Hydraulic Cylinder—a robust and efficient solution for heavy-duty industrial applications. Engineered with premium materials and advanced technology, it offers superior durability and precise control, ideal for manufacturers and engineers seeking reliable performance. Experience enhanced productivity and smoother operations, thanks to its innovative design that reduces maintenance needs. Stand out with our commitment to quality and innovation, tailored for demanding environments where excellence matters. Upgrade your equipment today and feel the difference with Raydafon Group.

YGD Light Rod Hydraulic Cylinder

YGD light rod hydraulic cylinder is the company's advantage products, rich manufacturing experience, mature technology, and cost-effectiveness. The light rod hydraulic cylinder's cylinder adopts a seamless steel pipe. The different working pressures allow steel pipes of varying wall thicknesses to be selected. The inner diameter processing precision is high, the structure is compact, the weight is light, and the installation and connection methods are diverse. It has the advantages of good low-speed performance and stable buffer performance, and the pressure range is 3.5-17MPA, which is widely used in the hydraulic system of machine tools, textiles, plastics, and agricultural machinery and equipment.YGD Light Rod Hydraulic Cylinder

Technical Specification Of YGD Light Rod Hydraulic Cylinder:

1, The use of pressure below 5Mpa is recommended to use our factory's factory standard low-pressure tie rod hydraulic cylinder, short processing period, cost-effective:2. Minimum pressure: A certain minimum force is required to ensure the function of the hydraulic cylinder according to the specific application. When there is no load, the recommended minimum pressure for a single lever hydraulic cylinder is 1MPA.3, Hydraulic cylinder installation: Only allow in the case of no pressure, hydraulic cylinder installation, and screw the piston rod end into the machine parts.4, Primer: no special instructions; hydraulic cylinders use a gray primer.5, Limited by stroke length, cylinder diameter, and rated working pressure, the YGD series tie rod hydraulic cylinder is usually suitable for stroke ≤1.5m, cylinder diameter ≤250mm, and rated pressure PN≤21MPa.If the cylinder diameter is too large, the rated pressure is too high, or the stroke is too long, welding structure is recommended;1) When the length of the rod is too long, it is easy to deviate during installation, resulting in leakage of the cylinder end.2) When the inner diameter of the cylinder is too large, or the rated pressure is too high, the diameter of the tie rod is limited due to the disassembly problem of the radial size arrangement, resulting in the tensile stress of the tie rod may exceed the yield limit.

YGD Light Rod Hydraulic Cylinder:

(1) TB Type Four Rod Hydraulic Cylinder

YGD Light Rod Hydraulic Cylinder YGD Light Rod Hydraulic Cylinder

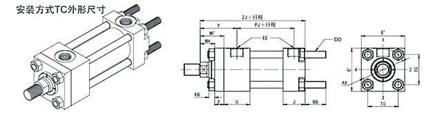
(2) TC Type Four Rod Hydraulic Cylinder

YGD Light Rod Hydraulic Cylinder YGD Light Rod Hydraulic Cylinder

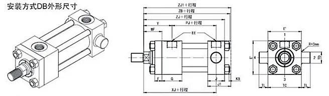
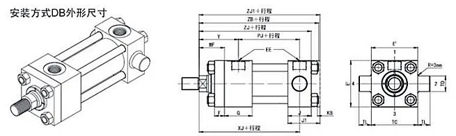
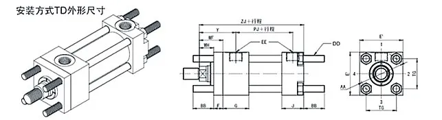
(3) TD Type Four Rod Hydraulic Cylinder

YGD Light Rod Hydraulic Cylinder YGD Light Rod Hydraulic Cylinder

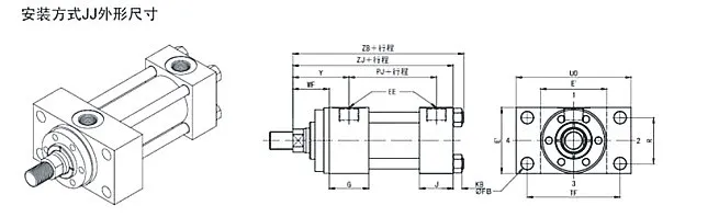
(4) Front Cover Rectangular Flange Four Rod Hydraulic Cylinder

YGD Light Rod Hydraulic Cylinder YGD Light Rod Hydraulic Cylinder

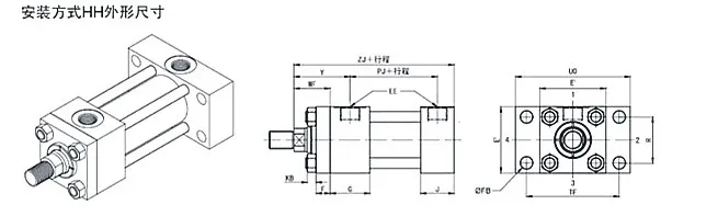
(5) Rear Cover Rectangular Flange Four Rod Hydraulic Cylinder

YGD Light Rod Hydraulic Cylinder YGD Light Rod Hydraulic Cylinder

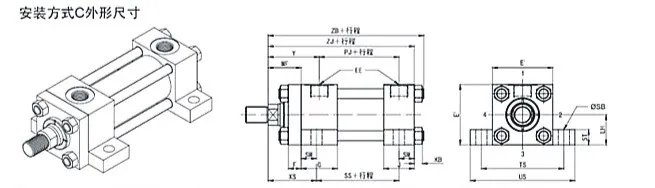
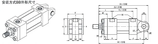
(6) C Type Seat Four Rod Hydraulic Cylinder

YGD Light Rod Hydraulic Cylinder YGD Light Rod Hydraulic Cylinder

(7) Rear Single Earring Four Rod Hydraulic Cylinder

YGD Light Rod Hydraulic Cylinder YGD Light Rod Hydraulic Cylinder

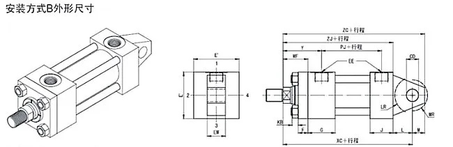
(8) Rear Double Earring Four Rod Hydraulic Cylinder

YGD Light Rod Hydraulic Cylinder YGD Light Rod Hydraulic Cylinder

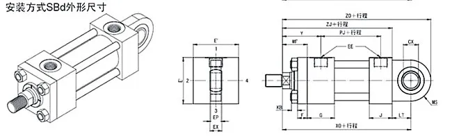
(9) Rear Earring With Spherical Bearing Four Rod Hydraulic Cylinder

YGD Light Rod Hydraulic Cylinder YGD Light Rod Hydraulic Cylinder

(10) Front Cover Trunnion Four Rod Hydraulic Cylinder

YGD Light Rod Hydraulic CylinderYGD Light Rod Hydraulic Cylinder

(11) Rear Cover Trunnion Four Rod Hydraulic Cylinder

YGD Light Rod Hydraulic CylinderYGD Light Rod Hydraulic Cylinder

(12) Middle Fixed Trunnion Four Rod Hydraulic Cylinder

YGD Light Rod Hydraulic CylinderYGD Light Rod Hydraulic Cylinder

(13) Double Piston Rod Hydraulic Cylinder

YGD Light Rod Hydraulic Cylinder

Technical Parameter Of Light Rod Hydraulic Cylinder:

YG C-D /d E x 200-TB 4 1 1 1-y *C - Type: C= differential cylinder; D= constant speed cylinderD/d - Cylinder diameter/rod diameterE - Pressure grade: C=7MPa; E=16MPa; D=21MPa200 - Stroke mmTB - Installation mode: TB= Pull rod extends out of front cover end; TC= Pull rod extends back cover end; TD= Tie rod extends both ends; JJ= front cover rectangular flange; HH= rear cover rectangular flange; C= side lugs (C-type seat); B= back single earring; BB= Back earrings; SBd= rear earring with spherical bearing; D= front cover trunnion; DB= rear cover trunnion; DD= middle fixed trunnion4 - piston rod end mode: 3= non-standard piston rod end; 4= piston rod end external thread; 9= piston rod end internal thread1 - oil connection mode: 1= inch internal thread; 2= metric internal thread1 - Oil port position (from the piston rod end to see the oil port position, see the figure below)1 - Buffer position: 1= buffer at both ends; 2= no rod-cavity buffer; 3= buffer with rod cavity; 4= No buffer at both endsY - The length of the piston rod is extended in mm. Write in text. Do not fill in this option※ - Further explanationYGD Light Rod Hydraulic Cylinder

Ygc Light Rod Hydraulic Cylinder Characteristics:

YGD Light Rod Hydraulic Cylinder

Ygc Light Rod Hydraulic Cylinder Installation Method Selection Instructions:

1, draw-rod extension mounted (TB, TC, TD) cylinders are suitable for applications where linear forces are transmitted and are particularly useful when space is limited. The cylinder head end tie rod installation is the most suitable for compression purposes. When the piston rod is stretched, the cylinder head end installation method should be specified. A cylinder with a tie rod protruding from both ends can be fixed to a machine member from either end, while the free end of the cylinder can support a bracket or switch.2, flange-mounted (JJ, HH) cylinders are also suitable for applications where linear forces are transmitted. For compression use, the cylinder head installation is the most suitable. The cylinder head should be specified for installation where the main load causes the piston rod to be stretched.3, the tripod-mounted (C) cylinder does not absorb the force on its center line. As a result, the pressure the cylinder exerts creates a tipping moment that attempts to flip the cylinder around its mounting bolt. It is, therefore, important that the cylinder be securely secured to the mounting surface and that the load be guided effectively so that lateral loads are not applied to the rod seal and piston guide ring.4. Hinged-mounted cylinders (B, BB, SBd) that absorb the force on their center line shall be used where the machine members will move along a curve. If the curved path of the piston rod is within a single plane, cylinders with fixed-pair earrings in modes BB and B can be used. For uses where the piston rod will travel along the path on each side of the actual plane of motion, the SBd is recommended for spherical bearings.5, trunnion mounted (D, DB, DD) cylinders are designed to absorb the force on their center line. They are suitable for tensile (tension) or compression (thrust) purposes and can be used where machine members move along a curved path within a single plane. Trunnion pins are designed for shear load only and should withstand minimal bending stress.

China Hydraulic Cylinder Manufacturers:

Raydafon is a company in the R&D and manufacture of four rod hydraulic cylinders. It maintains a leading position in the market segment of hydraulic cylinders for forklifts in China. In 2020, the domestic market share was around 29%. We produce Industrial vehicle heavy rod hydraulic cylinders, Aerial work vehicle heavy rod hydraulic cylinders, Agricultural Machinery hydraulic cylinders, and Sanitation machinery hydraulic cylinders.We have a first-class independent R&D platform for assembly. The four rod hydraulic cylinder production workshop has four semi-automatic lifting cylinder assembly lines and one fully automatic tilting cylinder assembly line, with a designed annual production capacity of 1 million pieces; the special cylinder workshop is equipped with semi-automatic cleaning and assembly systems of various specifications, with a designed annual production capacity of 200,000 essays. It has famous CNC machining equipment, machining centers, special equipment for high-precision cylinder processing, robot welding machines, automatic cleaning machines, automatic cylinder assembly machines, and automatic paint production lines. We have more than 300 sets of critical equipment running. The optimized allocation and efficient utilization of equipment resources ensure the precision requirements of the products and meet the high standard quality requirements of the products.
YGD Light Rod Hydraulic CylinderYGD Light Rod Hydraulic Cylinder
 
Hot Tags: light rod hydraulic cylinder, custom hydraulic cylinder, wholesale hydraulic cylinder
Send Inquiry
Contact Info
Get customized quotes for transmission components, gearboxes, and machinery. Our engineers will respond within 24 hours.
Online
X
We use cookies to offer you a better browsing experience, analyze site traffic and personalize content. By using this site, you agree to our use of cookies. Privacy Policy
Reject Accept