Raydafon Technology Group Co.,Limited
Raydafon Technology Group Co.,Limited
Products
Products
ZLYJ180 Helical Gearbox Reducer for Plastic Extruder
  • ZLYJ180 Helical Gearbox Reducer for Plastic ExtruderZLYJ180 Helical Gearbox Reducer for Plastic Extruder

ZLYJ180 Helical Gearbox Reducer for Plastic Extruder

Raydafon Group's ZLYJ180 Helical Gearbox Reducer for Plastic Extruder is engineered for high-torque applications in plastic extrusion. Featuring durable materials and precision helical gears, it reduces noise and vibration, ensuring smooth, efficient operation. Ideal for industrial manufacturers seeking reliable power transmission, it solves downtime issues and enhances productivity. Compared to standard reducers, it offers superior longevity and performance, backed by Raydafon's quality guarantee. Experience seamless extrusion with this robust solution.

ZLYJ180 Helical Gearbox Reducer for Plastic Extruder

Introduction

Plastic extrusion is a vital process in modern manufacturing industry, playing a crucial role in various applications. In this context, the ZLYJ180 Helical Gearbox Reducer for Plastic Extruder serves as a key component for enhancing extrusion efficiency and product quality.
Screw diameter70
Adapted power11-30kW
Speed ratio10,16,20
Aperture60
Key pin16*2
Flange diameter260

Product Definition

The ZLYJ series helical gear reducer is a type of gearbox specifically designed for plastic extrusion machines. It is engineered to optimize the performance of extruders, ensuring smooth and efficient operation.

Design Features

    • Optimized design for plastic extruders
The Helical Gearbox Reducer for Plastic Extruder is meticulously designed to meet the unique requirements of plastic extrusion. Its features include:
    • High torque transmission capability
    • Precision gear manufacturing for smooth operation
    • Efficient heat dissipation to prevent overheating
    • Compact and lightweight design for easy integration
    • Durable construction for long service life

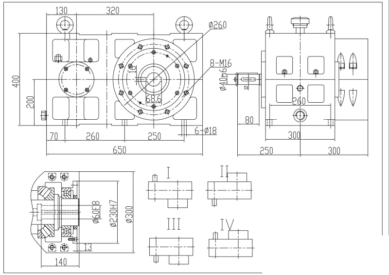
Technical Specifications and Performance Parameters

Here is an image showcasing the technical specifications and performance parameters of the ZLYJ180 Helical Gearbox Reducer for Plastic Extruder:ZLYJ180 Helical Gearbox Reducer for Plastic Extruder

Applications of Plastic Extruder Gearbox

The Plastic Extruder Gearbox finds wide-ranging applications in different types of plastic extrusion production lines, including:
  • PVC pipe extrusion
  • Film extrusion
  • Profile extrusion
It offers the following advantages in each application:
  • PVC pipe extrusion: Superior torque transmission for efficient pipe production.
  • Film extrusion: Precise gear manufacturing for consistent film thickness.
  • Profile extrusion: Optimal heat dissipation to prevent material deformation.

Installation and Maintenance Guidelines for Plastic Extruder Gearbox

Here is an image providing installation and maintenance guidelines for the Plastic Extruder Gearbox:ZLYJ180 Helical Gearbox Reducer for Plastic Extruder

Our Company's Advantages

When it comes to providing top-quality products and services, our company stands out with the following advantages:
  1. Extensive industry experience and expertise to meet diverse customer needs.
  2. State-of-the-art manufacturing facility equipped with advanced technology.
  3. Stringent quality control measures for superior product performance.
  4. Dedicated customer support team to ensure prompt assistance and satisfaction.
  5. Commitment to continuous improvement and innovation.
Partner with us today and experience the excellence we bring to the table!Author: Miya
Hot Tags: Helical Gearbox Reducer for Plastic Extruder, Custom Gear Reducers, ZLYJ180 Gearbox Supplier
Send Inquiry
Contact Info
Get customized quotes for transmission components, gearboxes, and machinery. Our engineers will respond within 24 hours.
Online
X
We use cookies to offer you a better browsing experience, analyze site traffic and personalize content. By using this site, you agree to our use of cookies. Privacy Policy
Reject Accept