5V Series Cast Iron Two-Groove Sheaves with Split Taper Bushings for “5V” Belts
5V series two-groove taper bushed sheaves are manufactured for 5V, 5VX, banded 5V, and banded 5VX belts. They range from 4.40" to 28.0" in diameter. Depending on the sheave size, they are made to use P1, Q1, or R1 split-taper bushings, which we also stock. Most of our two-groove 5V split taper sheaves are manufactured from a high-strength grade 35 cast iron, are phosphate-coated, and are painted for anti-corrosion. All of them are balanced at the factory for smooth machinery operation.

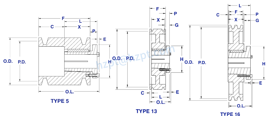
Size | Bushing Type | Pitch Diameter | Outside Diameter | Type | (O.L.) | (L) | (P) | (C) | (H) | (F) | (G) | (X) | (E) | Sheave Weight (LBS) |
|---|---|---|---|---|---|---|---|---|---|---|---|---|---|---|
| 2P5V44 | P1 | 4.30" | 4.40" | 13 | 2 3/16" | 1 15/16" | 1/4" | - | 3" | 1 11/16" | 5/8" | 1 5/16" | 1/4 | 3.8 |
| 2Q5V46 | Q1 | 4.50" | 4.60" | 5 | 3 7/8" | 2 1/2" | 3/4" | 1 3/32" | 4 1/8" | 1 11/16" | - | 1 3/4" | 9/32" | 6.6 |
| 2Q5V49 | Q1 | 4.80" | 4.90" | 5 | 3 5/16" | 2 1/2" | 3/4" | 17/32" | 4 1/8" | 1 11/16" | - | 1 3/4" | 9/32" | 6.2 |
| 2Q5V52 | Q1 | 5.10" | 5.20" | 16 | 2 25/32" | 2 1/2" | 3/4" | 1/16" | 4 1/8" | 1 11/16" | 3/4" | 1 3/4" | 9/32" | 5.6 |
| 2Q5V55 | Q1 | 5.40" | 5.50" | 16 | 2 25/32" | 2 1/2" | 3/4" | 1/16" | 4 1/8" | 1 11/16" | 3/4" | 1 3/4" | 9/32" | 6.6 |
| 2Q5V59 | Q1 | 5.80" | 5.90" | 16 | 2 25/32" | 2 1/2" | 3/4" | 1/16" | 4 1/8" | 1 11/16" | 3/4" | 1 3/4" | 9/32" | 7.6 |
| 2Q5V63 | Q1 | 6.20" | 6.30" | 16 | 2 25/32" | 2 1/2" | 3/4" | 1/16" | 4 1/8" | 1 11/16" | 3/4" | 1 3/4" | 9/32" | 9.4 |
| 2Q5V67 | Q1 | 6.60" | 6.70" | 16 | 2 25/32" | 2 1/2" | 3/4" | 1/16" | 4 1/8" | 1 11/16" | 3/4" | 1 3/4" | 9/32" | 11.0 |
| 2Q5V71 | Q1 | 7.00" | 7.10" | 16 | 2 25/32" | 2 1/2" | 25/32" | 1/32" | 4 1/8" | 1 11/16" | 3/4" | 1 3/4" | 9/32" | 12.3 |
| 2Q5V75 | Q1 | 7.40" | 7.50" | 16 | 2 25/32" | 2 1/2" | 25/32" | 1/32" | 4 1/8" | 1 11/16" | 3/4" | 1 3/4" | 9/32" | 14.1 |
| 2Q5V80 | Q1 | 7.90" | 8.00" | 16 | 2 25/32" | 2 1/2" | 25/32" | 1/32" | 4 1/8" | 1 11/16" | 3/4" | 1 3/4" | 9/32" | 11.6 |
| 2Q5V85 | Q1 | 8.40" | 8.50" | 16 | 2 25/32" | 2 1/2" | 25/32" | 1/32" | 4 1/8" | 1 11/16" | 3/4" | 1 3/4" | 9/32" | 12.9 |
| 2Q5V90 | Q1 | 8.90" | 9.00" | 16 | 2 25/32" | 2 1/2" | 25/32" | 1/32" | 4 1/8" | 1 11/16" | 3/4" | 1 3/4" | 9/32" | 16.3 |
| 2Q5V92 | Q1 | 9.15" | 9.25" | 16 | 2 25/32" | 2 1/2" | 25/32" | 1/32" | 4 1/8" | 1 11/16" | 3/4" | 1 3/4" | 9/32" | 15.1 |
| 2Q5V97 | Q1 | 9.65" | 9.75" | 16 | 2 25/32" | 2 1/2" | 25/32" | 1/32" | 4 1/8" | 1 11/16" | 3/4" | 1 3/4" | 9/32" | 16.1 |
| 2Q5V103 | Q1 | 10.20" | 10.30" | 16 | 2 25/32" | 2 1/2" | 25/32" | 1/32" | 4 1/8" | 1 11/16" | 3/4" | 1 3/4" | 9/32" | 18.8 |
| 2Q5V109 | Q1 | 10.80" | 10.90" | 16 | 2 25/32" | 2 1/2" | 25/32" | 1/32" | 4 1/8" | 1 11/16" | 3/4" | 1 3/4" | 9/32" | 19.3 |
| 2Q5V118 | Q1 | 11.80" | 11.80" | 16 | 2 25/32" | 2 1/2" | 25/32" | 1/32" | 4 1/8" | 1 11/16" | 3/4" | 1 3/4" | 9/32" | 21.4 |
| 2Q5V125 | Q1 | 12.40" | 12.50" | 16 | 2 25/32" | 2 1/2" | 25/32" | 1/32" | 4 1/8" | 1 11/16" | 3/4" | 1 3/4" | 9/32" | 23.8 |
| 2Q5V132 | Q1 | 13.10" | 13.20" | 16 | 2 25/32" | 2 1/2" | 25/32" | 1/32" | 4 1/8" | 1 11/16" | 3/4" | 1 3/4" | 9/32" | 25.5 |
| 2R5V140 | R1 | 13.90" | 14.00" | 16 | 3 5/32" | 2 7/8" | 1 1/32" | 5/32" | 5 3/8" | 1 11/16" | 7/8" | 2" | 9/32" | 27.6 |
| 2R5V150 | R1 | 14.90" | 15.00" | 16 | 3 5/32" | 2 7/8" | 1 1/32" | 5/32" | 5 3/8" | 1 11/16" | 7/8" | 2" | 9/32" | 30.9 |
| 2R5V160 | R1 | 15.90" | 16.00" | 16 | 3 5/32" | 2 7/8" | 1 1/32" | 5/32" | 5 3/8" | 1 11/16" | 7/8" | 2" | 9/32" | 33.3 |
| 2R5V212 | R1 | 21.10" | 21.20" | 16 | 3 5/32" | 2 7/8" | 1 1/32" | 5/32" | 5 3/8" | 1 11/16" | 7/8" | 2" | 9/32" | 47.5 |
| 2R5V280 | R1 | 27.90" | 28.00" | 16 | 3 5/32" | 2 7/8" | 1 1/32" | 5/32" | 5 3/8" | 1 11/16" | 7/8" | 2" | 9/32" | 71.0 |
(2) 5VX Cogged V-Belts5VX cogged v-belts are designated by having a 0.53" top-width and 0.53" thickness. Our cogged 5VX v-belts are manufactured with raw-edge sidewalls to eliminate slippage and increase efficacy, saving operation costs. They are also manufactured by ARPM standards and are oil and heat-resistant. 5VX belts are constructed from a high-quality chloroprene compound with high-strength polyester chords and have a top fabric built from a cotton polyester blend. Besides the performance, durability, and energy savings benefits, our cogged v-belts will work with existing stand v belt pulleys/ sheaves.
![]() | ![]() | ![]() |





Address
Luotuo Industrial Area, Zhenhai District, Ningbo City, China
Tel
