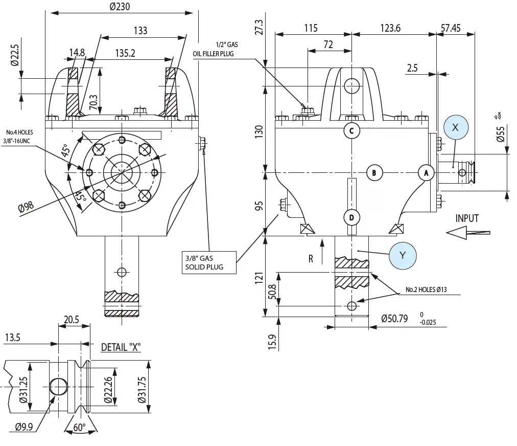
75 HP Heavy Duty Post Hole Digger Gearbox for 3 Point Post Hole Digger
A 75 HP heavy duty post hole digger gearbox is a mechanical device used to transmit power from a tractor or other power source to a post hole digger attachment. The post hole digger gearbox is designed to handle heavy-duty applications and is capable of transmitting up to 75 horsepower of power to the digger. The post hole digger gearbox typically includes a set of gears that transmit power from the input shaft to the output shaft, which drives the auger of the post hole digger. The 75 HP post hole digger gearbox is typically designed to provide a specific speed and torque output to match the requirements of the post hole digger attachment.A heavy duty post hole digger gearbox is necessary for post hole diggers that are used in tough soil conditions or for digging large diameter holes. The post hole digger gearbox must be strong enough to handle the high torque loads that are generated during the digging process and durable enough to withstand the wear and tear of heavy use. If you are looking for a reliable and powerful gearbox for your post hole digger, then a 75 HP heavy duty post hole digger gearbox is a great option. It is capable of handling heavy-duty applications and is made from durable materials. This makes it a reliable and long-lasting choice for post hole digging.

![]() | ![]() |



![]() | ![]() |
![]() | ![]() |
Address
Luotuo Industrial Area, Zhenhai District, Ningbo City, China
Tel
