![]() | ![]() |
| HKAA series | WeightKg | |||||||||
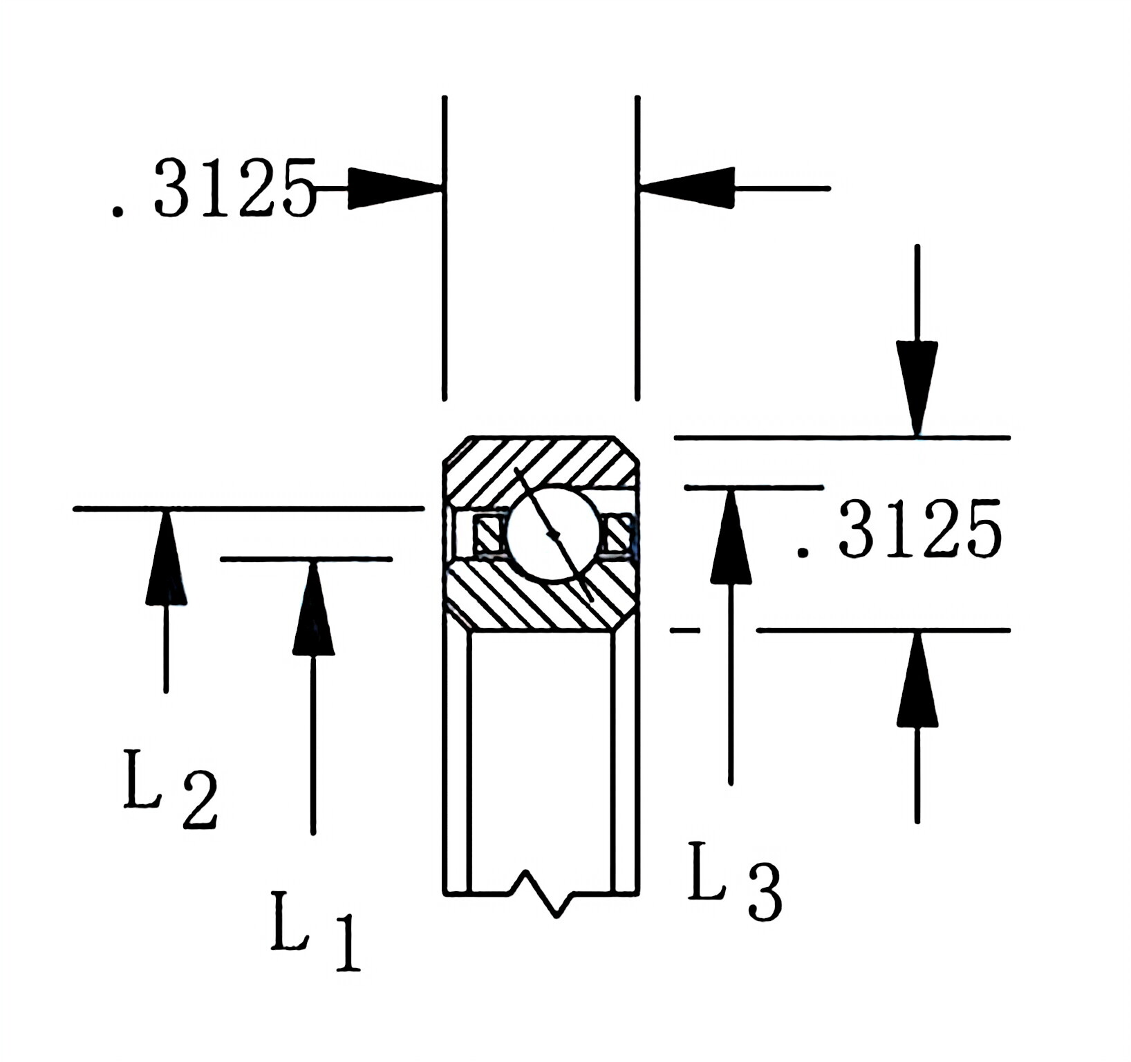
| Type | Dimension(inch/mm) | Basic Load Ratings(N) | ||||||||
| d | D | L1 | L2 | L3 | Radial | Thrust | ||||
| Cor | Cr | Coa | Ca | |||||||
HKAA010A | 1.000 25.4 | 1.375 34.925 | 1.142 29.0 | 1.236 31.4 | 1.274 32.4 | 1510 | 670 | 4310 | 2000 | 0.011 |
HKAA015A | 1.500 38.1 | 1.875 47.625 | 1.642 41.7 | 1.736 44.1 | 1.774 45.1 | 2130 | 890 | 6130 | 3250 | 0.017 |
| HKA series | WeightKg | |||||||||
| Type | Dimension(inch/mm) | Basic Load Ratings(N) | ||||||||
| d | D | L1 | L2 | L3 | Radial | Thrust | ||||
| Cor | Cr | Coa | Ca | |||||||
| HKA020A | 2.000 50.8 | 2.500 63.5 | 2.186 55.5 | 2.314 58.8 | 2.369 60.2 | 3510 | 1470 | 10140 | 4270 | 0.045 |
HKA025A | 2.500 63.5 | 3.000 76.2 | 2.686 68.2 | 2.814 71.5 | 2.869 72.9 | 4270 | 1690 | 12360 | 4890 | 0.054 |
HKA030A | 3.000 76.2 | 3.500 88.9 | 3.186 80.9 | 3.314 84.2 | 3.367 85.6 | 5070 | 1910 | 14620 | 5470 | 0.064 |
HKA035A | 3.500 88.9 | 4.000 101.6 | 3.386 93.6 | 3.814 96.9 | 3.867 98.2 | 5830 | 2090 | 16850 | 6000 | 0.077 |
HKA040A | 4.000 101.6 | 4.500 114.3 | 4.186 106.3 | 4.314 109.6 | 4.367 110.9 | 6630 | 2270 | 19110 | 6530 | 0.086 |
HKA042A | 4.250 107.95 | 4.750 120.65 | 4.436 112.7 | 4.564 115.9 | 4.615 117.2 | 7020 | 2360 | 20230 | 6800 | 0.091 |
HKA045A | 4.500 114.3 | 5.000 127 | 4.686 119 | 4.814 122.3 | 4.865 123.6 | 7380 | 2450 | 21380 | 7020 | 0.095 |
HKA047A | 4.750 120.65 | 5.250 133.35 | 4.936 125.4 | 5.064 128.6 | 5.115 129.9 | 7780 | 2530 | 22490 | 7290 | 0.100 |
HKA050A | 5.000 127.0 | 5.500 139.7 | 5.186 131.7 | 5.314 135.0 | 5.365 136.3 | 8180 | 2620 | 23600 | 7510 | 0.104 |
HKA055A | 5.500 139.7 | 6.000 152.4 | 5.686 144.4 | 5.814 147.7 | 5.863 148.9 | 8980 | 2760 | 25870 | 8000 | 0.113 |
HKA060A | 6.000 152.4 | 6.500 165.1 | 6.186 157.1 | 6.314 160.4 | 6.363 161.6 | 9740 | 2930 | 28090 | 8450 | 0.127 |
HKA065A | 6.500 165.1 | 7.000 177.8 | 6.686 169.8 | 6.814 173.1 | 6.861 172.3 | 10540 | 3070 | 30360 | 8890 | 0.136 |
HKA070A | 7.000 177.8 | 7.500 190.5 | 7.186 182.5 | 7.314 185.8 | 7.361 187.0 | 11290 | 3250 | 32630 | 9340 | 0.145 |
HKA075A | 7.500 190.5 | 8.000 203.2 | 7.686 195.2 | 7.814 198.5 | 7.861 199.7 | 12090 | 3380 | 34850 | 9740 | 0.154 |
HKA080A | 8.000 203.2 | 8.500 215.9 | 8.186 207.9 | 8.314 211.2 | 8.359 212.3 | 12850 | 3510 | 37120 | 10140 | 0.163 |
HKA090A | 9.000 228.6 | 9.500 241.3 | 9.186 233.3 | 9.314 236.6 | 9.357 237.7 | 14400 | 3780 | 41610 | 10980 | 0.186 |
HKA100A | 10.000 254.0 | 10.500 266.7 | 10.186 258.7 | 10.314 262.0 | 10.355 263.0 | 15960 | 4050 | 46100 | 11740 | 0.204 |
HKA110A | 11.000 279.4 | 11.500 292.1 | 11.186 284.1 | 11.314 287.4 | 11.353 288.4 | 17510 | 4310 | 50580 | 12490 | 0.227 |
HKA120A | 12.000 304.8 | 12.500 317.5 | 12.186 309.5 | 12.314 312.8 | 12.349 313.7 | 19070 | 4580 | 55070 | 55070 | 0.245 |
![]() |
| HKB series | WeightKg | |||||||||
| Type | Dimension(inch/mm) | Basic Load Ratings(N) | ||||||||
| d | D | L1 | L2 | L3 | Radial | Thrust | ||||
| Cor | Cr | Coa | Ca | |||||||
HKB020A | 2.000 50.8 | 2.625 66.675 | 2.231 56.7 | 2.393 60.8 | 2.464 62.6 | 4850 | 2130 | 14000 | 6130 | 0.068 |
HKB025A | 2.500 63.5 | 3.125 79.375 | 2.731 69.4 | 2.893 73.5 | 2.964 75.3 | 5960 | 2450 | 17160 | 7070 | 0.086 |
HKB030A | 3.000 76.2 | 3.625 92.075 | 3.231 82.1 | 3.393 86.2 | 3.462 87.9 | 6890 | 2710 | 19870 | 7780 | 0.100 |
HKB035A | 3.500 88.9 | 4.125 104.775 | 3.731 94.8 | 3.893 98.9 | 3.962 100.6 | 7960 | 2980 | 23030 | 8580 | 0.122 |
HKB040A | 4.000 101.6 | 4.625 117.475 | 4.432 107.5 | 4.393 111.6 | 4.460 113.3 | 9070 | 3250 | 26180 | 9340 | 0.136 |
HKB042A | 4.200 107.95 | 4.875 123.825 | 4.481 113.8 | 4.643 119.6 | 4.710 | 9560 | 3330 | 27560 | 9650 | 0.141 |
HKB045A | 4.500 114.3 | 5.125 130.175 | 4.731 120.2 | 4.893 124.3 | ||||||
Address
Luotuo Industrial Area, Zhenhai District, Ningbo City, China
Tel
