Adjustable Lock Nut Branch Tee-TEE-UNF Hydraulic Fittings
Adjustable Lock Nut Branch Tee-TEE-UNF Hydraulic Fittings are a type of hydraulic fitting that is used to connect three hydraulic lines in a T-shaped intersection. They have a male thread on one end and two female threads on the other two ends. The female threads have adjustable lock nuts that allow the angle of the branch lines to be adjusted. This makes them ideal for applications where the alignment of the hydraulic lines needs to be precise.
Adjustable Lock Nut Branch Tee-TEE-UNF Hydraulic Fittings are made from a variety of materials, including steel, stainless steel, and brass. They are also available in a variety of sizes and pressure ratings.
UNF stands for Unified Fine Thread, which is a type of thread that is commonly used in hydraulic applications. UNF threads are known for their high strength and resistance to vibration.
Adjustable Lock Nut Branch Tee-TEE-UNF Hydraulic Fittings are commonly used in a variety of hydraulic applications, including:


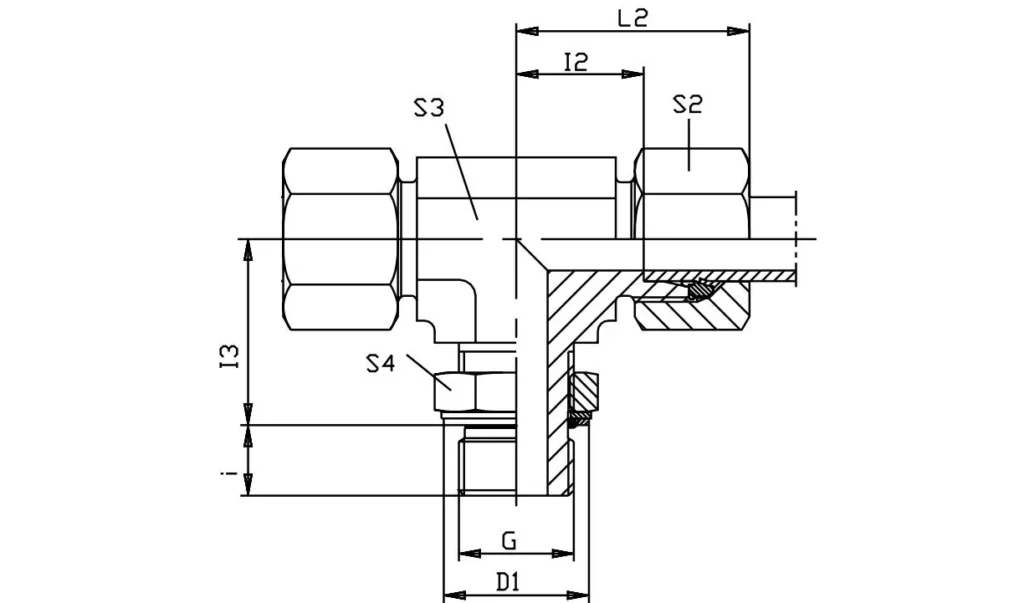
| TEE-UNFPart NO. | Series Working Pressure(bar/psi) | Tube O.d | Gmale thread | L2 | l2 | l3 | i | D1 | S2 | S3 | S4 |
| TEE06L7/16UNF | L light 315 bar 4560psi | 6 | 7/16-20 | 29 | 14 | 19 | 10 | 17 | 14 | 14 | 14 |
| TEE08L7/16UNF | 8 | 7/16-20 | 31 | 16 | 19 | 10 | 18 | 17 | 14 | 14 | |
| TEE10L9/16UNF | 10 | 9/16-18 | 32 | 17 | 24 | 10 | 20 | 19 | 19 | 17 | |
| TEE12L9/16UNF | 12 | 9/16-18 | 34 | 19 | 25 | 11 | 26 | 22 | 19 | 17 | |
| TEE12L3/4UNF | 12 | 3/4-16 | 34 | 19 | 25 | 13 | 26 | 22 | 19 | 22 | |
| TEE15L3/4UNF | 15 | 3/4-16 | 36 | 21 | 28 | 13 | 29 | 27 | 22 | 22 | |
| TEE15L7/8UNF | 15 | 7/8-14 | 36 | 21 | 28 | 15 | 29 | 27 | 22 | 27 | |
| TEE18L7/8UNF | 18 | 7/8-14 | 40 | 24 | 32 | 15 | 29 | 32 | 27 | 27 | |
| TEE18L11/16UN | 18 | 1 1/16-12 | 40 | 24 | 32 | 17 | 29 | 32 | 30 | 32 | |
| TEE22L11/16UN | 160 bar 2320psi | 22 | 1 1/16-12 | 44 | 28 | 35 | 17 | 37 | 36 | 30 | 32 |
| TEE28L15/16UN | 28 | 1 5/16-12 | 47 | 31 | 42 | 17 | 44 | 41 | 36 | 41 | |
| TEE35L15/8UN | 35 | 1 5/8-12 | 59 | 38 | 46 | 17 | 55 | 50 | 50 | 50 | |
| TEE42L17/8UN | 42 | 1 7/8-12 | 61 | 38 | 47 | 17 | 55 | 60 | 50 | 55 | |
| TEE06S7/16UNF | S heavy 400 bar 5800psi | 6 | 7/16-20 | 30 | 15 | 20 | 12 | 17 | 17 | 14 | 14 |
| TEE08S9/16UNF | 8 | 9/16-18 | 32 | 17 | 25 | 12 | 18 | 19 | 19 | 17 | |
| TEE10S9/16UNF | 10 | 9/16-18 | 34 | 18 | 26 | 12 | 20 | 22 | 19 | 17 | |
| TEE12S3/4UNF | 12 | 3/4-16 | 38 | 22 | 30 | 14 | 26 | 24 | 22 | 22 | |
| TEE16S7/8UNF | 16 | 7/8-14 | 43 | 25 | 34 | 16 | 29 | 30 | 27 | 27 | |
| TEE20S11/16UN | 20 | 1 1/16-12 | 49 | 28 | 37 | 19 | 37 | 36 | 30 | 32 | |
| TEE25S11/16UN | 25 | 1 1/16-12 | 54 | 30 | 50 | 19 | 44 | 46 | 36 | 32 | |
| TEE30S15/8UN | 250bar 3625psi | 30 | 1 5/8-12 | 62 | 36 | 50 | 19 | 55 | 50 | 50 | 50 |
| TEE38S17/8UN | 38 | 1 7/8-12 | 65 | 34 | 51 | 19 | 55 | 60 | 50 | 55 |
Some of the key features of adjustable lock nut branch tee-tee-UNF hydraulic fittings include:
1. Adjustable lock nut: The lock nut can be adjusted to ensure a tight fit between the fitting and the hose. This helps to prevent leaks and ensures a secure connection.2. Branch tee-tee-UNF design: The branch tee-tee-UNF design allows for the connection of two hydraulic hoses to a single hydraulic line. This makes it a versatile fitting that can be used in a variety of applications.3. UNF threads: UNF threads are a type of American National Standard thread that is commonly used in hydraulic applications. They are known for their strength and durability.4. Brass or stainless steel construction: Brass and stainless steel are two of the most common materials used in the construction of hydraulic fittings. They are both strong and durable, and they are resistant to corrosion.Adjustable lock nut branch tee-tee-UNF hydraulic fittings offer a number of advantages over other types of hydraulic fittings, including:
(1) Versatility: Adjustable lock nut branch tee-tee-UNF hydraulic fittings can be used to connect two hydraulic hoses to a single hydraulic line, making them a versatile fitting that can be used in a variety of applications.(2) Security: The lock nut on the adjustable lock nut branch tee-tee-UNF hydraulic fittings can be adjusted to ensure a tight fit between the fitting and the hose. This helps to prevent leaks and ensures a secure connection.(3) Durability: Adjustable lock nut branch tee-tee-UNF hydraulic fittings are typically made of brass or stainless steel, which are both strong and durable materials. They are also resistant to corrosion, making them ideal for use in harsh environments.(4) Ease of use: Adjustable lock nut branch tee-tee-UNF hydraulic fittings are easy to install and remove. The lock nut can be adjusted with a simple wrench, and the fitting can be easily disconnected from the hose by hand.(5) Affordability: Adjustable lock nut branch tee-tee-UNF hydraulic fittings are relatively affordable, making them a cost-effective solution for a variety of applications.![]() | ![]() |

Address
Luotuo Industrial Area, Zhenhai District, Ningbo City, China
Tel
