Agricultural Gearbox EP2502-Replacement of GB M115F
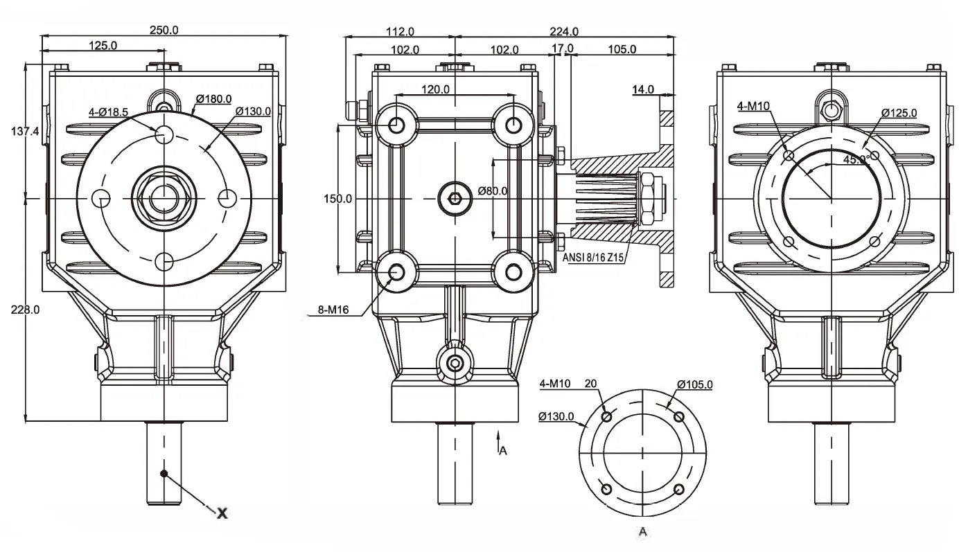
The replacement GB M115F agricultural gearbox is a specialized component used in agricultural machinery to transmit power from the engine to various agricultural implements. It plays a crucial role in controlling the speed and torque required for different farming operations, such as plowing, tilling, mowing, and harvesting. The M115F gearbox is designed to withstand the demanding conditions encountered in agricultural applications. It is typically mounted on tractors or other agricultural vehicles and is responsible for transmitting power from the engine to the wheels or other driven components.The M115F gearbox offers multiple gear ratios, allowing farmers to adjust the speed and torque output according to the specific task at hand. This flexibility enables optimal performance across various farming activities. Agricultural gearboxes are built to withstand the harsh conditions of farming environments, including exposure to dust, debris, and extreme temperatures. The M115F agricultural gearbox is designed with durability in mind, using robust materials and components to ensure long-lasting performance.


| i | Suitable | Rpm input | Rpm output | KW(Nom) | Output torque | Toothing | |
| r/min | r/min | hp | N.m | ||||
| Decelerate | 3:1 | Implement, etc | 540 | 180 | 60 | 80 | Gleason HelicalTeeth |
| Remark: If you have any special require feel free let me know, we also accept custom. | |||||||




![]() | ![]() |
![]() | ![]() |
Address
Luotuo Industrial Area, Zhenhai District, Ningbo City, China
Tel
