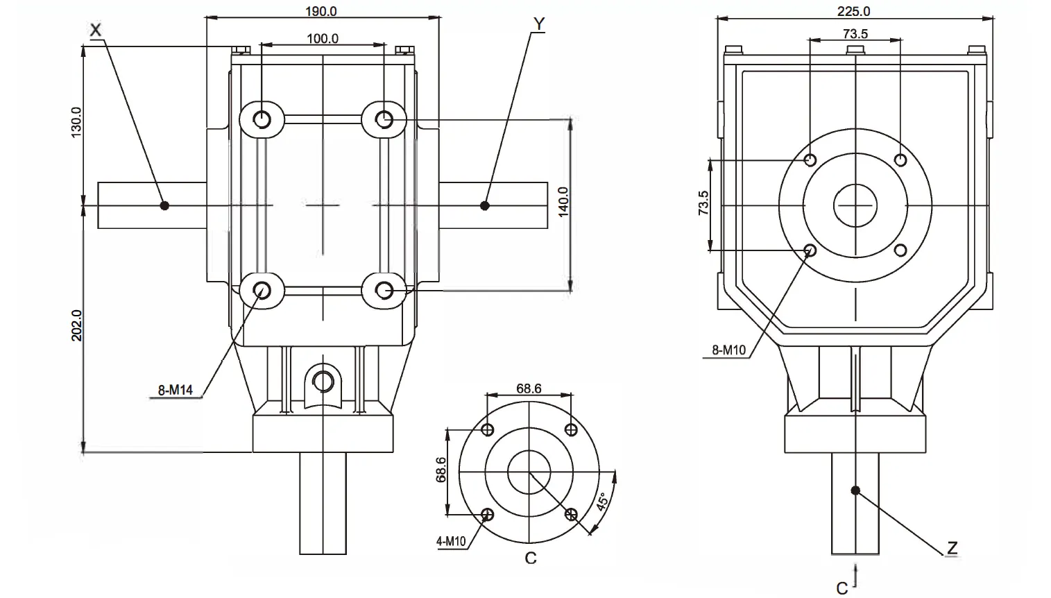
Agricultural Gearbox-Replacement of Bondioli & Pavesi 2071
The Agricultural Gearbox-Replacement of Bondioli & Pavesi 2071 gearbox is engineered to provide reliable and efficient power transmission for agricultural machinery, such as tractors, combines, and other farming equipment. It is designed to withstand the demanding conditions and heavy loads typically encountered in agricultural operations. The gearbox is built with high-quality materials and sturdy housing to ensure durability and longevity, even in harsh environments. It is designed to handle heavy-duty applications and resist wear and tear.The 2071 series agricultural gearbox offers a range of speed ratios, allowing farmers to adjust the output speed according to their specific needs. This versatility enables farmers to optimize their equipment's performance for different tasks and conditions. The gearbox is designed to transfer power from the input source (e.g., the tractor's power take-off shaft) to the output shaft effectively. It minimizes power losses during transmission, ensuring maximum power transfer and productivity.


| i | Suitable | Rpm input | Rpm output | KW(Nom) | Output torque | Toothing | |
| r/min | r/min | hp | N.m | ||||
| Speed increase | 1:1.93 | Universal gearbox | 540 | 1042 | 60 | 82 | Gleason HelicalTeeth |
| 1:2.46 | 540 | 1382 | 60 | 82 | |||
| 1:3.1 | 540 | 1674 | 55 | 75 | |||
| Decelerate | 1.93:1 | 540 | 280 | 35 | 50 | ||
| 2.46:1 | 540 | 280 | 30 | 40 | |||
| 3.1 :1 | 540 | 174 | 25 | 35 | |||
| Remark: If you have any special require feel free let me know, we also accept custom. | |||||||




![]() | ![]() |
![]() | ![]() |
Address
Luotuo Industrial Area, Zhenhai District, Ningbo City, China
Tel
