Agricultural Gearbox-Replacement of Bondioli & Pavesi 2100
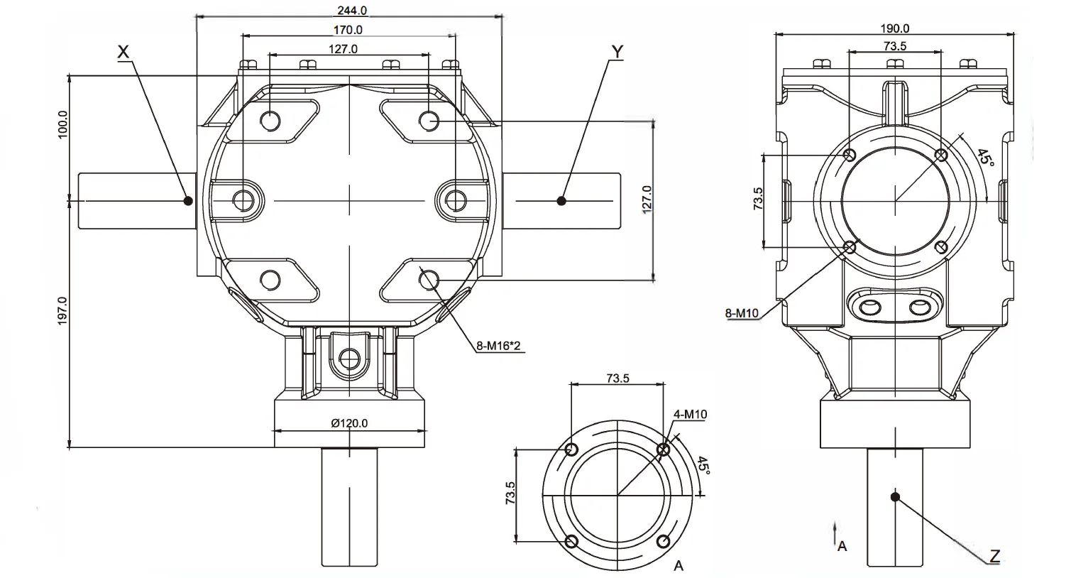
The replacement Replacement of Bondioli & Pavesi 2100 gearbox is an essential component of agricultural machinery such as tractors, harvesters, and other farming equipment. It is responsible for transmitting power from the engine to various agricultural implements, allowing the machinery to perform a range of tasks such as plowing, tilling, mowing, and planting. The gearbox is designed to deliver reliable and efficient power transmission in demanding agricultural applications. It is known for its robust construction, high torque capacity, and durability. The gearbox is built to withstand the harsh operating conditions encountered in the field, ensuring long-lasting performance.The 2100 series agricultural gearbox offers a range of gear ratios, allowing farmers to select the appropriate speed and torque output for specific tasks. This versatility makes it suitable for various agricultural operations, from heavy-duty tasks requiring high torque to lighter operations that require higher speeds. The gearbox finds applications in various agricultural tasks, including rotary tilling and soil preparation, mowing and cutting operations, seed drilling and planting, harvesting, such as in combine harvesters, material handling with loaders and backhoes, fertilizer spreading, post hole digging for fencing and structural support, hay baling, etc.


| i | Suitable | Rpm input | Rpm output | KW(Nom) | Output torque | Toothing | |
| r/min | r/min | hp | N.m | ||||
| 1:1 | Universal gearbox | 540 | 540 | 81 | 110 | Gleason HelicalTeeth | |
| Decelerate | 1.35:1 | 540 | 400 | 62 | 85 | ||
| 1.57:1 | 540 | 344 | 49 | 66 | |||
| 1.92:1 | 540 | 280 | 33 | 45 | |||
| 2.30:1 | 540 | 235 | 26 | 35 | |||
| Remark: If you have any special require feel free let me know, we also accept custom. | |||||||




![]() | ![]() |
![]() | ![]() |
Address
Luotuo Industrial Area, Zhenhai District, Ningbo City, China
Tel
