Agricultural Sprayer Gearbox – Replacement of Comer Code D21A
The agricultural sprayer gearbox is a vital component of a sprayer system that helps to distribute chemicals and pesticides evenly over crops. It is designed to withstand harsh environmental conditions and provide reliable performance. The Agricultural Sprayer Gearbox D21A is specifically designed for agricultural sprayers and is known for its durability, reliability, and high performance. It is constructed using high-quality materials to withstand the harsh conditions encountered in agricultural applications, including exposure to chemicals, moisture, and varying temperatures.The gearbox is typically mounted directly onto the power source and is driven by a power take-off (PTO) shaft. It contains a series of gears and bearings that work together to transmit power and reduce the rotational speed from the power source to the sprayer pump. This reduction in speed is necessary to ensure that the pump operates at the desired flow rate, allowing for accurate and uniform application of fertilizers, pesticides, herbicides, or other agricultural chemicals.Gearboxes in sprayers play a critical role in ensuring that pesticides and herbicides are applied evenly and efficiently across crops. Proper application helps maximize crop yields, improves the efficiency of chemical use, and reduces environmental impact. The gearbox ensures that the sprayer works at the optimal speed and power necessary for effective application.

| i | N1[rpm] | P1[kW] | M2[Nm] | Shaft Type | Input | |
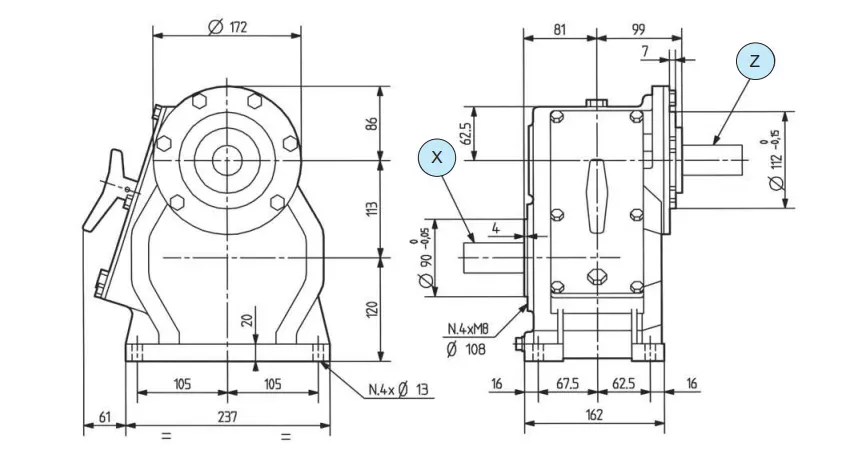
X![]() | Z![]() | |||||
| 6.957.45 | 540 | 26.5 | - | 1'' 3/8 Z6 | L108 35 | X |
| 3.904.90 | 540 | 40.5 | - | 1'' 3/8 Z6 | L271.5 30 | X |
| 3.604.50 | 540 | 40.5 | - | 1'' 3/8 Z6 | L273 40 | X |
| 3.604.50 | 540 | 40.5 | - | 1'' 3/8 Z6 | L270 35 | X |
| 3.604.50 | 540 | 47.8 | - | 1'' 3/8 Z6 | L100 35 | X |

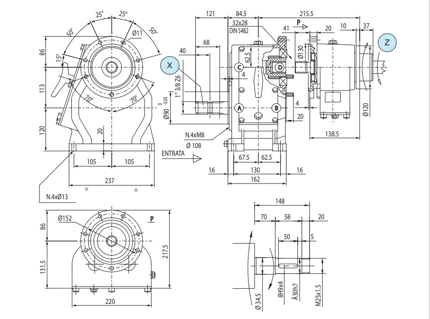
| i | N1[rpm] | P1[kW] | M2[Nm] | Shaft Type | Input | |
X![]() | Z![]() | |||||
| 3.604.93 | 540 | 40.5 | - | 1'' 3/8 Z6 | L360 35Φ30 | X |







Address
Luotuo Industrial Area, Zhenhai District, Ningbo City, China
Tel
