Agricultural Sprayer Gearbox – Replacement of Comer Code D27A D27J D27B
The agricultural sprayer gearbox is a type of gearbox used in agricultural spraying equipment. It is designed to provide a reliable and efficient power transmission system for the sprayer. The gearbox typically consists of a gear train, a clutch, and a gear selector. The gear train is responsible for transferring power from the engine to the sprayer. The clutch is used to engage and disengage the power transmission system, while the gear selector allows the operator to select the desired gear ratio. The gearbox is usually made of durable materials such as steel or aluminum and is designed to withstand the harsh conditions encountered in agricultural spraying.

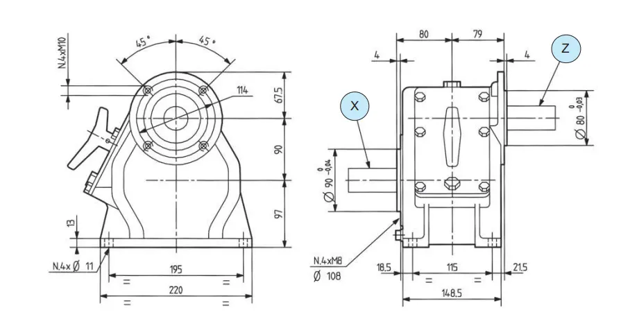
| i | N1[rpm] | P1[kW] | M2[Nm] | Shaft Type | Input | |
X![]() | Z![]() | |||||
| 4.005.25 | 540 | 22.1 | 1'' 3/8 Z6 | X | ||
| 3.704.80 | 540 | 22.1 | - | 1'' 3/8 Z6 | L250 35 | X |
| 3.704.40 | 540 | 22.1 | - | 1'' 3/8 Z6 | L117 35 | X |
| 2.954.00 | 540 | 22.1 | 1'' 3/8 Z6 | X | ||

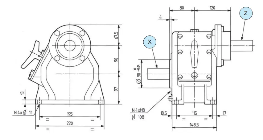
| i | N1[rpm] | P1[kW] | M2[Nm] | Shaft Type | Input | |
X![]() | Z![]() | |||||
| 4.005.25 | 540 | 22.1 | - | 1'' 3/8 Z6 | L200 Φ30 | X |
| 3.694.36 | 540 | 22.1 | - | 1'' 3/8 Z6 | L253 40 | X |
| 2.954.00 | 540 | 22.1 | - | 1'' 3/8 Z6 | L200 40 | X |
| 2.954.00 | 540 | 22.1 | - | 1'' 3/8 Z6 | L250 40 | X |






Address
Luotuo Industrial Area, Zhenhai District, Ningbo City, China
Tel
