BT-SG Series Ball Screws for Plastic Machinery
Our ball screw assemblies consist of a lead screw and a nut, each with matching helical grooves. Balls roll between these grooves, providing contact between the nut and the lead screw. These recirculating bearings enable the unit to operate efficiently with excellent static and dynamic load ratings.We stock ball screw models in various materials and designs, including high carbon and low carbon alloy steels and multiple grades of stainless steel in standard and metric sizes.Our ball screws provide linear motion solutions for various industries, including Building construction, heavy lifting, transportation, marine, medical, food packaging, and energy.


Ball screws have two major parts: a screw shaft and ball bearings. A motor at one end provides rotational power to the screw. The nut, meanwhile, houses the ball bearing and recirculation system. The ball bearings match up with grooves on the screw shaft. A ball bearing is usually made of steel.As with all other types of screw repairs, ball screw repair services take into account the physical and design specifications of the screw. Some features include the type of unit, length, outer diameter, lead accuracy, lubrication port, thread type, right-hand or left-hand threads, twin leads, and more.Ball screws are used in many industries, including aerospace, robotics, and automotive manufacturing. They are also used in missiles and precision assembly equipment. Model.Series | Style of nut |
G.GD | Inner cycle fixed reverser single/double nut style |
CM.CDM | Tube single/double nut type |
ZCT | Tube big size and extra-load type |
KD | Inner cycle high speed type |
Z.ZD | Inner cycle rolling single/double nut type |
CBT | Tube lead preload type |
JS-FC | Tube big lead type |
GWS | Micro ball screw |
GZXS | Planetary roller Screw |
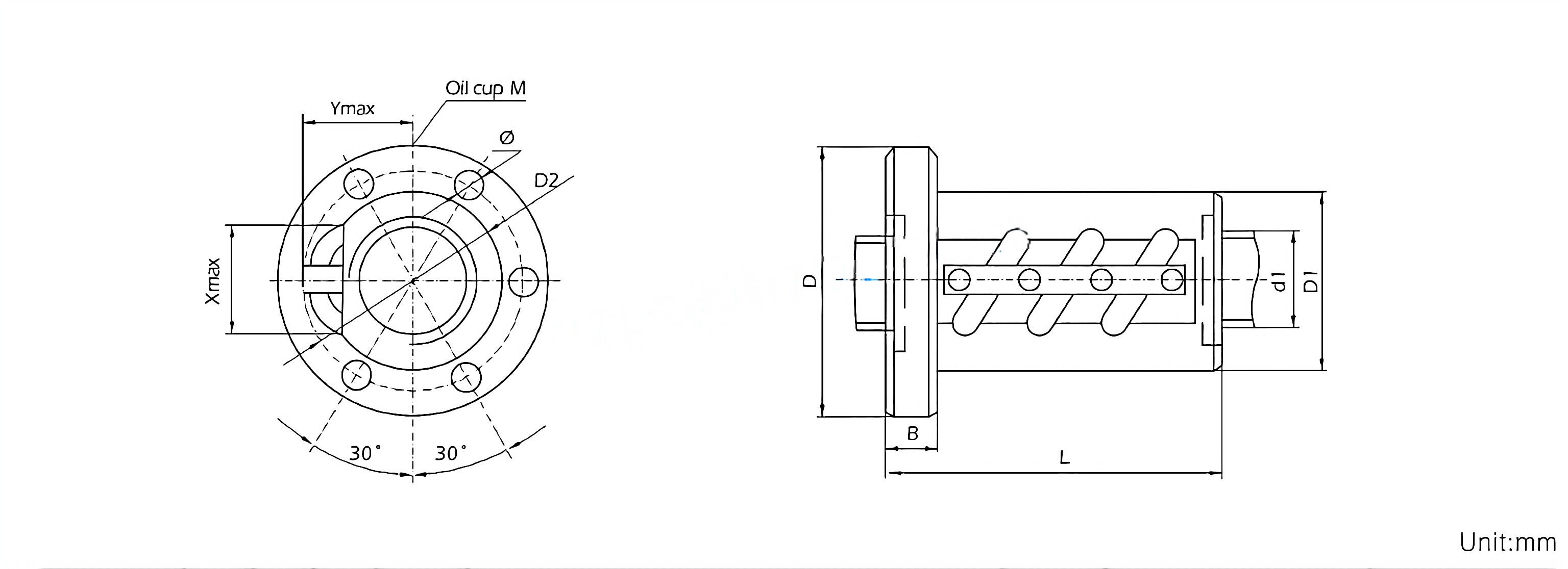
SG | Heavy load type for plastic machinery |


Address
Luotuo Industrial Area, Zhenhai District, Ningbo City, China
Tel
