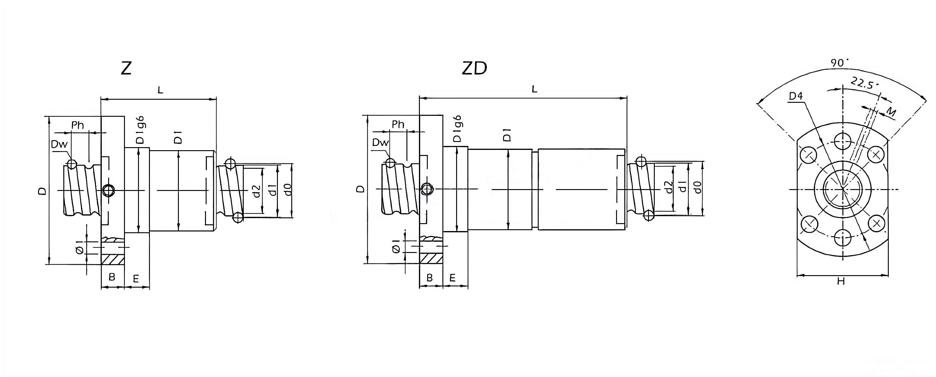
Z.ZD Rolled Series Ball Screws (Single or Double Nuts)
Our ball screw assemblies consist of a lead screw and a nut, each with matching helical grooves. Balls roll between these grooves, providing contact between the nut and the lead screw. These recirculating bearings enable the unit to operate efficiently with excellent static and dynamic load ratings.We stock ball screw models in various materials and designs, including high carbon and low carbon alloy steels and multiple grades of stainless steel in standard and metric sizes.Our ball screws provide linear motion solutions for various industries, including Building construction, heavy lifting, transportation, marine, medical, food packaging, and energy.



Model.Series | Style of nut |
G.GD | Inner cycle fixed reverser single/double nut style |
CM.CDM | Tube single/double nut type |
ZCT | Tube big size and extra-load type |
KD | Inner cycle high speed type |
Z.ZD | Inner cycle rolling single/double nut type |
CBT | Tube lead preload type |
JS-FC | Tube big lead type |
GWS | Micro ball screw |
GZXS | Planetary roller Screw |
SG | Heavy load type for plastic machinery |


Address
Luotuo Industrial Area, Zhenhai District, Ningbo City, China
Tel
