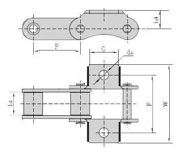
CA550 Chain With F1 Attachment[/caption]
CA550 Chain With F1 Attachment[/caption]Chain No. | P | b1 | G | F | W | h4 | d4 | K |
mm | mm | mm | mm | mm | mm | mm | mm | |
CA550F1 | 41.4 | 19.81 | 22.23 | 53.95 | 70.6 | 12.7 | 9.90 | 10.0 |
CA550K19F3 | 41.4 | 19.81 | 25.50 | 50.80 | 68.4 | 16.5 | 8.33 | 11.5 |
CA550VK19F1 | 41.4 | 19.05 | 25.50 | 50.80 | 67.8 | 16.5 | 8.33 | 10.0 |
CA557AK4 | 41.4 | 20.24 | 26.19 | 50.80 | 69.4 | 16.5 | 8.33 | 11.7 |
CA550F20K19 | 41.4 | 20.24 | 22.00 | 50.80 | 71.0 | 12.7 | 9.75 | 10.0 |
CA557AK4F1 | 41.4 | 20.24 | 26.00 | 53.50 | 80.6 | 16.5 | 10.70 |
Please click on the photos below to visit their websites.

Address
Luotuo Industrial Area, Zhenhai District, Ningbo City, China
Tel
