

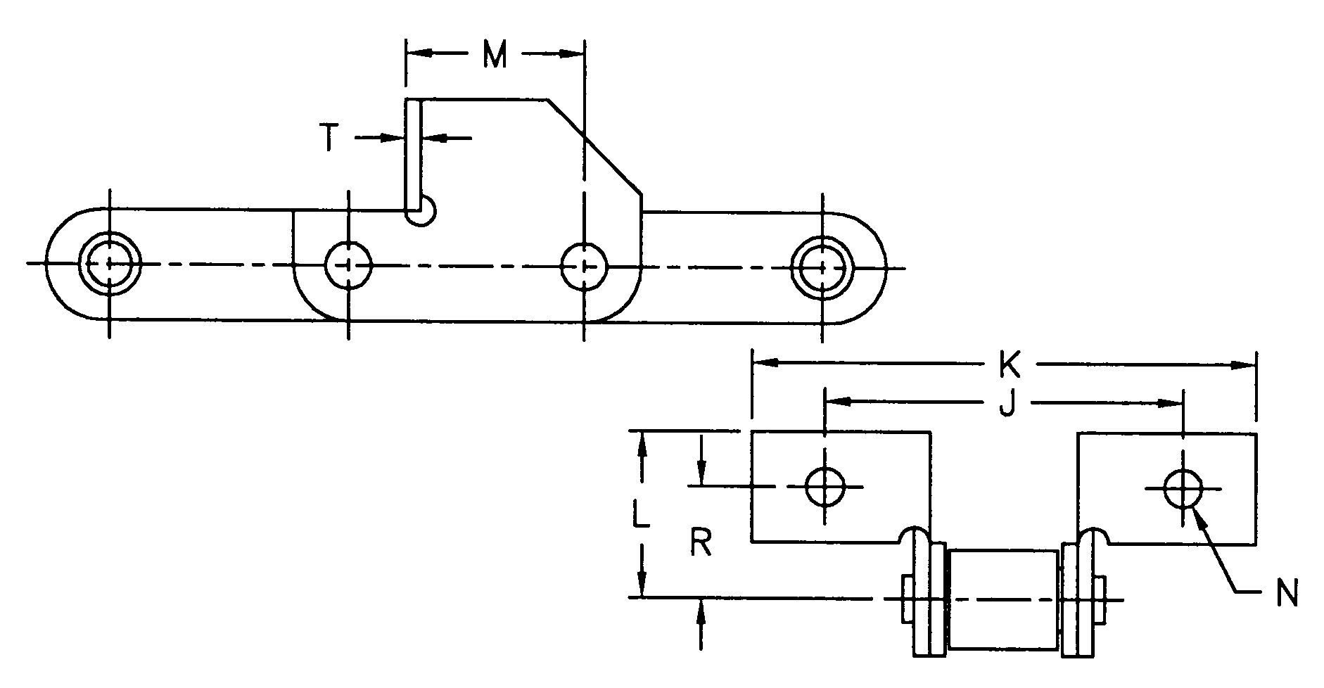
Att. No. | Chain No. | J | K | L | M | N | R | T |
F1 | CA550 | 2.438 | 3.438 | 1.500 | 1.250 | .266 | .750 | .105 |
F4 | CA550 | 1.875 | 2.688 | 1.688 | 1.453 | .328 | 1.219 | .105 |
F4A | CA550 | 1.875 | 2.688 | 1.688 | 1.453 | .406 | 1.219 | .105 |
F4S | CA550 | 2.125 | 2.969 | 1.688 | 1.453 | .406 | 1.406 | .105 |
Please click on the photos below to visit their websites.

Address
Luotuo Industrial Area, Zhenhai District, Ningbo City, China
Tel
