![]() | ![]() |
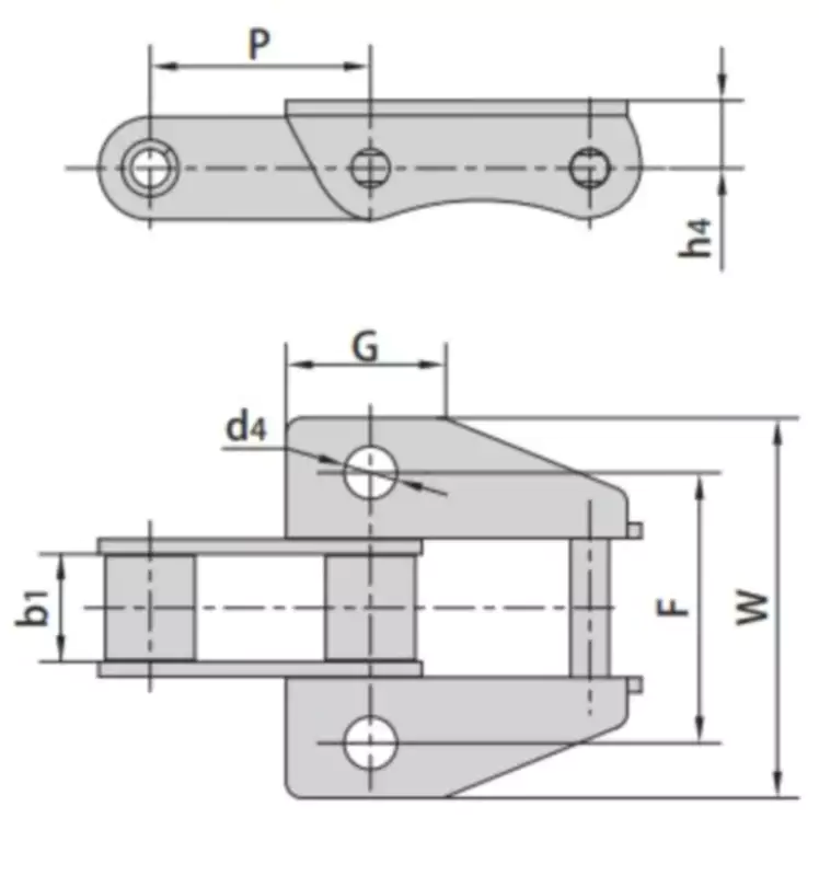
| Chain No. | P | b1 | G | F | W | h4 | d4 |
| mm | mm | mm | mm | mm | mm | mm | |
| CA550K39M | 41.4 | 19.81 | 29.5 | 50.80 | 71.4 | 12.7 | 9.8 |
| CA550K39MF3 | 41.4 | 19.81 | 29.5 | 50.80 | 71.4 | 12.7 | 10.3 |
| CA550HK39M | 41.4 | 20.00 | 31.0 | 57.00 | 78.0 | 14.2 | 10.5 |
| CA557K39M | 41.4 | 20.24 | 29.5 | 50.80 | 71.4 | 12.7 | 9.8 |
| CA557K39MF1 | 41.4 | 20.24 | 22.0 | 57.15 | 77.6 | 14.0 | 9.9 |
| CA557K39MF3 | 41.4 | 20.24 | 31.0 | 57.00 | 78.0 | 14.5 | 10.3 |
| CA550F5K39M | 41.4 | 20.24 | 29.5 | 50.80 | 71.4 | 12.7 | 10.3 |
| Product?name | ?C Type Steel Agricultural Chain with Attachments |
| Materials?Available | 1.?Stainless?Steel:?SS201,?SS303,?SS304,?SS316,?SS416,?SS420 |
| 2.?Steel:C45(K1045),?C46(K1046),C20 | |
| 3.?Brass:C36000?(?C26800),?C37700?(?HPb59),?C38500(?HPb58),?C27200(CuZn37),?C28000(CuZn40) | |
| 4.?Bronze:?C51000,?C52100,?C54400,?etc | |
| 5.?Iron:?1213,?12L14,1215 | |
| 6.?Aluminum:?Al6061,?Al6063 | |
| 7. OEM, according to your request | |
| Surface Treatment | Annealing, natural anodization, heat treatment,??polishing, nickel plating, chrome plating, zinc plating, yellow passivation, gold passivation,??satin, Black surface painted, etc. |
| Products?Available | sprocket chains, pulley, shafts(axles, spline shafts, dart shafts), gears (pinions, wheels gear rack), bearing, bearing seat,??bushing, coupling, lock assembly, etc. |
| Processing?Method | CNC machining, punch, turning, milling, drilling, grinding, broaching, welding, and assembly |
| QC?: | Technicians?self-check?in?production,final-check before package by? professional Quality inspector |
| Size | Drawings |
| Package | Wooden Case/Container and pallet, or as?per?customized?specifications |

Sprockets fit our entire conveyor chain range.The drive chain and the conveying chain are driven by sprockets. The uniform distribution of power depends on the precise transmission between the sprocket teeth and the chain rollers or bushes.Because sprockets significantly impact the chain's life, all challenging sprockets (from casting to precision mechanical cutting) are manufactured according to strict tolerances and quality control. We also recommend that all customers replace the sprocket when replacing the chain to maximize the chain life.
Address
Luotuo Industrial Area, Zhenhai District, Ningbo City, China
Tel
